Россия
Россия
Россия
Россия
В целях предупреждения возникновения аварийной ситуации на предприятиях нефтяной и газовой промышленности необходимо применять системы регулирования, автоматизации и сигнализации. В этой связи в последнее время все большую популярность набирают технологии искусственного интеллекта. Особенный интерес представляют нейронные сети. Для реализации задачи регулирования, автоматизации и прогнозирования технологических процессов нефтяной промышленности возможно применение нейросетевого моделирования химико-технологических процессов. Приведены примеры использования нейросетевого моделирования на практике. Представлены результаты нейросетевого моделирования установки замедленного коксования одного из действующих предприятий. Смоделирована установка замедленного коксования в программном комплексе UniSim Design, которая позволила получить исходный массив данных для нейронной сети. Нейросеть была построена в программе MatLab, создан код программы. Представлены графики погрешности, регрессии. Приведен анализ результатов, представленных на графиках регрессии и погрешности. В результате тестирования модели было получено минимальное расхождение экспериментальных и предсказанных данных, что говорит об адекватности нейросетевой модели. Также было произведено дополнительное тестирование программы. Представлены результаты обучения и тестирования модели. Полученные результаты в дальнейшем могут быть использованы для создания программ на разных уровнях управления, т. к. модель позволяет оценить количество потерь в период работы установки при определенном расходе питательной воды, подаваемой на установку в качестве турболизатора.
нефтяная промышленность, нейросетевая модель, моделирование, замедленное коксование, питательная вода, потери
Введение
Все объекты нефтяной промышленности относятся к особо опасным объектам ввиду переработки горючих твердых веществ, горючих жидкостей, легковоспламеняющихся жидкостей и газов, высоких
и низких значений давления и температур. Для снижения риска возникновения аварийной ситуации необходимо применение систем регулирования, автоматизации, контроля, сигнализации, а также систем прогнозирования таких ситуаций. В настоящий момент набирает популярность применение нейросетевого моделирования с целью прогнозирования и предотвращения аварийных ситуаций [1].
Вклад нефтяной промышленности в экономику России сложно переоценить. Мировые мощности только по переработке нефтяных остатков достигли около 725 млн метрических тонн в год. С каждым годом увеличивается спрос на транспортное топливо и объемы тяжелой сырой нефти, что привело к возобновлению интереса к глубокой переработке с использованием различных процессов конверсии.
Процесс замедленного коксования известен своей универсальностью в переработке (отсутствие жестких требований составу нефтяных остатков). Следует отметить, что благодаря процессу замедленного коксования разрешаются проблемы утилизации тяжелых нефтепродуктов и проблема загрязнения окружающей среды.
Ввиду высоких значений параметров технологического процесса установки замедленного коксования (УЗК), их опасности для персонала и, соответственно, наличия риска возникновения аварии на установке она нуждается как в системах автоматизации, контроля и регулирования, так и в системах прогнозирования аварийных ситуаций и самого процесса. Данную проблему можно решить путем использования нейросетевого моделирования [2–5].
Искусственные нейронные сети представляют собой вычислительные системы или, другими словами, совокупность соединенных между собой узлов, что является аналогией нейронных сетей мозга человека. Нейронные сети позволяют смоделировать любой химико-технологический процесс. В полученную модель могут быть внедрены системы контроля и сигнализации. На основе нейросетевой модели возможно создание программ или приложений, которые будут использованы на различных уровнях предприятия (на уровне операторов, начальников цехов, руководства, финансового отдела и пр.). Данные программы будут использованы как с целью моделирования процесса, так и для прогнозирования выпуска продукции в рамках дальнейшего планирования или удовлетворения потребности завода.
Тенденция к применению нейронных сетей в промышленности демонстрирует рост, также разрабатываются программы для различных установок нефтеперерабатывающих и нефтехимических производств на основе нейросетевого моделирования.
Следует отметить, что моделирование химико-технологических процессов позволяет минимизировать вмешательство исследователя в сам процесс, т. к. моделирование подразумевает создание виртуальной модели, изменения работы которой не несут никакой опасности как для человека, так и для природы [6]. В этом заключается одно из преимуществ моделирования химико-технологических процессов.
Методы и материалы
Данные по эксплуатации УЗК в составе крупных нефтеперерабатывающих заводов Российской Федерации представлены в табл. 1.
Таблица 1
Table 1
Установки замедленного коксования на заводах России
Delayed coking plants in Russian factories
|
Предприятие |
Ввод в эксплуатацию, г. |
Проектная мощность |
|
ОАО «Роснефть-Ангарская НХК», г. Ангарск |
1970 |
600 |
|
ОАО «Роснефть-Комсомольский НПЗ», |
2012 |
1 000 |
Окончание табл. 1
The ending of table 1
|
Предприятие |
Ввод |
Проектная мощность |
|
ОАО «Роснефть-Новокуйбышевский НПЗ», г. Новокуйбышевск |
1985 |
1 500 |
|
ООО «ЛУКОЙЛ-Волгограднефтепереработка», г. Волгоград |
1966 (рекон. 2009) 2009 2011 |
600 400 1 000 |
|
ООО «ЛУКОЙЛ-Пермнефтеоргсинтез», г. Пермь |
1970 (рекон. 2012) |
1 000 |
|
ООО «Газпромнефть-Омский НПЗ», г. Омск |
1971 (рекон. 2017) |
2 000 |
|
ОАО «НОВОЙЛ», г. Уфа, |
1956 (рекон. 2009) |
700 |
|
ОАО «Уфанефтехим», г. Уфа |
2009 |
1 200 |
|
ПАО «ТАНЕКО», г. Нижнекамск |
2016 2021 |
2 000 2 000 |
|
Антипинский НПЗ, г. Тюмень |
2017 |
200 |
|
ООО «ЛУКОЙЛ-Пермьнефтеоргсинтез», г. Пермь |
2015 |
1 100 |
В результате замедленного коксования получают как светлые фракции, так и кокс различных видов (игольчатый, анодный и т. д.). В работе [2] было изучено влияние параметров (вязкость, состав, индекс текучести расплава и т. д.) на свойства кокса с применением нейронных сетей.
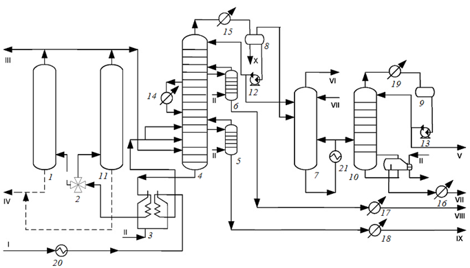
На рис. 1 представлена технологическая схема процесса УЗК.

Рис. 1. Технологическая схема установки замедленного коксования:
1, 11 – коксовые камеры; 2 – четырехходовой кран; 3 – печь; 4 – колонна фракционирования;
5, 6 – отпарные колонны; 7 – фракционирующий абсорбер; 8, 9 – емкости; 10 – колонна стабилизации бензина;
12, 13 – насосы; 15–19 – холодильники; 14, 20, 21 – теплообменники;
I – сырье; II – водяной пар; III – пары отпарки камер; IV – кокс; V – сжиженный газ с легким бензином;
VI – газ; VII – стабильный бензин; VIII – легкий газойль; IX – тяжелый газойль; X – конденсат
Fig. 1. Technological scheme of the delayed coking plant:
1, 11 – coke chambers; 2 – four–way crane; 3 – furnace; 4 – distillation column;
5, 6 – steam columns; 7 – fractionating absorber; 8, 9 – tanks; 10 – gasoline stabilization column;
12, 13 – pumps; 15-19 – refrigerators; 14, 20, 21 – heat exchangers;
I – raw materials; II – water vapor; III – steam stripping chambers; IV – coke; V – liquefied gas with light gasoline;
VI – gas; VII – stable gasoline; VIII – light gas oil; IX – heavy gas oil; X – condensate
На установку поступает сырье, проходит через насос (не указан на схеме), теплообменник 20 и направляется в колонну фракционирования 4, в которую также направляются пары коксования от камер коксования. В колонне фракционирования происходит разделение сырья на газ, бензиновую фракцию, легкий и тяжелый газойль. Все продукты направляют на дальнейшую переработку в другие цеха. Кубовая часть колонны фракционирования направляется с низа колонны в печь 3, предварительно смешиваясь с водяным паром II (или питательной водой). После печи нагретый поток направляется в блок камер коксования через четырехходовой кран 2, который переключается при заполнении одной колонны на другую 1, 11. Процесс коксования в одной колонне длится 18 ч, в результате процесса пропарки кокса в камере образуются пары коксования, которые направляются в колонну фракционирования 4. Пропаренный и отставший кокс выгружается из камеры с применением гидрорезака (выгрузка за счет высокого напора струи воды). Кокс IV переходит в коксовые бункеры, отстаивается от воды и направляется на хранение.
Процесс в УЗК сопровождается высокими температурами, высоким давлением в системах, механическими передвижениями, что представляет опасность для окружающей среды. Именно поэтому данный процесс необходимо оснастить интеллектуальными системами прогнозирования.
На данный момент применение нейросетевого моделирования находит все более широкое применение в технике и технологиях [3]. В работе [4] предложено применение нейронной сети для моделирования газотурбинных установок. В работе [5] представлена модель, которая прогнозирует показатели качества выходных продуктов и построена на основе искусственной нейронной сети. Нейросетевая модель применяется для верификации значений измеряемых параметров при интеграции интеллектуальной системы поддержки принятия решений [6]. Было произведено моделирование процесса дегидрирования метилбутенов в изопрен [7]. В работе [8] предложено применение нейросетевой модели непосредственно при управлении процессом термохимического обезвоживания нефтяных эмульсий.
В исследованиях [9] представлена искусственная нейронная сеть, моделирующая УЗК. Авторы [10] представили моделирование УЗК с применением сразу двух подходов: применение обобщенной регрессионной нейронной сети и алгоритм ДНК на основе двойной цепи. В результате была получена модель, которая используется для прогнозирования и оптимизации процесса.
Все это говорит об актуальности исследования и применения нейронных сетей, нейросетевого моделирования в процессах нефтепереработки [11–16], особенно для процесса замедленного коксования.
Экспериментальная часть
В результате исследования процесса замедленного коксования была выявлена зависимость изменения выхода продуктов от количества подаваемой питательной воды.
Для экономической оценки применения модели предлагается технико-экономическое обоснование проекта, расчет был выполнен с учетом текущей стоимости продуктов установки (на 2023 г.) и численности 85 человек (табл. 2).
Таблица 2
Table 2
Технико-экономические показатели работы УЗК
при максимальной и минимальной подаче питательной воды
Technical and economic indicators of DCU
operation at maximum and minimum feed water supply
|
Показатель |
Данные аналога |
Данные проекта |
Данные проекта |
|
Годовая мощность установки, т |
2 000 000,00 |
2 000 001,31 |
|
|
Выход светлых фракций, % |
58,32 |
70,52 |
70,66 |
|
Себестоимость 1 т продукции, руб./т |
15 517,74 |
15 321,08 |
15 490,03 |
В результате расчета технико-экономического обоснования было выявлено следующее:
– при изменении расхода подаваемой питательной воды в процесс происходит изменение выхода светлых фракций (нестабильной нафты, легкого газойля), что отражается на конечной выручке предприятия (чем выше выход нестабильной нафты и легкого газойля, тем выше валовая выручка предприятия (нестабильная нафта и легкий газойль направляются на дальнейшую переработку));
– себестоимость 1 т целевого продукта при максимальной подаче питательной воды на 1,3 % меньше, чем себестоимость 1 т целевого продукта согласно аналогу, при этом экономический эффект от снижения себестоимости положительный;
– себестоимость 1 т целевого продукта при минимальной подаче питательной воды на 0,7 % больше, чем себестоимость 1 т целевого продукта согласно аналогу, при этом экономический эффект от снижения себестоимости отрицательный.
Для получения исходных данных для моделирования установки замедленного коксования с применением нейронных сетей была построена расчетная схема УЗК в программном комплексе UniSim Design (рис. 2).

Рис. 2. Расчетная схема установки замедленного коксования в пакете UniSim
Fig. 2. The design scheme of the delayed coking unit in the UniSim package
Данная схема позволяет варьировать исходные данные (расход сырья, состав сырья, его технологические параметры и т. д.) и через короткое время после расчета всей схемы наблюдать за изменениями в выходах продукта, его составе и других технологических параметрах.
Для создания нейросетевой модели процесса замедленного коксования было использовано приложение Neural Network Toolbox программного комплекса MatLab, отличающееся легкостью в работе, быстрым алгоритмом расчета и доступностью в применении (одна из редких программ, имеющая онлайн-версию).
Благодаря расчетной модели замедленного коксования в программном комплексе UniSim Design были получены данные для построения нейронной сети. Согласно работе [10], для получения лучшего результата необходимо моделировать процесс по каждому показателю отдельно (при этом средняя погрешность будет на порядок выше).
Ввиду небольшого количества данных была построена зависимость этих данных от расхода питательной воды и для каждого показателя рассчитано уравнение с целью получения большого массива данных для построения модели с низкой погрешностью.
В табл. 3 представлен исходный массив данных для обучения нейронной сети, содержащий данные о давлении гудрона, расходе питательной воды, содержании серы в коксе, выходе продуктов – кокса и «потерь».
Таблица 3
Table 3
Исходный массив данных для обучения нейронной сети
The initial data set for training a neural network
|
№ |
Давление гудрона, кгс/см2 |
Расход |
Содержание серы |
Выход кокса, |
Выход потери, |
|
1 |
0,2 |
1 088,6 |
2,22 |
21,5 |
511,873 |
|
2 |
0,4 |
1 089 |
2,33 |
27,0 |
512,2827 |
|
3 |
0,3 |
1 090 |
1,41 |
21,0 |
513,307 |
|
… |
… |
… |
… |
… |
… |
|
2113 |
0,6 |
3 200 |
0,62 |
26,5 |
2 674,58 |
Для нейронной сети данные разделяются на обучающие, проверочные и тестовые наборы:
– 70 % на обучение;
– 15 % для проверки того, что сеть обобщает, и для остановки обучения перед переобучением;
– 15 % для независимой проверки обобщения сети.
Для нейронной сети был выбран алгоритм Левенберга – Марквардта (метод оптимизации, направленный на решение задач о наименьших квадратах). Производительность модели близится к 0, что говорит о хорошей обучаемости и эффективности модели.
Результаты
Результаты расчета нейронной сети для определения потерь в процессе замедленного коксования и результаты тестирования нейронной сети представлены на рис. 3.

Рис. 3. Результаты расчета нейронной сети для определения потерь и результаты тестирования нейронной сети
Fig. 3. The results of calculating the neural network for determining losses and the results of testing the neural network
График производительности нейронной сети для определения потерь представлен на рис. 4.

Рис. 4. График производительности нейронной сети для определения потерь
Fig. 4. Neural network performance graph for determining losses
Критерий MSE представляет собой среднеквадратическую ошибку между предсказанными и реальными значениями. Чем меньше критерий MSE, тем лучше обучена модель. Для данной нейронной сети получен критерий MSE близкий к 0, модель обучена достаточно эффективно.
Критерий R (см. рис. 3) представляет собой коэффициент детерминации или долю дисперсии зависимой переменной, объясняемая зависимость рассматриваемой моделью. Чем ближе критерий R к единице, тем лучше обучена модель.
На рис. 4 представлен график производительности нейронной сети. Согласно данному графику регрессии можно сделать вывод о том, что нейронная сеть обучилась практически на 100 %, т. к. для идеальной подгонки данные должны располагаться вдоль линии под углом 45º, где выходные данные сети равны откликам, что есть на представленных графиках.
Была произведена проверка нейронной сети для определения потерь. В результате запроса численного количества потерь при подаче питательной воды в количестве 1 300 кг/ч нейросеть выдала значение 728,4119, что соответствует исходным данным. Это еще раз подтверждает адекватность модели.
Заключение
В статье приведены результаты нейросетевого моделирования установки замедленного коксования. При создании расчетной схемы установки была выявлена зависимость изменения выхода продуктов от расхода питательной воды. Была создана нейросетевая модель установки на языке программирования MatLab на основе данных, полученных в результате расчета установки замедленного коксования в программном комплексе Unisim Design.
Решение задач в области прогнозирования аварийных ситуаций, контроля и прогнозирования самого процесса с применением искусственного интеллекта, а именно нейронных сетей, вносит значительный вклад в моделирование, интенсификацию и оптимизацию химико-технологических процессов.
1. Bakhtadze N. N., Lototsky V. A. Knowledge-based models of nonlinear systems based on inductive learning // Intelligent Systems Reference Library. 2016. V. 98. P. 85–104.
2. Tun M. S., Lakshminarayanan S., Emoto G. Data Selection and Regression Method and Its Application to Softsensing Using Multirate Industrial Data // Journal of Chemical Engineering of Japan. 2008. V. 41. N. 5. P. 374–383.
3. Харитонова О. С., Бронская В. В., Зиннурова О. В., Фирсин А. А. Искусственный интеллект в процессе замедленного коксования: состояние и тенденции // Наука, технологии, общество – НТО-II-2022: сб. науч. ст. по материалам II Всерос. науч. конф. (Красноярск, 28–30 июля 2022 г.). Красноярск: Обществ. учрежд. «Краснояр. краевой Дом науки и техники Рос. союза науч. и инженер. обществ. об-ний», 2022. С. 88–91.
4. Шаровин И. М., Смирнов Н. И., Репин А. И. Применение искусственных нейронных сетей для адаптации САР в процессе их эксплуатации // Промышленные АСУ и контроллеры. 2012. № 4. C. 27–32.
5. Килин Г. А., Кавалеров Б. В., Бахирев И. В. Получение нелинейной модели ГТУ на основе нейронной сети // Автоматизация в электроэнергетике и электротехнике. 2015. Т. 1. С. 72–77.
6. Tun M. S., Lakshminarayanan S., Emoto G. Data Selection and Regression Method and Its Application to Softsensing Using Multirate Industrial Data // Journal of Chemical Engineering of Japan. 2008. V. 41. N. 5. P. 374–383.
7. Веревкин А. П., Слетнев М. С. Усовершенствованное управление (APC) нефтехимическим производством на основе многоуровневой нейросетевой системы поддержки принятия решений // Нефтегазовое дело. 2012. Т. 10. № 2. С. 61–64.
8. Шаймухаметов Д. Р., Мустафина С. А., Шаймухаметова Д. В. Прямое моделирование процесса дегидрирования метилбутенов в изопрен на основе искусственных нейронных сетей // Вестн. Технолог. ун-та. 2017. Т. 20. № 24. С. 123–126.
9. Артюшкин И. В., Максимов А. Е. Разработка автоматической системы управления процессом термохимического обезвоживания нефтяных эмульсий на основе искусственной нейронной сети // Вестн. Самар. гос. техн. ун-та. Сер.: Технические науки. 2017. № 1 (53). С. 7–15.
10. Zahedi G., Lohi A., Karami Z. A Neural Network Approach for Identification and Modeling of Delayed Coking Plant // International Journal of Chemical Reactor Engineering. 2009. V. 7. Iss. 1. DOI:https://doi.org/10.2202/1542-6580.1832.
11. Chen X., Wang N. Modeling a Delayed Coking Process with GRNN and Double-Chain Based DNA Genetic Algorithm // International Journal of Chemical Reactor Engineering. 2010. V. 8. Iss. 1. DOI:https://doi.org/10.2202/1542-6580.2192.
12. Деникеева А. У. Моделирование процесса получения газойля при помощи искусственной нейронной сети // Приоритетные научные направления: от теории к практике. 2016. № 26-1. С. 219–223.
13. Мухаметзянова А. Г., Бронская В. В., Харитонова О. С. Нейросетевое моделирование гидродинамики потока в колонных аппаратах с насадочными элементами // Вестн. Технолог. ун-та. 2021. Т. 24. № 12. С. 139–141.
14. Харитонова О. С., Бронская В. В., Бальзамов Д. С., Бальзамов Д. С., Костромин Р. Н., Игнашина Т. В., Гарифуллина Э. В. Применение искусственных нейронных сетей в нефтегазовой отрасли // Инновационные машиностроительные технологии, оборудование и материалы – 2022 (МНТК «ИМТОМ-2022»): материалы ХI Междунар. науч.-техн. конф. (Казань, 08 декабря 2022 г.). Казань: Акционер. о-во «Казан. науч.-исслед. ин-т авиац. технологий», 2022. С. 306–310.
15. Аминова Г. А., Мануйко Г. В., Бронская В. В., Игнашина Т. В., Захарова О. В., Дьяконов Г. С. Математическое моделирование процесса синтеза бутадиенового каучука на кобальт- и неодимсодержащих каталитических системах в каскаде реакторов с теплоотводом // Высоко-молекулярные соединения. Сер. Б. 2008. Т. 50. № 11. С. 2029–2034.
16. Benvenuta-Tapia J. J., Tenorio-Lopez J. A., Montiel C., Rios-Guerrero L. Kinetics of the anionic polymerization of buta-1,3-diene considering different reactivities of the cis, trans and vinyl structural units // Macromol. React. Eng. 2008. V. 22. N. 5. P. 436–451.



