Россия
Россия
Россия
Россия
УДК 629.5.064.5 Электрические установки
Обосновывается необходимость новых организационно-технических решений в судостроении по обеспечению качества судовых преобразовательных трансформаторов. Выполнен анализ требований Российского морского регистра судоходства, действующих ГОСТ к сухим трансформаторам, рассматривается опыт предприятий смежных отраслей и иностранных компаний, конструктивных особенностей силовых трансформаторов судовой системы электродвижения. Представлены результаты анализа требований к силовым трансформаторам судовых систем электродвижения, особенностей их конструкции и эксплуатации. Рассмотрены и проанализированы основные параметры преобразователей в рабочих и аварийных режимах. Предложены организационно-технические направления обеспечения повышенной надежности судовых преобразовательных трансформаторов. В отличие от преобразовательных трансформаторов для наземного транспорта, в судостроении отсутствуют нормативные документы для силовых преобразовательных трансформаторов. Действующие в судостроении нормативные документы не полностью учитывают специфику преобразовательных трансформаторов морского исполнения. Отмечены существующие основные особенности судовых преобразовательных трансформаторов. Высокие экономические потери при аварии судовых преобразовательных трансформаторов определяют более высокие требования к их электродинамической стойкости по сравнению с преобразовательными трансформаторами для наземного транспорта. В судостроении отсутствуют требования по определению напряжения частичного короткого замыкания и напряжения короткого замыкания, расщепления при испытаниях трансформаторов, необходимых для анализа их характеристик и режимов. При создании судовых преобразовательных трансформаторов необходимо с помощью компьютерного моделирования обосновать характерные режимы судовых трансформаторов, разработать методики измерения и расчета параметров выбранных режимов и выполнить расчеты процессов для наиболее вероятных аварий в системе «трансформатор – выпрямитель». С увеличением мощности судовых систем электродвижения разработка государственной нормативной документации для обеспечения качества производства и эксплуатации преобразовательных трансформаторов становится все более актуальной.
компьютерное моделирование, пропульсивный комплекс, цифровая модель, корабль, трансформатор
Introduction
Priority market products for the Russian shipbuilding industry are vessels for the Arctic, Northern Sea Route (NSR), cargo carriers and specialist vessels for inland waters, ships for serving Russian offshore fields of hydrocarbons [1].
The Russian Federation is the world leader in building icebreakers and ice-going ships. We operate a fleet of 40 medium- and large-sized icebreakers and ice-going vessels.
In addition to the three Pr. 22220 icebreakers (LK-60) intended to assist voyages through NSR, two more LK-60 vessels and a 120 МW icebreaker-leader are put under construction.
Today, there is a steady trend of growing number of electrically propelled vessels, which have no viable competitors in ice navigation satisfying the requirement for propeller drive overloads. If a steady increase persists, we can predict that electrical vessels will account for 15-20% of the total number of ordered ships.
Note that in most cases the unit capacity of propeller electric drives for vessels of this purpose are between 1.4 and 5.9 MW. The installed power levels of crane vessels and mining ships, as well as pipe-lay vessels are between 12.5 and 30 MV∙А, while half of that fleet has the power between 22-28.8 MV∙А.
Also, it should be noted that recently we have witnessed an increase in the capacity of integrated electric power systems (IEPS) for these ships, and at present the IEPS installed power together with the main ship consumers (production units, drilling systems, etc.) reaches 25-55 MW.
Requirements regarding ship electric propulsion system power transformers
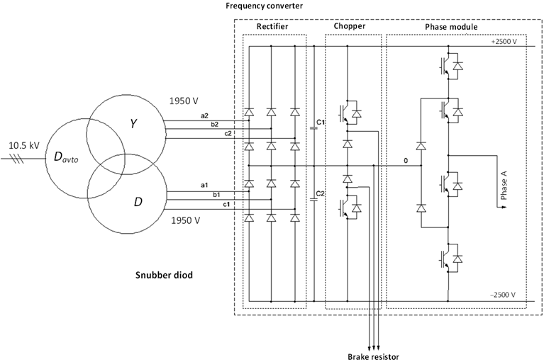
One of the ways to obtain the required sine-wave voltage on buses of the IEPS main switchboard is application of the rectification circuit to supply electric propulsion drive (Fig. 1, 2) with specially designed primary windings (circuit Davto – delta with extended sides) of power transformers (TV1, TV2 in Fig. 1), equivalent to a 24-pulse circuit. This grid is used in LK-60 icebreakers and excludes 5, 7, 11 and 13 harmonics from the frequency spectrum of voltage on the MSB (main switchboard) buses. Fig. 2 shows the supply circuit for one channel of the high-voltage frequency changer (HVFC), where the HVFC invertor consisting of three phase modules is represented by only A phase module for clarity.
In accordance with the adopted classification, the power transformers (PT) under consideration are dry-type three-phase converter PTs [2] intended for operation in macroclimatic areas with marine climate (marine transformers).
PTs comply with the requirements of Russian Maritime Register of Shipping (RS) for power transformers of electric propulsion systems (EPS) [3]. RS formulates general requirements for EPS power transformers and specifies additional requirements for electric equipment in the range 1000 V to 15 kV, including compliance with IEEC standard 60076-11 [4].
Fig. 1. Supply circuit of propeller electric drive
Since there is no dedicated regulatory document for converter PTs, it is allowed by the Interstate Standard (ISS) R 54827-2011 to apply its requirements in full or in part. However, it should be noted that this ISS standard was initially intended to consider dry-type transformers of general purpose and could not cover all particulars of converter PTs intended for marine use. ISS R 58115-2018 [5] and ISS R 16772-77 [6] provide a notable example of successful PT application practices in industry sectors other than mobile water transport.
Efforts to improve reliability of ship IEPS & EPS and ensure their fail-free operation emphasize the need for robust PTs and, therefore, it calls for drafting of state regulatory documents to provide the high quality of converter PTs developed for and operated in electric propulsion systems.
Fig. 2. Supply circuit of one channel of high-voltage frequency changer
Specific aspects of design and operation of converter transformers for ship electric propulsion systems
Unlike general purpose PTs designed for land-based operation, the converter PTs intended for shipboard service:
- Operate in equivalent multi-pulse circuits of rectification.
- Use partial transformer windings connection groups (call numbers characterizing the phase shift of similar line voltages of primary and secondary windings, see symbols in Fig. 1).
- Experience high risks of abrasive metal dust to settle on transformer windings during fitting jobs.
- Experience constant and rather heavy vibration.
- Have relatively frequent three-phase faults related to malfunctioning of HVFC power semiconductors.
- Have high fault current ratios, and, therefore, high electrodynamic forces in transformer windings.
- Have to meet stringent requirements for reliability of PT in electric propulsion systems because of no redundant units.
- Have to use labour consuming replacements of defective PT in electric propulsion systems during operation.
The winding circuits of three-phase converter PTs for electric propulsion systems shown in Fig. 1 are given in Fig. 3. Windings of each PT are arranged on three legs of the core. Windings of one phase of each PT consists of two secondary or valveside windings (VW) and one primary or power winding (PW) made up of two parallel branches, these are arranged on one core as shown in Fig. 4 for phase A.
This connection scheme is called “delta with extended sides” [7] or “sliding delta” [8].
In this connection scheme each phase of the winding is split into two branches with the number of turns w' and w''. Internal branches (w') are connected in delta, external circuit inputs, i.e. extended delta sides (w'') are connected with an electrical circuit (phases А, В, С in Fig. 3). By changing the number of turns w' and w'' one can obtain any angle between voltage vectors of one phase of primary and secondary winding from 0-30°.
In the PTs under consideration, the “sliding delta” connection together with different direction of PW of each PT provide an additional 15° shift for the similar vectors of VW line voltages of one PT relative to the other PT (Fig. 5).
Fig. 3. Winding circuits of converter transformers in electric propulsion system:
a – transformer connections with clock hour figure Davto / Y – D – 11.75 – 0;
b – transformer connections with clock hour figure Davto / Y – D – 10.5 – 11.25
Fig. 4. Winding circuit of one phase of EPS transformer
a b
Fig. 5. Voltage vector diagrams of primary and secondary PT windings in EPS:
a – transformer connections with clock hour figure Davto / Y – D – 11.75 – 0;
b – transformer connections with clock hour figure Davto / Y – D – 10.5 – 11.25
As it is seen in Fig. 4 and symbols of the PT scheme under consideration in Fig. 1-3 (Davto), the phases of PW have autotransformer connections. Therefore, in design of such power transformers one has to consider structural features of autotransformers.
Different numbers of turns in phase legs of PW cause a phase shift in legs. In this case the line and phase currents of the circuit under consideration are related by
(under symmetrical conditions) [7, 9]. The latter leads to different cross-sections of PW phase legs. These specific features not only complicate manufacturing of these windings but also impose more stringent requirements on calculation of PT electrodynamic withstand.
Significant difference of instant currents in winding sections under normal operation and accidental modes of HVFC brings about different stray magnetic fields and related leakage inductive reactance of the transformers under consideration. It has a great influence on current distribution in parallel branches and winding conductors, stray load losses, including losses caused by higher harmonics [10]. This current distribution defines a complicated pattern of magnetic field at short circuiting, which along with fault current determines a withstand of transformer windings [11]. It emphasizes the need for full-scale electrodynamic withstand tests of prototype converter PTs, development of test methods and set-up of regional inter-sector shock proof facilities, as mentioned in [12].
Characteristics of rectifiers in operating and accidental models depend on specific inductive and active resistance of transformer windings. The concept of fault voltage, and, therefore, short circuiting of the transformer, as per ISS 16110-82, is not sufficient for the analysis of these characteristics and modes [13]. In this connection additional notions for short circuiting of converter transformers have been introduced in ISS 16772-77 [6, 10] (Table).
Explanation of terminology used in ISS 16772-77
|
Term |
Definition |
Notes |
|
Through fault voltage of transformer |
Fault voltage of a pair of windings (power and valveside windings) with all parts of valveside winding short circuited, as per ISS 16110 |
It determines the level of fault current, power factor and voltage variations under normal operation. The required voltage value is defined by the need to limit fault current at short circuiting of rectifier busbars. This parameter is used for calculation of fault currents to select electric protection settings |
|
Partial fault voltage |
Phase-to-phase voltage that should be applied to outputs of transformer power winding to set a rated current at short circuiting of one part of valveside winding that is not connected galvanically with other parts being open-circuited |
In case of breakthrough of a single rectifier valve, the current is limited by partial fault resistance. This parameter is important for electrodynamic withstand of the transformer and reliable tripping at breakthrough of a single rectifier valve |
|
Fault voltage of transformer |
Phase-to-phase voltage to be applied to transformer PW terminals for setting the nominal current in PW at short-circuited parts of the valve winding with same connection scheme, which are involved in concurrent switching at nominal conditions, and at other parts of the valve winding being open |
In multi-pulse rectification circuits there is concurrent switching of some valves. In this case the voltage drop at rectifier is defined by the fault voltage of switching. Minimization of the fault voltage reduces the rectified voltage drop and improves the power factor. At parallel connection of rectifiers the switching resistance with the split-up resistance ensures restriction of equalizing currents |
|
Fault voltage |
Voltage to be applied to one of the VW parts not connected galvanically for setting the current in the same part corresponding to nominal power of the power winding, and the other part of the same winding short-circuited, and power winding and other parts of valve winding being open |
This parameter shows the level of mutual influence between VW parts (desirably, the maximum possible split-up resistance should be ensured). At parallel connection of rectifiers the the split-up resistance with switching resistance ensures restriction of equalizing currents |
The fault voltages mentioned in Table are the main parameters determined from tests of converter PTs, which give inputs for calculation of magnetization and stray inductance.
Knowledge of these rectifier PT parameters is very important for studying normal transient and accidental processes using computer simulations during the design of IEPS and EPS for working out electrical protection, its tuning, and verification of electromagnetic compatibility for IEPS and EPS equipment.
At present in the development of ship’s converter PTs the “fault voltage” is determined, which should be called the “through fault voltage” as per terminology of ISS 16772-77.
It is required to justify the typical modes of PTs and develop the methods for measuring and calculating PT parameters to satisfy the chosen operating conditions. There is also a need for justification of parameters and modelling procedures for PTs as a part of EPS rectifier devices.
It should be noted that the existing methods based on analytical estimation of fault currents allow calculations of only symmetrical short circuits on transformer VW. There are many more potential accidents when PTs operate as a part of EPS rectifier devices. The most probable accidents in case of unreliable protection in rectifier circuits range from breakthrough of a single valve with asymmetric two-phase short circuit to faults of other valves with transit to a three-phase short circuit.
In order to ensure reliability of these systems and support the design and tuning of electric protection against fault currents it is required to calculate the processes involved in the most probable accidents in the transformer-rectifier system. From the engineering and economic perspective, the only effective method for this purpose is computer simulations.
It is important to note that unlike converter transformers for railway DC substations (as example), failures of shipboard PTs cause multiple losses associated with shortfall in profits because the ship is not used for its intended purposes, subject to docking, removal of functional equipment and hull structures for transformer replacement [12]. For this reason the reliability requirement, primarily the electromagnetic withstand of ship rectifier PTs, should be more stringent.
Conclusions
- There are no specific regulatory documents in shipbuilding regarding PTs, therefore, application of general requirements for dry-type transformers is allowed, failing to take full account of aspects specific to marine PTs. For this reason it is highly important to justify the need for state normative documentation to ensure high quality of design and operation of EPS converter transformers.
- The main specific features of converter PTs are related to their operation as a part of multi-pulse rectification circuits and the use of partial winding connection schemes.
- In the PT design it is required to consider structural details associated with autotransformer connections of power windings. The complex pattern of magnetic field distribution at short circuiting defines electrodynamic withstand of transformer windings, which underscores the importance of full-scale tests for converter PT prototypes, development of relevant test methods and setup of regional inter-sectorial shock-proof test facilities.
- For the analysis of converter PT characteristics and modes it is required, in addition to the through fault voltage, to determine partial fault voltage and split-up fault voltage during their tests.
- In order to ensure the reliability of ship EPS, support the design and tuning of electric protection against fault currents it is required to justify the typical modes of converter PTs in the EPS, develop methods for measuring and calculation of parameters for the chosen transformer modes, which should be used for calculating the processes involved in the most probable accidents in the transformer-rectifier system.
- More stringent requirements should be imposed on the electrodynamic withstand of ship PTs as compared to converter PTs intended for other applications.
1. Савченко О. В., Ляпидов К. С., Половинкин В. Н. и др. Новые возможности развития судовых систем электродвижения. СПб.: Изд-во Крылов. гос. науч. центра, 2022. 100 с.
2. ТУ 3411-003-4769518-2004. Трансформаторы силовые сухие трехфазные общего назначения и преобразовательные. Технические условия. СПб.: Электрофизика, 2004. 16 с.
3. НД № 2-020101-174. Правила постройки и классификации морских судов. Ч. XI. Электрическое оборудование. СПб.: Изд-во РМРС, 2023. 416 с.
4. ГОСТ Р 54827-2011 (МЭК 60076-11:2004). Трансформаторы сухие. Общие технические условия. М.: Стандартинформ, 2013. 33 с.
5. ГОСТ Р 58115-2018. Трансформаторы преобразовательные с высшим напряжением от 6 до 110 кВ для железнодорожных тяговых подстанций. Общие технические условия. М.: Стандартинформ, 2018. 41 с.
6. ГОСТ 16772-77. Трансформаторы и реакторы преобразовательные. Общие технические условия. М.: Изд-во стандартов, 1999. 31 с.
7. Назаров С. Л., Удинцев В. Н., Бычков С. А. и др. Преобразователи числа фаз в электротехнологии: учеб. пособие. Екатеринбург: Изд-во УрФУ, 2019. 194 с.
8. Алексенко Г. В. Параллельная работа трансформаторов и автотрансформаторов. М.; Ленинград: Энергия, 1967. 607 с.
9. Булгаков Н. И. Группы соединения трансформаторов. М.: Энергия, 1977. 81 с.
10. Силовые трансформаторы / под ред. С. Д. Лизунова, А. К. Лоханина. М.: Энергоиздат, 2004. 614 с.
11. Щурская Т. В. Методы и средства повышения надежности силовых трансформаторов тяговых подстанций электрических железных дорог: дис. ... д-ра техн. наук. Ростов н/Д.: Изд-во РГУПС, 2002. 314 с.
12. Калинин И. М., Савченко О. В., Хмель М. Ю. Испытания, проверки и диагностическое обеспечение судовых силовых трансформаторов среднего напряжения // Тр. Крылов. гос. науч. центра. 2022. Вып. 2 (400). С. 103-115. DOI:https://doi.org/10.24937/2542-2324-2022-2-400-103-115.
13. ГОСТ 16110-82. Трансформаторы силовые. Термины и определения. М.: Изд-во стандартов, 1992. 42 с.



