Россия
Россия
Россия
УДК 62-523.3 электрогидравлические
Рассмотрены состав и принципы управления рулевых электрогидравлических машин простого и следящего типа, предназначенных для перекладки руля маломерных и скоростных судов. Выполнен анализ функционирования существующих рулевых машин для указанной группы судов. Сформированы недостатки в работе, связанные с элементной базой и составом систем управления и электропривода проанализированных рулевых машин. Показаны особенности работы гидравлических станций с приводными электродвигателями насосов, выполненных на постоянном токе, выявленные в результате экспериментов. Предложены варианты технических решений для улучшения энергетических показателей электропривода. Проведен сравнительный анализ работы рулевых машин с приводами на переменном и постоянном токе. Дана оценка работы рулевых машин в штатном и аварийном режимах. Предложены структурные схемы систем управления простого и следящего действия с учетом выявленных при анализе особенностей работы и требований Российского классификационного общества. Показана возможность реализации электропривода рулевой машины, построенного по системе «преобразователь частоты – асинхронный двигатель» с питанием от сети переменного тока и аварийного источника. Предложены варианты реализации электроприводов насосов гидростанций с аккумуляторной батареей повышенного напряжения. Представлена возможность создания отечественных установок для рулевых и других судовых механизмов по предложенным структурным схемам систем управления гидростанциями для скоростных судов. Даны рекомендации построения рулевых машин для скоростных судов с полным водоизмещением до 100 т при использовании электрооборудования отечественного производства.
судовое рулевое устройство, система управления рулевой машиной, рулевой электропривод насоса гидравлической системы, следящая рулевая система, электропитание рулевой машины
Введение
Рулевые машины (РМ) относятся к средствам управления судном, к которым предъявляются особые требования Российского классификационного общества (РКО) [1]. Наряду с различными типами конструкций РМ наибольшее распространение получили электрогидравлические РМ, построенные на базе гидроцилиндров.
Российское производство предлагает гидравлические РМ в большом ассортименте с различной производительностью и большими значениями крутящего момента (ОА «Завод им. Гаджиева», ПАО «Пролетарский завод»). Для судов малого водоизмещения до 100 т применяют компактные РМ с двумя основными типами систем управления: простым и следящим. Следящие системы управления в основном имеют зарубежное происхождение, (например, фирмы Kobelt, Fluidmecanica, Navis и др.) [2–5].
Методы и объект исследования
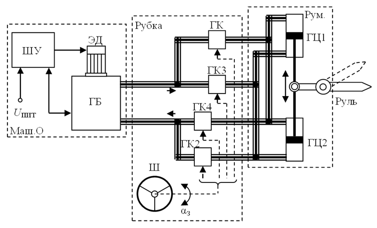
На рис. 1 представлена структурная схема электрогидравлической РМ с простой системой управления. Запуск РМ выполняется системой автоматики, расположенной в шкафу управления (ШУ), от которого получает питание электродвигатель (ЭД) насоса. Гидравлический насос, установленный в гидравлическом баке (ГБ), создает давление рабочей жидкости, которая поступает по трубкам высокого давления от ГБ в рубку судна. В рубке установлен штурвал (Ш) и гидроклапаны (ГК) управления потоком рабочей жидкости. При повороте Ш на правый или левый борт попарно открываются соответствующие клапаны ГК и жидкость поступает в полости гидроцилиндров (ГЦ). Происходит перекладка руля. При возврате штурвала Ш в нейтральное состояние положение руля сохраняется и контролируется по аксиометру. Такая система управления РМ довольно проста, однако возникают сложности при монтаже трубопроводов гидросистемы, которые необходимо смонтировать по всему корпусу судна от гидростанции до штурвала. Эксплуатация и ремонт таких систем управления крайне затруднены из-за скрытого расположения трубопроводов.
Рис. 1. Структурная схема электрогидравлической РМ с простым управлением
Fig. 1. Structural diagram of electro-hydraulic steering machine with simple control
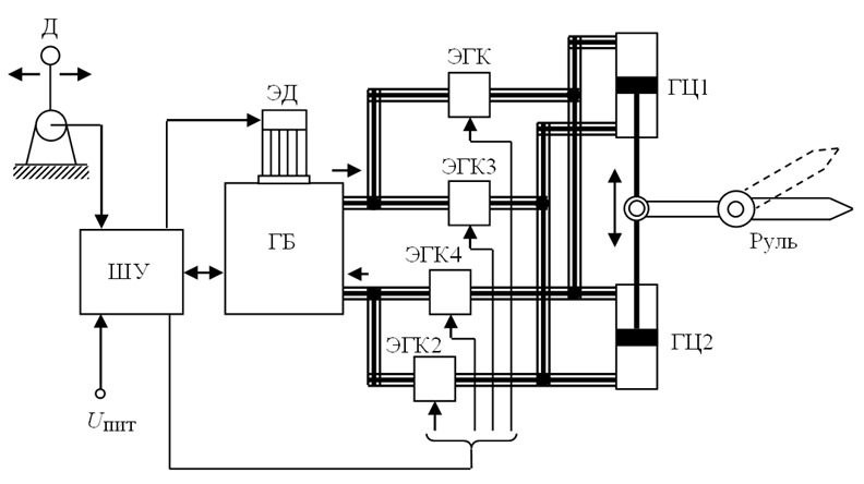
Более удобной для монтажа является электрогидравлическая РМ с электрической системой управления.
При реализации простого электрического управления (рис. 2) используется переключатель – джойстик (Д) для включения электрогидроклапанов (ЭГК), которые, в свою очередь, подают рабочую жидкость в соответствующую полость ГЦ для перекладки руля на тот или другой борт.
Рис. 2. Структурная схема электрогидравлической РМ с простой электрической системой управления
Fig. 2. Structural diagram of electro-hydraulic steering machine with simple electric control system
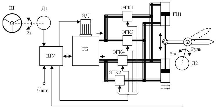
Следящая система (рис. 3) построена на базе датчика угла поворота Д1, встроенного в штурвал,
и датчика угла поворота Д2, установленного на баллере руля. За счет управления ЭГК система позволяет выполнить поворот руля на угол αОС, заданный штурвалом Ш (αЗ) с определенной точностью.
Рис. 3. Структурная схема электрогидравлической РМ со следящей системой управления
Fig. 3. Structural diagram of an electro-hydraulic steering machine with a servo control system
В советское время следящие электроприводы были выполнены на базе датчика и приемника, работающие в системе синхронной передачи угла поворота сельсинов, в том числе в разработках типа «Аист» и «Печера» [6–9]. Эти системы управления построены на сельсинах, магнитных усилителях и многомашинных преобразователях, достаточно сложны в изготовлении, громоздки, трудны в наладке и обслуживании, они содержат многочисленные контакты, которые снижают надежность системы, а в следящем режиме при подходе руля в крайнее положение возникает разность в углах перекладки двух рулей (до 10 град) [6–15]. Кроме того, такие системы давно не выпускаются, а комплекты запасных инструментов и принадлежностей исчерпаны. В настоящее время зарубежными фирмами, например Kobelt, Fluidmecanica, выпускаются более простые системы с резистивными задатчиком и датчиком обратной связи. Однако, исходя из опыта эксплуатации, такие системы имеют существенный недостаток – использование потенциометров, снижающих точность и надежность РМ.
Следящими системами управления, как правило, оснащают скоростные суда для обеспечения лучшей управляемости. В последнее время следящие системы выполнены с применением микроконтроллеров, которые позволяют выполнить более сложные алгоритмы управления РМ, например ограничение угла поворота руля в зависимости от скорости движения судна.
Результаты исследований
Исходя из требований правил РКО, судно должно иметь основную и резервную РМ, при этом механизм поворота руля может иметь общие конструктивные элементы. В качестве приводного двигателя насоса основной РМ возможно использование главного (маршевого) двигателя либо ЭД, установленного на ГБ. На рис. 4 приведена структурная схема с приводом насоса (Н) гидростанции основной РМ от главного двигателя (ГД), а гидростанции резервной РМ – от ЭД. Каждая система имеет ГБ, ЭГК и ШУ. В соответствии с правилами РКО основная и резервная РМ имеет собственный фидер питания и отдельные органы управления – штурвал (Ш) и джойстик (Д). В панели управления РМ, установленной в пульте судоводителя, расположена светосигнальная аппаратура и переключатель (П) выбора РМ, которую необходимо ввести в действие.
Существуют электрогидравлические РМ с электроприводами насосов как основной, так и резервной гидростанции. Также возможно исполнение основной и резервной РМ с одинаковым способом управления – простыми или следящим.
В ряде случаев в качестве приводного двигателя насоса используют ЭД постоянного тока с номинальным напряжением 24 В. Это объясняется наличием сети постоянного тока напряжением 24 В и удобным переключением питания ЭД на аварийный источник – аккумулятор. Однако исследования доказали, что при запуске ЭД постоянного тока возникает пусковой ток значительной величины, который оказывает влияние на напряжение питающей сети. При этом отключается электрооборудование, получающее питание от этой сети. Существует несколько вариантов решения этой проблемы: ограничение пускового тока или обеспечение плавного пуска ЭД, подключение питания приводного ЭД к отдельному источнику, установка буферной аккумуляторной батареи в цепь питания ЭД. Вследствие установки дополнительного оборудования неизбежно будут увеличиваться массогабаритные показатели системы в целом, что при проектировании скоростных судов является неприемлемым.
Рис. 4. Структурная схема электрогидравлической РМ с основной и резервной гидростанциями
Fig. 4. Structural diagram of an electro-hydraulic steering machine with a main and a backup hydraulic station
Следует отметить, что для большинства судовых ЭД постоянного тока напряжением 24 В, выпускаемых отечественной промышленностью, номинальным режимом работы двигателей является повторно-кратковременный режим S2 и выше (от продолжительности включения – 25 %). Судовые ЭД с длительным режимом работы S1 (продолжительность включения – выше 60 %) выпускаются зарубежной промышленностью. Поэтому при использовании отечественных ЭД необходимо завышать их мощность, а в ряде случаев обеспечивать внешнее охлаждение. Такие решения неизбежно приводят к увеличению массогабаритных показателей гидравлической станции по сравнению с установками зарубежного производства со схожими показателями гидравлической системы.
Использование асинхронных двигателей, работающих в режиме S1, позволяет снизить массогабаритные и стоимостные показатели. Однако применение ЭД переменного тока требует наличия сети переменного тока и решения вопроса обеспечения питанием ЭД в аварийных режимах работы судна, когда источник переменного тока не работает.
Схема варианта реализации гидравлической станции с двумя ЭД насосов разного рода тока приведен на рис. 5. В штатных режимах работы судна будет работать ЭД переменного тока М1, а в аварийных – постоянного тока М2 от аккумуляторной батареи в течение ограниченного времени. Исходя из требования правил РКО, энергии аварийного источника должно быть достаточно для работы РМ не менее 30 мин.
Рис. 5. Структурная схема электрогидравлической РМ с приводами насосов основной
и резервной гидростанций от электродвигателей разного рода тока
Fig. 5. Structural diagram of an electro-hydraulic steering machine with pump drives of the main
and backup hydraulic stations from electric motors of various types of current
Также заслуживает внимания вариант реализации электропривода РМ с питанием от сети переменного тока и аварийного источника. Такой электропривод построен по системе «преобразователь частоты – асинхронный двигатель» (ПЧ – АД) (рис. 6). Преобразователь частоты позволяет выполнить плавный разгон ЭД насоса и исключить бросок тока при пуске [12, 16]. В штатном режиме работы ПЧ электроэнергия поступает к ЭД через выпрямитель (В) и инвертор (И). При этом аккумуляторная батарея (АКБ) повышенного напряжения, выполняющая роль аварийного источника, будет заряжаться от выпрямителя (В).
При отключении основного питания от генератора G происходит автоматическое переключение питания на АКБ. В зависимости от номинального значения напряжения питания ЭД АКБ может состоять из 25 аккумуляторов напряжением 12 В при Uном = 220 В или из 43-х при Uном = 380 В. Емкость таких аккумуляторов будет зависеть от номинальной мощности ЭД и времени его работы. Например, для ЭД 5,5 кВт с напряжением 380 В при работе в течение 30 мин емкость АКБ будет составлять 5 А·ч. Несмотря на увеличение массогабаритных показателей РМ, надежность РМ будет существенно повышена.
Рис. 6. Структурная схема электрогидравлической РМ с приводом насоса от электродвигателя переменного тока
и аварийным источником питания повышенного напряжения
Fig. 6. Structural diagram of an electro-hydraulic steering machine with a pump drive from an AC motor
and an emergency high voltage power supply
Кроме того, установленные ПЧ и АКБ для основной РМ могут быть использованы для питания электропривода резервной РМ, что приведет к снижению массогабаритных показателей для РМ в целом по сравнению с вариантами, рассмотренными ранее.
Заключение
Анализ существующего судового электрооборудования, предлагаемого на российском рынке, и судовых систем управления РМ позволяет сделать вывод о том, что существует возможность создания отечественных электрогидравлических установок для рулевых и других судовых механизмов по предложенным структурным схемам систем управления гидростанциями для скоростных судов.
1. Правила классификации, постройки и освидетельствования судов ВВП, судов смешанного (река - море) плавания, плавучих объектов. URL: https://rfclass.ru/izdaniya-rko/pravila-klassifikatsii-postroyki-i-osvidetelstvovaniya-sudov-vvp-sudov-smeshannogo-reka-more-plavaniya-plavuchikh-obektov/ (дата обращения: 20.05.2023).
2. Related Manuals for Kobelt 7173-K. URL: https://www.manualslib.com/manual/1551631/Kobelt-7173-K.html#manual (дата обращения: 20.05.2023).
3. Техническое описание системы управления РМ. URL: https://fluidmecanica.com/en/menu/steering-gears/ (дата обращения: 22.06.2023).
4. Система управления рулевым гидроприводом Navis ST5000. URL: https://navis.spb.ru/katalog/sistema-upravleniya-rulevym-gidroprivodom-st5000/ (дата обращения: 22.06.2023).
5. Скиданчук А. И. Гидравлические рулевые машины и гидропривод. Киев: Изд-во КГАВТ, 2007. 35 с.
6. Харин В. М., Декин Б. Г., Занько О. Н., Писклов В. Т. Судовые вспомогательные механизмы и системы. М.: Транспорт, 1992. 319 с.
7. Завиша В. В., Декин Б. Г. Судовые вспомогательные механизмы. М.: Транспорт, 1984. 392 с.
8. Рулевой автоматизированный электропривод: учеб.-метод. пособие / сост. А. М. Ханнанов, К. В. Чупина. Владивосток: Изд-во ДВФУ, 2018. 47 с.
9. Шмаков М. Г. Рулевые устройства судов. Л.: Судостроение, 1968. 364 с.
10. Мельников М. А., Плющаев В. И. Исследование влияния погрешностей измерения навигационных параметров на качество процесса управления безэкипажным судном // Науч. проблемы вод. трансп. 2022. № 73. С. 196-205. https://doi.org/10.37890/jwt.vi73.326.
11. Вагущенко Л. Л., Цымбал Н. Н. Системы автоматического управления движением судна. Одесса: Фенікс, 2007. 328 c.
12. Фрейдзон И. Р. Судовые автоматизированные электроприводы и системы. Л.: Судостроение, 1988. 472 с.
13. Богословский А. П., Певзнер Е. М., Туганов М. С. и др. Системы тиристорного управления судовыми электромеханизмами. Л.: Судостроение, 1978. 232 с.
14. Бурмака И. А., Кирис А. В., Козьминых Н. А. Судовые энергетические установки и электрооборудование судов: учеб. Одесса: Изд-во ОНМА, 2013. 136 с.
15. Дейнего Ю. Г. Эксплуатация судовых механизмов и систем. М.: Моркнига, 2012. 344 с.
16. Дементьев Ю. Н., Чернышев А. Ю., Чернышев И. А. Электрический привод. Томск: Изд-во ТПУ, 2013. 224 с.



