Россия
Россия
Россия
Рассмотрено решение актуальной научно-технической задачи в области информационной безопасности – задачи обнаружения электромагнитных излучений, создаваемых вычислительной техникой, в рамках ис-следования наличия таких излучений в бытовой электрической сети. Показана разработка интерфейса согласования программно-определяемой радиосистемы с бытовой электрической сетью и предложена методика оценки объема исследуемого излучения в ней. Изготовлены два согласующих устройства: первое выделяет дифференциальную переменную высокочастотной составляющей, второе – синфазную. Для отделения низкочастотной составляющей и отсечения высокого низкочастотного напряжения были применены высоковольтные керамические конденсаторы. Для защиты входа от возможных высоковольтных импульсов и помех, а также половины напряжения сети были использованы согласующие трансформаторы на высокочастотном феррите. Компоненты устройств согласования размещены внутри сетевых вилок, а для подключения приемника используются выведенные наружу разъемы SMA. В качестве дополнительного механизма защиты входных цепей приемника разработан полосовой фильтр, полоса пропускания которого составила 50–500 МГц. Данный диапазон с запасом перекрывал необходимый участок частот. Использование фильтра позволило дополнительно защитить вход SDR приемника от высоковольтных и широкополосных помех сети, а также снизить влияние возможных сторонних излучений на АЦП приемника. Предложены алгоритм и методология регистрации, измерения и сравнения некоторых количественных параметров электромагнитных излучений, создаваемых вычислительной техникой. Выявленные закономерности указывают на то, что слабые сигналы исследуемых излучений, транслируемые в эфир, являются потенциально менее энерговооруженной угрозой информационной безопасности, нежели электромагнитные излучения, попадающие в электрические сети.
электромагнитные излучения, вычислительная техника, программно-определяемая радиосистема, фильтр, радиообстановка, корреляционный анализ, спектрограмма
Введение
На современном этапе развития информационных технологий обнаружение электромагнитных излучений, создаваемых вычислительной техникой, является актуальной научно-технической задачей в области информационной безопасности [1–6].
В данной работе рассмотрено решение этой задачи в рамках исследования наличия таких излучений в бытовой электрической сети, а именно разработка интерфейса согласования программно-определяемой радиосистемы с бытовой электрической сетью и методика оценки их объема в ней.
Электромагнитные излучения, порождаемые вычислительной техникой, модулируют в себе информацию, обрабатываемую этой техникой. Прием и получение таких промодулированных сигналов приводит к раскрытию конфиденциальности обрабатываемой информации. Современное развитие элементной базы, оборудования и программного обеспечения обработки информации позволяет не только выявлять и локализовывать источники электромагнитных излучений, создаваемых вычислительной техникой, но и с некоторыми потерями восстанавливать информацию, обрабатываемую посредством такой техники [7–9], что, в свою очередь, является непосредственно угрозой информационной безопасности.
Так как исследуемые электромагнитные излучения по своей природе присутствуют в широком диапазоне радиочастот [7, 9], целесообразным инструментом для их исследования являются программно-определяемые радиосистемы (SDR), которые представляют собой набор программных и специальных аппаратных средств, позволяющих решать задачи анализа взаимодействия радиоизлучений в широком диапазоне частот.
В качестве SDR-платформ в данной работе предлагается использовать следующие радиосистемы:
– HackRF One – в качестве широкополосного сенсора с высокой частотой дискретизации и механизмом свипирования;
– SDR Play – в качестве высокопроизводительного спектроанализатора.
Так как SDR оборудование не позволяет производить непосредственное подключение к высоковольтным бытовым сетям, необходима разработка согласующего устройства. Эта задача реализуется в несколько этапов:
– разработка и апробация схемного решения считывания сигнала с обоих проводников (проводника фазы и проводника нуля);
– разработка и апробация схемного решения дифференциального считывания сигнала с обоих проводников;
– внедрение компонент, защищающих SDR-плат-
форму от проникновения высокого напряжения на выход антенны.
После реализации и апробации согласующего устройства необходимо выработать методологию относительной оценки объема электромагнитных излучений, создаваемых вычислительной техникой, который проникает в бытовую электрическую сеть, а также границ его распространения, которые зачастую могут выходить за периметр контролируемой зоны.
Разработка интерфейса подключения SDR-системы к электрической бытовой сети
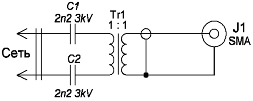
Поскольку заранее не известно, каким именно образом распространяются исследуемые электромагнитные излучения в сети, было изготовлено два согласующих устройства: первое выделяет дифференциальную переменную высокочастотной составляющей, а второе – синфазную. Схемы согласующих устройств приведены на рис. 1, 2.

Рис. 1. Схема дифференциального согласующего устройства:
С1, C2 – конденсаторы (емкость 2,2 нФ, напряжение 3 кВ); Tr1 – трансформатор (число витков 1 к 1);
J1 – разъем SMA
Fig. 1. Circuit of the differential matching unit:
C1, C2 – capacitors (capacity 2,2 nF, voltage 3 kV); Tr1 – transformer (number of turns 1:1); J1 – SMA connector

Рис. 2. Схема синфазного согласующего устройства: C3 – конденсатор (емкость 2,2 нФ, напряжение 3 кВ)
Fig. 2. Circuit of the cophased matching unit: C3 – capacitor (capacity 2,2 nF, voltage 3 kV)
Для отделения низкочастотной составляющей и отсечения высокого низкочастотного напряжения были применены высоковольтные керамические конденсаторы. Для защиты входа от возможных высоковольтных импульсов и помех, а также половины напряжения сети были использованы согласующие трансформаторы на высокочастотном феррите (рабочий диапазон частот 10–1 000 МГц). Внешний вид разработанных согласующих устройств приведен на рис. 3.

Рис. 3. Внешний вид согласующих устройств
Fig. 3. Matching units
Компоненты устройств согласования размещены внутри сетевых вилок, а для подключения приемника используются выведенные наружу разъемы SMA.
В качестве дополнительного механизма защиты входных цепей приемника разработан полосовой фильтр (рис. 4).

Рис. 4. Схема полосового фильтра:
J1, J2 – входной и выходной SMA-разъемы; HPF – фильтр высоких частот; LPF – фильтр низких частот
Fig. 4. Bandpass filter circuit:
J1, J2 – input and output SMA connectors; HPF – high pass filter; LPF – low pass filter
Полоса пропускания определялась на основе проведенных ранее исследований [4, 7] и составила 50–500 МГц. Данный диапазон с запасом перекрывал необходимый участок частот, при этом использование фильтра позволило дополнительно защитить вход SDR-приемника от высоковольтных и широкополосных помех сети, а также снизить влияние возможных сторонних излучений на АЦП приемника.
Разработанный полосовой фильтр (см. рис. 4) состоит из двух фильтров, включенных последовательно: фильтра высоких частот (ФВЧ, частота среза 50 МГц) и фильтра низких частот (ФНЧ, частота среза 500 МГц). Для обеспечения высокой крутизны переходной характеристики были использованы эллиптические фильтры. Результаты расчета номиналов компонентов фильтров приведены на рис. 5, 6.

Рис. 5. Результат расчета компонентов ФВЧ 50 МГц
Fig. 5. Result of calculating the components of UHF 50 MHz

Рис. 6. Результат расчета компонентов ФНЧ 500 МГц
Fig. 6. Result of calculating the components of LPF 500 MHz
Далее произведена распайка компонентов полосового фильтра и произведена подстройка характеристик полосового фильтра деформацией, изменением числа витков катушек и подбором емкости конденсаторов. Внешний вид налаженного макета фильтра приведен на рис. 7.
На выходе фильтра также был установлен ферритовый трансформатор с коэффициентом трансформации 1 к 1.

Рис. 7. Внешний вид полосового фильтра
Fig. 7. Bandpass filter
При необходимости разделением общих проводов входной и выходной части макета можно добиться лучшей защищенности и гальванической развязки приемника. На входе и выходе фильтра были установлены разъемы типа SMA для удобного подключения к SDR-приемнику и согласующему устройству. Измерение результирующей АЧХ фильтра приведено на рис. 8.

Рис. 8. Измерение АЧХ фильтра
Fig. 8. Measuring the filter frequency response
Полоса пропускания изготовленного фильтра составляет 54–498 МГц, что допустимо с учетом заложенного запаса по перекрываемому диапазону, нелинейность в полосе составила не более ±2 дБ.
Выбор, обоснование и применение аппаратных SDR платформ
Для реализации и апробации программного алгоритма было использовано несколько SDR-систем, которые в совокупности позволяют всесторонне и на достаточном уровне оценить исследуемые электромагнитные излучения:
– в качестве основного сканирующего сенсора был использован SDR HackRF One благодаря своей возможности широкополосного приема и механизма свипирования (рис. 9, а);
– для проведения мобильных испытаний в разных электрических точках в пределах исследуемого объекта использовалась платформа расширения PortaPack для HackRF One (рис. 9, б);
– оценка формы и характеристик сигнала производилась средствами платформы SDR Play в режиме спектроанализатора (рис. 9, в).

а б в
Рис. 9. Применяемые SDR-платформы:
а – SDR HackRF One; б – PortaPack; в – SDR Play
Fig. 9. SDR platforms in use:
а – SDR HackRF One; б – PortaPack; в – SDR Play
Алгоритм и методология оценки объема исследуемого излучения
Регистрация, измерение, а также сравнение некоторых количественных параметров электромагнитных излучений, создаваемых вычислительной техникой, будет выполняться в следующей последовательности этапов:
1. Получение разностной картины радиообстановки в зоне действия с включенным и выключенным источником излучения на антенну SDR.
2. Регистрация излучения, проникшего в бытовую электрическую сеть, средствами SDR и специального интерфейсного адаптера (см. рис. 3).
3. Проведение корреляционного анализа на массивах данных, полученных в ходе экспериментов, на основании которого можно приблизительно оценить объемы исследуемого излучения, проникающего в бытовую электрическую сеть.
4. Сравнение спектрограмм от штыревой антенны SDR приемника и от адаптера для электрической сети в незначительном удалении от контролируемого источника.
Программный алгоритм получения разностной картины радиообстановки представлен на рис. 10
и использован для дальнейших экспериментов.

Рис. 10. Блок-схема алгоритма оценки объема исследуемого излучения
Fig. 10. Block diagram of the algorithm for estimating the volume of the studied radiation
Первый этап – получение разностной картины по описанному на рис. 10 алгоритму – позволяет фиксировать факт наличия электромагнитного излучения, создаваемого вычислительной техникой, и регистрировать его частоты на штыревую антенну SDR-системы. Результат анализа частотного диапазона от 1 до 400 МГц представлен на рис. 11.

Рис. 11. Разностная картина диапазона 1–400 МГц
Fig. 11. Difference pattern of the frequency range of 1-400 MHz
На 2-м этапе аналогичные измерения производятся все тем же программным механизмом, но при непосредственном подключении при помощи разработанного интерфейсного адаптера (см. рис. 3)
и полосового фильтра (см. рис. 7) в электрическую сеть. Результат анализа частотного диапазона от
1 до 400 МГц представлен на рис. 12.

Рис. 12. Разностная картина диапазона 1–400 МГц при подключении через интерфейс
Fig. 12. Difference pattern of the frequency range of 1-400 MHz connected via the interface
Если подробнее рассмотреть участок около частоты 150 МГц, то можно заметить значительное различие усредненных уровней между двумя измерениями, что позволяет предполагать наличие исследуемого излучения на этой частоте (рис. 13).
|
|
|
|
|
а |
б |
|
|
Рис. 13. Разностная картина около частоты 150 МГц: а – без интерфейсного адаптера; б – с адаптером
Fig. 13. Difference pattern around 150 MHz frequency: a – without interface adapter; б – with adapter |
||
На 3-м этапе, благодаря наличию в алгоритме механизма экспорта информации об измерениях, проводится корреляционный анализ полученных массивов в программе MS Excel. Впоследствии это действие можно автоматизировать и внести в алгоритм обработки, представленный на рис. 10.
В качестве механизма оценки будет использоваться коэффициент корреляции Пирсона:
,
где x, y – значения переменных;
– выборочные средние по массивам данных.
Результаты расчетов представлены в таблице.
Результаты корреляционного анализа
Correlation analysis results
|
Описание эксперимента |
Коэффициент корреляции |
График рассеяния |
|
Прием на штыревую антенну. Корреляция при включенном и выключенном источнике исследуемого излучения. |
0,4812 |
|
|
Прием на адаптер для подключения SDR системы к электрической сети. Корреляция при включенном и выключенном источнике исследуемого излучения. |
0,3709 |
|
|
Корреляция массивов приема на штыревую антенну на сетевой адаптер для SDR. В обоих случаях источник исследуемого излучения включен. |
0,4022 |
|
Объем массива для анализа составил 24 253 записи. Согласно результатам анализа во всех случаях наблюдается слабая положительная корреляция, причем анализ первых двух случаев показывает, что большая величина коэффициента корреляции обратно пропорциональна относительному объему исследуемого излучения, попадающего в выборку. При анализе более узких полос приема сигналов коэффициент корреляции уменьшается пропорционально объему исследуемого излучения.
На 4-м этапе при исследовании спектрограмм на спектроанализаторе SDR Play выявлена следующая закономерность: спектрограмма, полученная при анализе на штыревую антенну (рис. 14, а), имеет более слабые характеристики сигнала, нежели спектрограмма, полученная через разработанный интерфейсный адаптер (рис. 14, б).
|
|
|
|
а |
б |
|
Рис. 14. Сравнение спектрограмм на спектроанализаторе SDR Play: а – на штыревую антенну; б – через интерфейсный адаптер
Fig. 14. Comparison of spectrograms on the SDR Play Spectroanalyzer: а – to the pin antenna; б – through the interface adapter |
|
О порядке разности этих спектрограмм судить сложно, т. к. SDR-система все же не является измерительным устройством.
Заключение
В данной работе было проведено всестороннее исследование возможностей проникновения электромагнитных излучений, создаваемых вычислительной техникой, в бытовые электрические сети общего пользования. Выявленные закономерности указывают на то, что слабые сигналы исследуемых излучений, транслируемые в эфир, являются потенциально менее энерговооруженной угрозой информационной безопасности, нежели электромагнитные излучения, попадающие в электрические сети. Сигнал, промодулированный в электрическую сеть, имеет намного более широкие границы распространения, нежели аналогичные сигналы в эфире, что, в свою очередь, размывает периметр контролируемого объекта.
Дальнейшие исследования в данном направлении позволят создать автоматизированную систему научных исследований выявления электромагнитных излучений, создаваемых вычислительной техникой, а также разработать методики аттестации объектов автоматизации на предмет всестороннего анализа на такие излучения.
1. Третьяков И. А. Структурно-лингвистический подход к описанию спектрограмм электромагнитных излучений, создаваемых вычислительной техникой // Вестн. Астрахан. гос. техн. ун-та. Сер.: Управление, вычислительная техника и информатика. 2023. № 1. С. 64-70. 2. Паршуткин А. В., Неаскина М. Р. Повышение защищенности информации от утечки через побочные электромагнитные излучения // Вопр. кибербезопасности. 2022. № 3 (49). С. 82-89.
2. Авсентьев А. О. Проблема построения многоагентных систем защиты информации на объектах информатизации от утечки по техническим каналам // Вестн. Воронеж. ин-та МВД России. 2022. № 3. С. 68-77.
3. Рушечников Я. И., Третьяков И. А. Автоматизация процедуры обнаружения технических каналов утечки информации и побочных электромагнитных излучений // Взаимодействие вузов, научных организаций и учреждений культуры в сфере защиты информации и технологий безопасности: сб. ст. по материалам Междунар. конф., посвящен. памяти д-ра техн. наук, проф. А. А. Тарасова и д-ра техн. наук, старшего науч. сотр. О. В. Казарина (Москва, 19-20 апреля 2022 г.) / под ред. Д. А. Митюшина. М.: Изд-во РГГУ, 2022. С. 240-245.
4. Шпилевой А. А., Персичкин А. А. О возможности аналитического обнаружения сигнала ПЭМИН в видеоинтерфейсах стандарта HDMI // Вестн. Балт. федер. ун-та им. И. Канта. Сер.: Физико-математические и технические науки. 2022. № 1. С. 34-39.
5. Рогозин Е. А., Рогозин Р. Е., Силка Д. Г., Коробкин И. Д., Мещеряков М. О. Исследование побочных электромагнитных излучений, образующихся при работе устройств с сенсорным вводом информации // Вестн. Дагестан. гос. техн. ун-та. Технические науки. 2021. № 3. С. 83-92.
6. Рушечников Я. И., Данилов В. В. Информационная технология радиомониторинга на основе программно-определяемой радиосистемы // Вестн. Донец. нац. ун-та. Сер. Г: Технические науки. 2020. № 1. С. 31-36.
7. Рушечников Я. И., Данилов В. В., Борщевский С. В. Информационная технология автоматизированной локализации источника излучения // Вестн. Донец. нац. ун-та. Сер. Г: Технические науки. 2020. № 4. С. 26-34.
8. Рушечников Я. И., Яновский А. В., Жинкина А. С., Данилов В. В. Электромагнитные излучения элементов электронной вычислительной техники // Вестн. Донец. нац. ун-та. Сер. Г: Технические науки. 2019. № 2. С. 25-35.










