Russian Federation
Russian Federation
Russian Federation
The article considers the urgent task of increasing the efficiency of operation of traditional dual-circuit cooling systems of marine diesel engines using closed external circuits with the rejection of the flow-through system of sea water. There are different methods that allow using closed external cooling systems, which mainly differ in the method of removing heat from the coolant of the internal cooling circuit. The presented main types of cooling systems with an external closed circuit differ in their design. The area of vessel operation can be a decisive factor in choosing a suitable option from the types of cooling systems with a closed external circuit presented. The main types of marine cooling systems with a closed external circuit are analyzed, which differ in composition and operating principle. An overview of the advantages and disadvantages of each system shows the directions in which it is possible to work on improvement during such modernization of cooling systems. The principles of technical solutions adopted in the development of basic diagrams of cooling systems with a closed external circuit are presented. The possibility of using a new type of cooling systems based on the principle of abandoning the external circuit with the expansion of the functionality of the internal circuit in the design and modernization of marine cooling systems is considered, especially for certain areas of vessel operation. A cooling system with heat removal into the air is proposed. Closed cooling systems ensure environmental safety, since during their operation there is no discharge of wear products of ship parts and other harmful materials, such as fuel and oil, together with seawater into the open water area.
cooling system, heat exchanger, sea water, internal circuit, external circuit, box coolers
Введение
Поиск технических решений для возникающих проблем при эксплуатации судовых энергетических установок является непрекращающимся процессом, и от актуальности принятого варианта решений во многом зависит надежность эксплуатации судового энергетического комплекса.
Как известно, работа судовых дизелей вызывает повышение температуры их конструктивных элементов, особенно цилиндропоршневой группы. От работоспособности подвижных элементов судовых дизелей зависит надежность работы дизеля в целом. В этой связи возникает необходимость поддержания температурного режима элементов конструкции судовых дизелей в пределах, гарантирующих эффективную продолжительность их эксплуатации. Система охлаждения судового дизеля обеспечивает поддержание температурного режима его конструктивных элементов в рекомендуемых заводом-изготовителем нормах. В качестве рабочей среды для охлаждения конструктивных элементов судового дизеля обычно используется пресная вода, которая циркулирует по внутреннему контуру. Посредством забортной воды, которая циркулирует во внешнем контуре, отводится теплота от пресной воды в специальных водо-водяных теплообменниках.
Основные направления при применении замкнутых систем охлаждения судовых дизелей
Для охлаждения судовых дизелей традиционно применяются разомкнутые двухконтурные системы охлаждения.
На рис. 1 пунктирной линией показан трубопровод внешнего контура (контур забортной воды), а сплошной линией – трубопровод внутреннего контура (контур пресной воды).
Двухконтурная система охлаждения подразумевает использование забортной воды в качестве среды для отвода теплоты от других теплоносителей, таких как пресная вода, смазочное масло и воздух. Как правило, забортная вода поступает в корпус судна через специальные приемные устройства (кингстонные ящики) и после завершения процесса охлаждения отводится за борт.
Рис. 1. Традиционная разомкнутая двухконтурная система охлаждения судовых дизелей:
1 – судовой дизель; 2 – водо-водяной охладитель; 3 – водомасляный охладитель; 4 – водовоздушный охладитель;
5 – насосы забортной воды; 6 – фильтр забортной воды; 7 – насос пресной воды;
8 – охладитель наддувочного воздуха
Fig. 1. Traditional open dual-circuit cooling system of marine diesel engines: 1 – marine diesel engine;
2 – water-to-water cooler; 3 – water-to-oil cooler; 4 – water-to-air cooler; 5 – sea water pumps;
6 – sea water filter; 7 – fresh water pump; 8 – charge air cooler
В зависимости от района и условия эксплуатации судна, а также от климатических условий поступление забортной воды по внешнему контуру может быть затруднено или даже в некоторых условиях невозможно, в результате чего возникнет необходимость в поиске других технических решений, позволяющих обеспечить охлаждение теплонагруженных механизмов без использования традиционной схемы охлаждения [1]. В основу таких решений положен один из следующих принципов:
– применение специальных устройств, с помощью которых внешний контур забортной воды становится замкнутым. В замкнутых системах охлаждения теплоотвод осуществляется с применением специальных устройств, таких как судовые обшивочные теплообменные аппараты разных типов и конструкции, бокскулеры и др.;
– использование цистерн, в которых размещается забортная вода, особенно цистерн, которые сообщаются с наружной подводной частью корпуса судна: балластные цистерны, цистерны мойки танков на танкерах и др., в качестве источника забортной воды для внешнего контура системы охлаждения с последующим сбрасыванием воды в эту же цистерну без использования каких-либо специальных устройств;
– отказ от внешнего контура системы охлаждения с применением других методов охлаждения воды внутреннего контура.
Замкнутые системы охлаждения с применением специальных аппаратов
1. Килевые теплообменные аппараты или килевые системы охлаждения относятся к теплообменным аппаратам погружного типа – забортные охладители (рис. 2), представляют собой один или несколько герметичных каналов, либо являющихся частью корпуса судна, либо расположенных снаружи корпуса, через которые прокачивается охлаждаемая среда [2].
Рис. 2. Килевой теплообменный аппарат: 1 – теплообменник; 2 – протекторы
Fig. 2. Keel heat exchanger: 1 – heat exchanger; 2 – protectors
Килевые теплообменные аппараты размещаются на внешней стороне наружного корпуса судна в подводной его части, обычно в районе выше скулы. При применении таких теплообменников отпадает необходимость их размещения в машинном отделении и освобождается дополнительное место. Также вместо насоса забортной воды с фильтром используется просто циркуляционный насос, т. к. система является замкнутой, что исключает попадание посторонних предметов и микроорганизмов в систему. Данное обстоятельство позволяет существенно снизить затраты на обслуживание при эксплуатации. Однако килевой теплообменный аппарат находится постоянно в погруженном состоянии, появляются трудности очистки. Чистку можно производить при доковании судна. Килевые теплообменные аппараты относятся к выступающим частям корпуса судна, которые создают дополнительное сопротивление при движении судна. Также они подвержены риску повреждения при ударе случайными предметами.
2. Система охлаждения с применением бокскулера. Бокскулеры также относятся к теплообменным аппаратам погружного типа, представляют собой теплообменные аппараты змеевикового типа, расположенные в специальном отсеке, примыкающем к наружной обшивке корпуса судна [3]. Процесс охлаждения охлаждающей жидкости при прохождении по змеевику происходит за счет теплообмена с потоком забортной воды, свободно протекающей через отсек посредством специальных отверстий (рис. 3).
К недостаткам систем охлаждения с бокскулерами можно отнести наружное обрастание поверхности морскими и речными организмами, которые могут привести к забиванию решеток и ухудшению процесса теплообмена. Существуют различные способы решения проблемы обрастания теплообменных аппаратов погружного типа, в частности:
– анодная система антиобрастания (ICAF System);
– термическая система антиобрастания (ITAS);
– ультразвуковая защита от обрастания.
Рис. 3. Внешний вид бокскулеров
Fig. 3. External appearance of box coolers
Но применение данных систем приводит к дополнительным затратам и усложнению конструкции.
Еще одним недостатком бокскулеров является заметное снижение эффективности теплообмена при стоянке судна, т. к. теплоотвод происходит за счет свободной конвекции, что заставляет значительно увеличивать площадь соответствующих устройств теплоотвода.
3. Судовые обшивочные теплообменные аппараты представляют собой устройства, имеющие лабиринтный канал, организующий движение воды, выполненный с помощью наваренных стальных пластинок на внутренней стороне обшивке корпуса судна [4] (рис. 4).
Рис. 4. Судовой обшивочный теплообменный аппарат: 1 – охлаждаемое оборудование;
2 – насос пресной воды; 3 – обшивочный теплообменник; 4 – наружная обшивка корпуса судна;
5 – движение жидкости внутри теплообменника
Fig. 4. Marine casing heat exchanger: 1 – cooled equipment; 2 – fresh water pump; 3 – casing heat exchanger;
4 – outer casing of the ship’s hull; 5 – movement of liquid inside the heat exchanger
К преимуществам обшивочных теплообменных аппаратов можно отнести отсутствие необходимости использования насоса забортной воды. В результате отсутствия необходимости забора воды снижается вероятность загрязнения поверхности теплообмена микро- и макроорганизмами, попадания песка и других твердых предметов. Однако такие аппараты увеличивают трудоемкость работ, связанных с изготовлением корпуса судна, и их эффективность со временем снижается по причине обрастания наружной поверхности морскими и речными организмами.
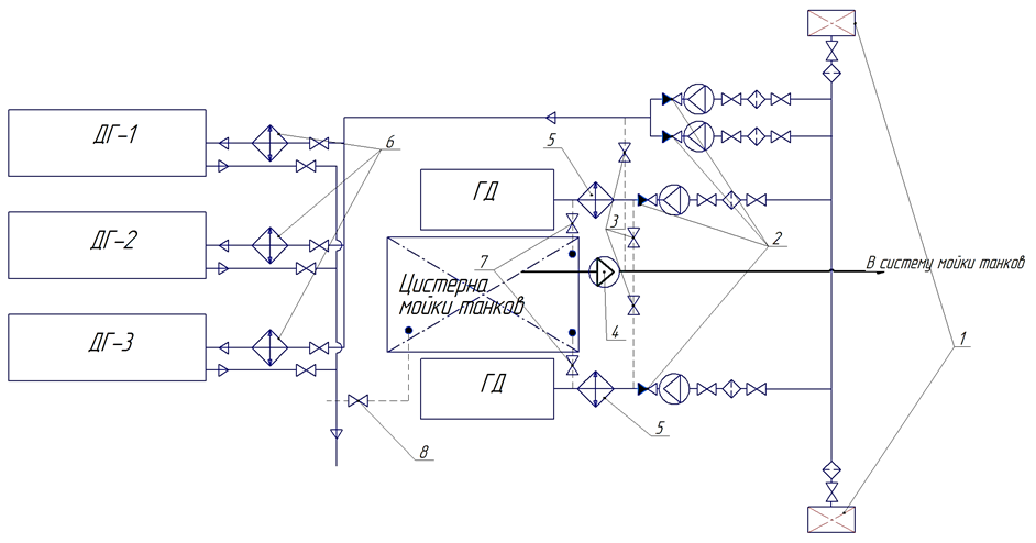
4. Применение цистерн с забортной водой в качестве охладителя и источника охлаждающей среды производилось в некоторых случаях и в небольшом периоде времени. Например, во время работы в период зимней навигации с 2018 по 2019 г. танкера «Сталинград» в ледовой обстановке. В конструкции судна выявился существенный недостаток. В процессе постройки судна в проекте вместо ледового ящика был применен забортный. Этот факт сыграл большую роль при следовании в битом льду. Ловушки, донно-забортная система и забортный ящик стали забиваться шугой [5].
Насосы охлаждения забортной воды главных и вспомогательных двигателей перестали эффективно подавать воду, что повлекло за собой перегрев двигателей и механизмов. Чтобы продолжить эксплуатацию судна судомеханической командой были предприняты действия по модернизации системы охлаждения забортной воды. Для этого цистерна мойки танков (23,6 м³) была использована в качестве кулера. Цистерна располагается под сланями машинного отделения и омывается забортной водой через дно судна. Систему забортной воды переделали по принципу замкнутого контура, а в качестве циркуляционного насоса был применен центробежный насос мойки танков марки CISG 80-250 производительностью 50 м³/ч и мощностью 22 кВт. Принцип модернизации заключался в том, что в систему мойки танков на нагнетательной стороне насоса были сделаны две врезки (рис. 5): одна – на систему забортной воды главных двигателей, на их центральные теплообменники, а вторая – на систему забортной воды дизель-генераторов, на их навешенные теплообменники. После прохождения воды забортного контура через теплообменники механизмов вода направлялась обратно в цистерну мойки.
Рис. 5. Использование цистерны мойки танков для охлаждения главных и вспомогательных двигателей:
1 – забортные ящики; 2 – существующие клапаны забортной воды на судне; 3 – вновь установленные клапаны
для забора воды из цистерны мойки танков в систему охлаждения главных и вспомогательных двигателей;
4 – центробежный насос мойки танков марки CISG 80-250; 5 – водо-водяные теплообменники главных двигателей;
6 – водо-водяные теплообменники вспомогательных двигателей; 7 – клапан для отвода воды
из системы охлаждения главных двигателей обратно в цистерну мойки танков; 8 – клапан для отвода воды
из системы охлаждения вспомогательных двигателей обратно в цистерну мойки танков
Fig. 5. Using the tank wash tank to cool the main and auxiliary engines: 1 – overboard boxes;
2 – existing overboard water valves on the vessel; 3 – newly installed valves for taking water from the tank wash tank
to the cooling system of the main and auxiliary engines; 4 – CISG 80-250 tank wash centrifugal pump;
5 – water-to-water heat exchangers of the main engines; 6 – water-to-water heat exchangers of the auxiliary engines;
7 – valve for draining water from the cooling system of the main engines back to the tank wash tank;
8 – valve for draining water from the cooling system of the auxiliary engines back to the tank wash tank
Следует отметить, что вместо цистерны мойки танков можно использовать балластную цистерну.
5. В настоящее время авторы проводят исследования о возможности отказа от внешнего контура системы охлаждения, при этом для охлаждения теплоносителя внутреннего контура судовых дизелей предлагается использовать другие способы охлаждения. Например, отвод теплоты в воздух с помощью прокладки трубопровода по периметру носовой части верхней палубы под планширем или посредством специального водовоздушного теплообменника, смонтированного на определенной высоте выше верхней палубы.
Заключение
Поиски технических решений для эффективного охлаждения теплонапряженных деталей и механизмов судовых энергетических установок непрерывно продолжаются с общей целью избавления от использования забортной воды для системы охлаждения. Данное обстоятельство позволит решить проблему, связанную с засорением системы охлаждения (донно-забортная арматура, кингстонные ящики, фильтры, теплообменники, насосы), что сэкономит расходы на обслуживание и ремонт.
Замкнутые системы охлаждения сохраняют биоресурсы и биологический запас морей, рыбную молодь и планктон, которые при попадании в систему охлаждения могут погибать. Замкнутые системы охлаждения обеспечивают экологическую безопасность, т. к. при их эксплуатации отсутствует выброс продуктов износа судовых деталей и других вредных материалов, таких как топливо и масло, вместе с забортной водой в открытую водяную акваторию.
1. Abramova L. S., Fedorovskii K. Iu. Optimizatsiia innovatsionnykh reshenii v sistemakh okhlazhdeniia sudovykh en-ergoustanovok po pokazateliu ekonomicheskoi effektivnosti [Optimization of innovative solutions in the cooling systems of marine power plants in terms of economic efficiency]. Vestnik Sevastopol'skogo gosudarstvennogo tekhni-cheskogo universiteta, 2001, iss. 30: Mekhanika, energetika, ekologiia, part 3: Energetika, pp. 82-85.
2. Sliman S., Salamekh A. Opyt primeneniia zamknutykh sistem okhlazhdeniia glavnykh energeticheskikh ustanovok «energoeffektivnost' na transporte». Transport. Gorizonty razvitiia [The experience of using closed cooling systems for main power plants “energy efficiency in transport”. Transport. Horizons of development]. Trudy II Mezhdunarodnogo nauchno-promyshlennogo foruma (Nizhnii Novgorod, 07–09 iiunia 2022 g.). Nizhnii Novgorod, Izd-vo VGUVT, 2022. P. 33.
3. Młynarczak A. Box coolers as an alternative to existing cooling systems. Scientific Journals, 2013, no. 108 (36.2), pp. 131-136.
4. Fedorovskii K. Iu., Grinenko N. K. Zamknutye sistemy okhlazhdeniia sudovykh energoustanovok s teplootvodom cherez sudovuiu obshivku [Closed cooling systems of marine power plants with heat sink through the hull]. Nauchnye problemy vodnogo transporta, 2022, no. 70, pp. 87-97.
5. Sliman S., Salamekh A. Konstruktsii elementov podvoda zabortnoi vody dlia okhlazhdeniia sudovykh energeticheskikh ustanovok [Designs of seawater supply elements for cooling marine power plants]. Materialy 67-i Mezhdunarodnoi nauchnoi konferentsii Astrakhanskogo gosudarstvennogo tekhnicheskogo universiteta (Astrakhan', 29–31 maia 2023 g.). Astrakhan': Izd-vo AGTU, 2023. 1 CD-disk. Available at: http://www.astu.org/Content/Page/5833 (accessed: 12.09.2024). № gosudarstvennoi registratsii 0322400207.



