Russian Federation
Russian Federation
Russian Federation
In Russia, in order to transition to highly productive and environmentally friendly agro- and aquatic farming, to create safe and high-quality, including functional, food products, it is necessary to focus on the introduction of new facilities available to consumers into aquaculture. The relevance of the chosen direction lies in the intro-duction of the Don fish into aquaculture in the Southern Federal District and the southern regions of the Russian Federation. Global aquaculture is actively developing. The volume of industrial fishing products in 2023 amounted to 89.6 million tons. At the same time, in recent years, fish catches ranged from 110 to 590 tons, and the average annual production in the Azov-Don region reached 270 tons. Catches are decreasing annually, which leads to the need to increase the production of aquaculture facilities. The main objectives of the research are to develop the design of a plant for growing Don fish (Vimba vimba) and conduct research on the content of producers. Experiments have been carried out on the cultivation of young Don fish on granular feed in an upgraded installation. The experiments were carried out in two versions: on water from an open source of water supply prepared using a water treatment unit, and on tap water. Conducting weekly hydrochemical analyses of water and biological material in experimental installations for the maintenance of producers and the rearing of juveniles made it possible to determine the optimal indicators for the maintenance of producers, spawning, holding and rearing of larvae.
Don vimba (Vimba vimba), aquaculture, installation of closed water supply, cultivation, hydrochemical indicators, larvae
Introduction
The world aquaculture during the last 25-35 years evolves actively, steadily increasing its share in the total production and yield of the hydrobionts. According to the FAO data (2024), the global output from wild capture fisheries in 2023 was 89.6 million tonnes (48.3% of the total) and the output from aquaculture was 95.8 million tonnes (51.7% of the total). While the yield remains at the same level with a trend towards the decrease, aquaculture continues to evolve and increase its production scales and volumes. No other foodstuffs production market demonstrates such a growth as aquaculture does for the last 20 years [1].
The cultivation of objects which are promising due to their growth, maturation, and other indices of production quality is one of the most significant aquaculture directions widely spread nowadays.
Aquaculture evolves intensively in Russia as well both facing no current reduction in aquatic biological resources yields and new economic challenges due to the sanctions imposed. The total aquaculture production volume (including aquatic plants) in 2023 in Russia was 402 thousand tonnes, which is by 4.8% higher than in 2023 [2]. To transfer to highly efficient and productive and environmentally friendly agriculture and aquaculture, to produce safe and qualitative, including functional, foodstuffs (The Scientific and Technological Development Strategy of the Russian Federation), Russia needs to focus on the introduction of new aquaculture objects available to and affordable for the consumer. The aquaculture of the Don vimba (Vimba vimba) as
a new cultivation object in the Southern Federal District and southern regions of Russia is significant for such a transfer and is a promising development field especially considering the fact that the Don vimba yields, which ranged from 110 to 590 tonnes during the years preceding the Don River runoff regulation (1927-1952) and the mean long-term yield in the Sea of Azov-Don Region was up to 270 tonnes during that period [3, 4], curently decrease.
The research goal is to design the installation for the Don vimba (Vimba vimba) large-scale commercial cultivation, as well as develop bio-technological indices for the maintenance of the breeders, spawning, and the maintenance and growing of larvae at technically new installations.
Materials and methods
The experiments on the Don vimba juveniles cultivation based on granular feeds and at an upgraded installation took place. We conducted the experiments in two variants: in water preliminary treated applying the water treatment block from the open (natural) water supply source and in water from the communal running water system. The Biomar feeds were applied during the experiments. The feeding was four times per day. We calculated the feeding standards according to feeding tables depending on the body weight and water temperature [5]. The initial weight of each vimba juveniles specimen was 0.17-0.18 g, the stocking density was 2.0 thousand specimens per m3. The duration of the experiment was 65 days. Growth indices registration was according to the generally accepted methods [5, 6] at the final stage of the experiments. The Microsoft Office Excel software was used to process the obtained data statistically.
Results and discussions
A multi-functional water treatment block (unit) for water from the surface water sources (river, lake, water storage reservoir) was designed to upgrade the RAS installation for the Don vimba breeders maintenance and the RAS installation for the growth of the Don vimba juveniles. Such a block serves several purposes as it performs several functions when the installation is in operation: safety, water treatment, and provision of conditions close to the wild environment required for the cultivated objects. Its own water treatment block was designed and put into operation for each installation. The introduction of a water treatment block into the installation for the Don vimba breeders maintenance is required as it allows bringing the pre-spawning and spawning water conditions as close to the wild ones as possible thus ensuring the proper maturation and obtaining of high quality off-springs. The block ensures the functional safety of the entire installation for the maintenance, spawning, and cultivation of aquaculture objects in recirculating aquaculture systems. It serves as a water accumulation container in case of emergency or an accident; the water volume stored in the system can ensure the running of the installation for 72 hours, considering the replacement of 15% of water in the system (of the total volume used when operating the installation). Specific constructive features and elements of the water treatment block and their consequent locations ensure the qualitative purification of water from various water supply sources (river, lake, water storage reservoir etc.) used for fish cultivation (Fig. 1).

Fig. 1. Water treatment block scheme for the installations used for the Don vimba breeders and juveniles cultivation:
1 – vertical container; 2 – propeller mixer; 3 – dosing pump; 4 – pumping station;
5 – peristaltic pump; 6 – UV installation; 7 – filter (big); 8 – sand column filter; 9 – coal column filter
The water treatment block is composed of a unit for the sodium hypochlorite proportional supply, contactaccumulation polypropylene container, рН regulation unit, automatic pumping station, light column granular filter, activated carbon sorption filter (9), cartridge fine filter (7), and the UV lamp (6). The block has got a container (with the volume of 3 m3, 1.5 m high and made of polypropylene) for the inflowing river water to settle. A specific mixer is placed in a contact-accumulation container. The mixer intended for mixing and dissolving sodium hypochlorite is with one or two blades (two – in our case) on an axe and its diameter is that of an impeller of the propeller mixer for the Eurocube of 140 mm. Such substance as sodium hypochlorite should be strictly dosed and calculated for a certain amount of water, and a membrane dosing pump is placed in front of the container for these purposes. The dosing regime is a constant ON-OFF, proportional PROP of impulse flow meter in 1 × 1 regime. The рН environment, which values are to be closer to the neutral index of 7.5 as it is important for the biological objects, is significant for the water treatment system and thus conditions the mounting of a peristaltic pump with an inbuilt рН level controller. The рН meter is located directly inside the container at the 1/3 of its depth near the pump intake. Column filters which brighten and filter water applying the activated carbon (Fig. 2) play a significant role in the water treatment system.
Operation principle. After the intake, the inflowing river water settles for 12 hours and the sediment, coarse particles, and suspended matters are cleaned then applying special equipment. The water is then tested for the presence of toxic and harmful substances applying the hydrochemical analysis.

Fig. 2. Column granular filters to brighten the water and an activated carbon sorption filter
Then the water flows to the contact-accumulation container to which a dosed amount of sodium hypochlorite is added. After that, the disinfected water flows through the granular column filter and through the activated carbon filter to the UV unit and after UV treatment it flows to the fish-containing tanks. Purification capacity is 1 m3 per hour and the capacity is 2-3 m3. Temperature and oxygen conditions are set and maintained at the optimum level considering the cultivation process and depending on the fish age and technological process. Sodium hypochlorite is used as the disinfection (germicidal) means and to purify (bleach) water.
The operated water treatment block for the Don vimba breeders maintenance and the juveniles growth installations is according to the design documentation and provided the possibility to upgrade and improve the installations for the further cultivation of aquaculture objects (Fig. 3, 4).

Fig. 3. Unit (water accumulation container) for water treatment

Fig. 4. Placement (locations) of column filters
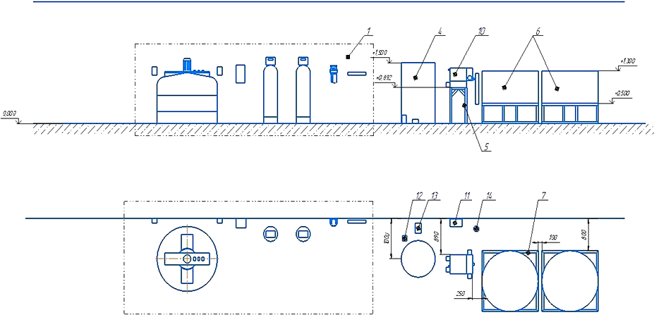
Upgrading the installation test sample and the introduction of a water treatment block into operation to grow the Don vimba juveniles and maintain the breeders allowed operation under any water supply conditions both in water from the communal running water system and water from other sources (river, water storage reservoir, lake). The test sample of the installation for the breeders was upgraded and the water treatment block was added to the scheme (Fig. 5: 2, 3, 8, 9 see on Fig. 1).

Fig. 5. Installation for the Don vimba breeders with a water treatment block:
1 – water treatment block; 4 – bio-filter; 5 – filter metal rack; 6 – polypropylene tank; 7 – filter metal rack; 10 – drum filter; 11 – oxygen concentrator;
12 – compressor; 13 – pump; 14 – UV installation (unit)
A test sample installation for the growth of the Don vimba juveniles was upgraded and the water treatment block was added to the scheme (Fig. 6: 2, 3, 8, 9 see on Fig. 1).

Fig. 6. Installation for the Don vimba juveniles growth with a water treatment block:
1 – water treatment block; 4 – bio-filter; 5 – filter metal rack; 6 – polypropylene tank; 7 – filter metal rack;
10 – drum filter; 11 – oxygen concentrator; 12 – compressor; 13 – pump; 14 – UV installation (unit)
Further experiments to validate the developed setups revealed their effectiveness. The results of the experiments are given in Table 1.
Table 1
Vimba juveniles growing indices in various water types (with and without water treatment)
|
Indices |
Variant 1 (without water treatment) |
Variant 2 (with water treatment unit) |
|
Initial weight, g |
0.17 ± 0.03 |
0.18 ± 0.03 |
|
Final weight, g |
1.2 ± 0.34 |
1.3 ± 0.26 |
|
Absolute growth, g |
1.01 |
1.04 |
|
Mean daily growth, g/day |
0.016 |
0.016 |
|
Mean daily growth rate, % |
10.6 |
10.8 |
|
Survival rate, % |
78 |
80 |
|
Duration of the experiment, day |
65 |
|
The BioMar INICIO Plus feeds for the feeding of fries were used. The feeding was four times per day. We calculated the feeding standards according to feeding tables depending on the body weight and water temperature. The initial weight of each vimba juvenile specimen was 0.17-0.18 g while the stocking density was 2.0 thousand specimens per m3.
It should be noted that the mean daily weight gain of juveniles was higher in variant 2.
The studies indicated that the water from an open (natural) water supply source can be used after flowing through the water treatment block designed as proposed (as an innovation development) to cultivate the Don vimba and thus the installations can be located near various water reservoirs serving for the fish-farming purposes. The installation can be used without a water treatment block as a standard RAS as well. Such a transformation can ensure cultivation during the entire year irrespective of climatic conditions.
Weekly hydrochemical analysis of water and biological material (research objects) in the test installations both for the maintenance of breeders and juveniles growth was made during the experiments. The experiments on cultivation in systems with and without water treatment (a water treatment block) were conducted from June to November and the mean values of the indices are brought together in Table 2.
Table 2
Mean indices of aquatic environment in experimental fish farming containers of the installations
for the Don vimba juveniles cultivation
|
Indices |
With water treatment |
Without water treatment |
Standard |
|
pH, unit |
7.5 |
7.0 |
|
|
HN4+, mg/l |
0.72 |
0.85 |
1.0 |
|
NO3+ , mg/l |
1.0 |
1.2 |
up to 2.0 |
|
РО 43+, mg/l |
0.23 |
0.36 |
0.5 |
|
Cl–, mg/l |
18 |
up to 20 |
|
|
Hardness, mg · equivalent/l |
3.0 |
up to 8 |
|
|
Са2+ , mg/l |
40 |
up to 180 |
|
|
Mg2+ , mg/l |
12.5 |
up to 40 |
|
|
Oxidation (susceptibility), mgО/l |
8 |
up to 15 |
|
|
SO42– , mg/l |
90 |
up to 100 |
|
|
Total bacteria count (TBC), CFU/ml |
0.8 · l04 |
1.0 · l04 |
|
The monitoring studies indicated that the aquatic environment indices values were within the allowable standard values for RAS. The values of such indices as nitrites and nitrates were slightly higher in variant 2 (without water treatment). However it should be noted that such indices as the content of chlorine, hardness, content of calcium and magnesium had the same va-
lues in both the variants.
The content of nitrates and the content of nitrites are the main indices significant for RAS. These indices impact the quality of cultivated fish and the nitrates and nitrites concentrations are to stay within the allowable indices for foodstuffs [7, 8]. The dynamics of these indices is given at graphs (Fig. 7).

а

b
Fig. 7. Dynamics of nitrites (а) and nitrates (b) in fish cultivation systems
During the research, we conducted daily monitoring of temperature, oxygen, and рН environment. The temperature varied within 19-25 ºС, the oxygen content ranged within the norm of 7.8-8.9 mg/l, рН – within 6.9-7.5 units.
It has been ascertained that hydrochemical indices after the relevant water treatment can vary within the standard values and the water can be used for the Don vimba cultivation.
The analysis of technological indices of the Don vimba cultivation in the designed installations was made. The studies indicated that the installations of such a type based on RAS for fries, breeders, and commercial cultivation can be successfully used for the obtaining of environmentally clean fish products.
Based on published scientific references reflecting the main specific biological features of the Don vimba and species relation to the indices of the habitat and the biology of spawning, we determined the main optimal indices of the aquaculture object’s habitat, which were corrected afterwards and confirmed by the results of experimental studies.
During that period, the systems (RAS) and installations for the Don vimba were corrected, upgraded, and assembled, the cultivation in systems was conducted, and new standard values for all the stages of production cycle were proposed. Specific attention was paid to correct biotechnological standards for the commercial Don vimba cultivation. Within the studies, the developed standards were tested during the maintenance of breeders, spawning, larvae maintenance and growth in experimental installations. The results obtained are given in Table 3.
Table 3
Hydrochemical indices standard values during the maintenance of the Don vimba breeders, spawning, incubation,
and growing of larvae under the controlled conditions
|
Indicator |
Value |
|
Maintenance of the Don vimba breeders when adapting to the controlled conditions |
|
|
Water temperature during the capture of the breeders from the wild, ºС |
10-12 |
|
Water temperature when adapting the breeders to the artificial environmental conditions, ºС |
18-20 |
|
Dissolved oxygen, mg/l |
6-8 |
|
pH, unit |
6.5-7.5 |
|
Pre-spawning maintenance and spawning of the Don vimba breeders under the controlled conditions |
|
|
Initial water temperature, ºС |
18-20 |
|
Water temperature decrease gradient during artificial wintering, ºС/day |
1-1.5 |
|
Wintering water temperature, ºС |
5 |
|
Water temperature increase gradient during artificial wintering |
1 |
|
Spawning water temperature, ºС |
18 |
|
pH, unit |
6.5-7.5 |
|
Dissolved oxygen, mg/l |
6-8 |
|
Total ammonia nitrogen (NH4+), mg/l |
maximum 1 |
|
Nitrites (NO2–), mg/l |
maximum 0.2 |
|
Nitrates (NO3–), mg/l |
12 |
|
BOD5, mgО2/l |
maximum 10 |
|
Incubation under the controlled conditions |
|
|
Water temperature, ºС |
18-20 |
|
pH, unit |
6.5-7.5 |
|
Dissolved oxygen, mg/l |
7-9 |
|
Total ammonia nitrogen (NH4+), mg/l |
maximum 1 |
|
Nitrites (NO2–), mg/l |
0.015 |
|
Nitrates (NO3–), mg/l |
maximum 3 |
|
BOD5, mgО2/l |
maximum 9 |
|
Larvae cultivation under the controlled conditions |
|
|
Water temperature, ºС |
18-20 |
|
Ph, unit |
6.5-7.5 |
|
Dissolved oxygen, mg/l |
7-9 |
|
Total ammonia nitrogen (NH4+), mg/l |
maximum 1 |
|
Nitrites (NO2–), mg/l |
0.015 |
|
Nitrates (NO3–), mg/l |
3-4 |
|
BOD5, mgО2/l |
maximum 10 |
The installations specific feature is a possibility to switch operation conditions over to any water supply source which water quality corresponds to the requirements for fish-farming water reservoirs (Order No. 552 of 13 December 2016 by the Ministry of Agriculture of the Russian Federation, Changes to Order as of 10 March 2020). The introduction of such a theoretical and practical at the later stage approach will allow enlarging the application possibilities of systems for the Don vimba cultivation to be used for the other aquaculture objects.
Conclusion
The authors conclude that the Don vimba is one of the promising aquaculture objects for commercial farming under industrial conditions.
The application of the designed experimental technical means for the Don vimba cultivation will allow the effective cultivation of fish in water from various sources (ponds, rivers, water storage reservoirs), reduce the cultivation period, increase the efficiency by 1.5 times with the technology and installations payback period being 2.5-3 years.
Specific constructive features of the installation containing a special block performing several functions during the installation operation are as follows: safety, water treatment, and provision of conditions close to the natural habitat for the aquaculture objects.
Installations operation tests indicate that the water from an open (natural) water supply source can be used after flowing through the water treatment block to cultivate the Don vimba.
The studies also resulted in the development of standards for the cultivation of commercial fish (the Don vimba) in specifically upgraded installations with the regulated and controlled aquatic environment parameters. The studies indicate that the installations of such a type based on RAS for fries, breeders, and commercial cultivation can be successfully used for the obtaining of environmentally clean fish products.
1. International markets for fisheries and aquaculture products – Fourth issue 2023, with January–June 2023 statistics. GLOBEFISH Highlights. Rome, 2023. No. 4. 73 p. https://doi.org/10.4060/cc9176en.
2. Zhukova S. V. Obespechennost' vodnymi resursami rybnogo khoziaistva Nizhnego Dona [Provision of water resources for the fisheries of the Lower Don]. Vodnye bioresursy i sreda obitaniia, 2020, vol. 3, no. 1, pp. 7-19.
3. Cherednikov S. Iu., Vlasenko E. S., Zherdev N. A., Kuznetsova I. D. Limitiruiushchie faktory okruzhaiushchei sredy i biologicheskie osobennosti vazhneishikh promyslovykh migrantov Azovskogo moria [Limiting environmental factors and biological features of the most important commercial migrants of the Sea of Azov]. Vodnye bioresursy i sreda obitaniia, 2020, vol. 3, no. 1, pp. 27-41.
4. Ponomarev S. V., Lagutkina L. Iu., Kireeva I. Iu. Fermerskaia akvakul'tura: rekomendatsii [Farm aquacul-ture: recommendations]. Moscow, FGNU “Rosinforma-grotekh”, 2007. 192 p.
5. Pravdin I. F. Rukovodstvo po izucheniiu ryb [A guide to the study of fish]. Moscow, Pishchevaia promyshlennost' Publ., 1966. 376 p.
6. Zhigin A. V. Zamknutye sistemy v akvakul'ture: monografiia [Closed systems in aquaculture: a mono-graph]. Moscow, Izd-vo MSKhA im. Timiriazeva, 2011. 665 p.
7. Kovalenko M. V. Optimizatsiia metodov vyrashchiv-aniia osetrovykh ryb v upravliaemykh usloviiakh vodnoi sredy. Avtoreferat dissertatsii … kand. biol. nauk [Optimization of methods for growing sturgeon fish in controlled conditions of the aquatic environment. Abstract of the dissertation ... cand. Biol. sciences]. Astrakhan', 2007. 27 p.
8. Matishov G. G., Ponomareva E. N., Kovalenko M. V., Tazhbaeva D. S. Praktika akvakul'tury sudaka, pilengasa, shchuki Azovskogo moria [The practice of aquaculture of walleye, pelengas, pike of the Sea of Azov]. Rostov-on-Don, Izd-vo IuNTs RAN, 2017. 80 p.



