FSBI FRC “Saratov Scientific Center of the Russian Academy of Sciences” (Head of the Laboratory of Non-conventional Energy of the Department of Energy Problems)
Russian Federation
Russian Federation
Russian Federation
A brief description of power plants using renewable energy sources is given for autonomous power supply to small oil and gas field facilities with a power of no more than 20 kW, wind power plants in their composition – 10 kW with an energy efficiency of no more than 0.35-0.45. A modernized design of a vortex wind-solar power plant based on a combined H-Darrieu-Savonius rotor has been developed. Experiments were carried out on a laboratory vortex wind-thermal power plant, simulating the operation of a vortex wind-solar power plant. Experiments have shown that the rotation frequency and power of the H-Darieu rotor in a vortex tube will be greater than for the H-Darieu rotor in a horizontal air flow. This effect is explained by the peculiarities of the aerodynamics and energy of H-Darier rotors placed in a circular flow in a vortex tube. It is shown that the power of this installation can exceed the power of other types of wind power plants by an order of magnitude and the energy efficiency reaches 0.70. An example of an energy-technological scheme for using a modernized vortex wind-solar power plant to drive well pumps for oil production is given. It is shown that in this scheme the costs of traditional energy resources for oil production can be reduced by 2 times.
wind power plants, solar power plants, axial wind power plants, orthogonal wind power plants, vortex wind power plants, vortex wind-solar wind power plants, combined H-Darrieu-Savonius rotor, H-Darieu rotor, power, electrical efficiency
Введение
Нефтегазовые промыслы являются энергоемкими производственными объектами. Нарушение электроснабжения на этих объектах может привести к сбоям процессов добычи, подготовки, транспорта и хранения нефти и газа. Использование традиционного топлива очень негативно влияет на окружающую среду. Поэтому наряду с традиционными топливно-энергетическими ресурсами (ТЭР) в последние десятилетия во всем мире достаточно широко стали применяться и практически экологически чистые возобновляемые источники энергии (ВИЭ), в т. ч. и для энергоснабжения нефтегазопромысловых объектов.
Как отмечается в работе [1], в становлении сектора ВИЭ в мире уже принимают участие все крупнейшие нефтегазовые компании. Как правило, эти компании стремятся к увеличению своей устойчивости в условиях меняющегося рынка. Российские нефтегазовые компании находятся еще на начальном пути, но и для них применение ВИЭ также является стратегически важным. Это позволит сократить техническое отставание в данном направлении в долгосрочной перспективе. Кроме того, использование ВИЭ на нефтегазовых объектах придаст дополнительный импульс развитию высокотехнологичного производства в России.
В связи с тем, что бóльшая часть нефтегазовых объектов находится на территориях со слабо развитой энергетической инфраструктурой, возникает проблема повышения надежности и эффективности их энергоснабжения. Поэтому все более широкое практическое применение находят проекты энергообеспечения с использованием ВИЭ (солнечной и ветровой и др.). В условиях Восточной Сибири солнечная электрическая станция (СЭС) с накопителями энергии и резервным дизель-генераторным агрегатом (ДГА) может решить вопрос электроснабжения нефтегазовых объектов. Проектные расчеты показали, что СЭС позволяет сэкономить около 25 тыс. литров дизельного топлива ежегодно, при этом также снижается количество выбросов CO2 на 63,5 т в год с одной установки, а срок окупаемости не превышает 15 лет [2].
В последнее время в мире наблюдается большой интерес к добыче углеводородного сырья морей и океанов, таких как нефть и природный газ. Внедрение ВИЭ для добычи углеводородного сырья позволит нефтяным морским платформам быть самогенерирующими, экологичными и не вредить при этом окружающей среде [3]. Такие ВИЭ, как солнечная, ветровая и волновая и др., могут также применяться на бытовых морских платформах [4].
Перспективными районами для внедрения ВИЭ являются Ненецкий автономный округ и Ямало-Ненецкий автономный округ, имеющие много отдаленных крупных предприятий по добыче, переработке и транспортировке нефти и газа [5]. Районы присутствия ОАО «ЛУКОЙЛ» в развитии ветроэнергетики с высоким ветроэнергетическим потенциалом – Астраханская, Волгоградская, Калининградская области, Краснодарский край и полуостров Варандей в Ненецком автономном округе. Для этих районов необходимы ветроэнергоустановки (ВЭУ) средней и большой мощности, стабильно работающие при скорости ветра от 4 до 25 м/с.
Компания «Роснефть» расширяет географию использования ВИЭ для электроснабжения удаленных объектов нефтегазодобычи. Ее специалисты определили «экономически эффективный радиус» для ряда отдельных региональных зон присутствия компании – расстояние от объекта нефтегазодобычи до ближайшего источника электроэнергии, при котором применение ВИЭ становится экономически выгодным. Применение ВИЭ в процессах нефтегазодобычи вносит вклад в достижение целей стратегии «Роснефть-2030: надежная энергия и глобальный энергетический переход». Одно из ключевых направлений – снижение углеродного следа в разведке и добыче. Внедрение ВИЭ поможет также решить задачу электроснабжения удаленных скважин, не имеющих доступа к стационарным электросетям. Солнечные панели установлены на Чутырско-Киенгопском месторождении на двух нагнетательных скважинах для энергоснабжения управляющего оборудования [6].
В целом, для России сегодня использование ВИЭ в особо благоприятных случаях может оказаться вполне конкурентоспособным экономически. Это относится к территориям страны, не обеспеченным централизованным энергоснабжением и использующим дорогое привозное топливо. В этих случаях использование ВИЭ имеет также большое социальное значение, увеличивая надежность энергоснабжения. Начали применяться комбинированные ветро-солнечные электростанции (КВСЭС), т. к. они более надежны и стабильны, чем ветровые или солнечные электростанции в отдельности [7, 8]. Успешно прошли испытания автономные блочно-комплектные энергетические установки серии БКЭУ-ВСМ на базе ветро-солнечных модулей (БКЭУ-ВСМ-ДГА) [9, 10]. Все эти аксиальные ветроэнергоустановки (АВЭУ) и ортогональные ветроэнергоустановки (ОВЭУ) используются в основном для автономного электроснабжения небольших линейных объектов малой мощности. К ним можно отнести площадки электроприводных узлов нефте- и газопроводов, станций электрохимической защиты от коррозии, систем обнаружения утечек и др. Как правило, мощность этих установок составляет не более 20 кВт, мощность ВЭУ в их составе 10 кВт, причем их коэффициент мощности (энергетический КПД) не превышает 0,45.
В работе [11] авторами были предложены ОВЭУ с комбинированными роторами Н-Дарье-Савониуса (КРДС) с энергетическим КПД 0,60 с номинальной мощностью до 60 кВт. Эти ОВЭУ смогут использоваться совместно с другими энергоустановками, такими как СЭС, ДГА и газопоршневые электрогенераторы (ГПЭГ), работающие на природном и попутном газе. ДГА и ГПЭГ в настоящее время являются самыми доступными, имеют лучшее соотношение цены, надежности и качества, обладают высоким КПД, достигающим 0,40, и ресурсом около 40 тыс. моточасов до капитального ремонта [9, 10]. Однако на практике возникает потребность в применении еще более мощных ВЭУ, которые совместно с другими энергоустановками смогли бы использоваться не только в инфраструктуре промысловых объектов, но и для привода скважинных установок различных типов для добычи нефти. Поэтому достаточно актуальной представляется разработка еще более мощных и энергетически эффективных вихревых ветроэнергоустановок (ВВЭУ) и вихревых ветро-солнечных энергоустановок (ВВСЭУ) для добычи нефти.
Целью работы является разработка и оценка параметров модернизированной ВВСЭУ для добычи нефти, задачами – анализ существующих ВВЭУ
и ВВСЭУ, разработка, экспериментальное исследование основных параметров модернизированной ВВСЭУ и оценка ее параметров для добычи нефти.
Краткая характеристика ВВЭУ и ВВСЭУ
Наряду с традиционными АВЭУ и ОВЭУ, рассмотренными в работе [11], в последние десятилетия стали применяться более мощные и энергетически эффективные ВВЭУ [12, 13].
В конструкции ВВЭУ фирмы Gumman Aerospace Corporation [12] (рис. 1) в нижней широкой части башни располагаются в кольцах для генерирования вихрей осевые ветроколеса пропеллерного типа в кольцах.

Рис. 1. ВВЭУ фирмы Gumman Aerospace Corporation
Fig. 1. VWPP from Gumman Aerospace Corporation
Энергетический КПД таких ВВЭУ будет выше, чем у широко используемых АВЭУ и ОВЭУ, а удельная получаемая электроэнергия достигает 10 кВт/м2. При этом капитальные затраты на ВВЭУ находятся в пределах 65–500 $/кВт, что сопоставимо с затратами на сооружение электростанций, использующих органическое топливо, составляющими 300 $/кВт [13].
Более эффективными представляются ВВСЭУ, в которых наряду с ветровой используется солнечная энергия. Например, в Казахстане была создана экспериментальная ВВСЭУ «Торнадо-2С» [14]. Общий вид этой установки приведен на рис. 2.

Рис. 2. Экспериментальная ВВСЭУ «Торнадо-2С»
Fig. 2. Experimental VWSPP “Tornado-2S”
При номинальной мощности 6,0 кВт выработка электроэнергии составила около 50 МВт·ч/год. Однако, как и в ранее рассмотренной ВВЭУ, в этой установке используется ветродвигатель пропеллерного типа, аналогичного по конструкции, которые используются АВЭУ. КПД этих ветродвигателей не превышает 0,45.
В ВВЭУ и ВВСЭУ возникает вихрь с углом подъема 3–5°, т. е. возникает вращательное движение воздуха, поэтому целесообразно использовать вертикально-осевые ветродвигатели, в частности, предлагаемый авторами комбинированный ветродвигатель на основе роторов Н-Дарье и Савониуса, т. е. КРДС с оригинальными вертикальными лопастями с зубцами на концах, который имеет энергетический КПД до 0,70 [15]. В этом комбинированном ветродвигателе совмещается быстроходность за счет ротора Н-Дарье и самозапуск за счет ротора Савониуса.
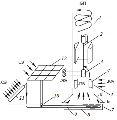
Поэтому в 2022 г. была предложена более совершенная схема модернизированной ВВСЭУ (рис. 3) с цилиндрической вихревой трубой (ЦВТ), КРДС, солнечной водонагревательной установкой (СВУ) и фотоэлектрической панелью (ФЭП) [16].

Рис. 3. Cхема модернизированной ВВСЭУ
Fig. 3. Scheme of the modernized VWSPP
В ЦВТ 1 располагаются КРДС 3 для привода электрогенератора, завихритель потока воздуха 4, окна 5 для ветрового потока. Под ЦВТ располагается конфузор 6 с отверстиями для поступления воздуха В. Под конфузором располагается тепловой аккумулятор 7 с теплоаккумулирующим материалом фазового перехода (ТАМФП) 8, например, парафином. Для подогрева и плавления ТАМФП используется СВУ, состоящая из погружного трубчатого подогревателя 9, коллектора солнечной энергии (КСЭ) 11 и циркуляционного насоса 10 с приводом от ФЭП 12.
Поступающий через отверстия в конфузоре воздух В поступает внутрь теплового аккумулятора и нагревается от поверхности ТАМФП. Подогретый воздух ПВ поступает в ЦВТ, поднимается вверх и смешивается с воздушным потоком, поступающим через окна 5, и завихряясь с помощью завихрителя потока воздуха 4 поднимается вверх по ЦВТ 1, вращает КРДС 2 с электрогенератором 3. Таким образом, предлагаемая ВВСЭУ, используя ветровую и солнечную энергию (ВЭ) и (СЭ), позволяет вырабатывать электроэнергию (ЭЭ). Предлагаемая ВВСЭУ по сравнению с ВСВЭУ «Торнадо-2С» с пропеллерным ветродвигателем и воздушным солнечным коллектором обладает существенными преимуществами: более высоким КПД ротора
и СВУ жидкостного типа, а тепловой аккумулятор с ТАМФП обеспечивает более равномерную выработку электроэнергии при соответствующей емкости теплового аккумулятора.
Экспериментальные исследования параметров ВВТЭУ
Для проведения экпериментальных исследований была применена цилиндрическая вихревая труба с гораздо более развитой площадью завихрителей, позволяющая направить ветровой поток на все сечение ротора. Следует также отметить, что КРДС (см. рис. 3) заменен на оригинальный ротор Н-Дарье с закрылками, имеющие зигзагообразные элементы треугольной формы. Это связано с тем, что, как показали предварительные эксперименты, ротор Савониуса в вихревом потоке препятствовал раскручиванию и дальнейшей работе КРДС.
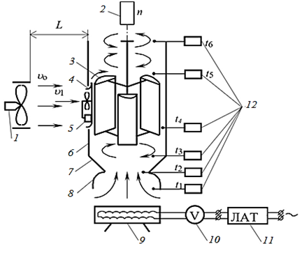
Для экспериментальных исследований основных параметров модернизированных ВВСЭУ была разработана лабораторная вихревая ветротепловая энергоустановка (ВВТЭУ) с усовершенствованным ротором Н-Дарье [17]. Лабораторная ВВТЭУ показана на рис. 4.

а б
Рис. 4. Лабораторная ВВТЭУ с ротором Н-Дарье и плоским теплоэлектронагревателем:
а – общий вид; б – измерительная схема
Fig. 4. Laboratory VWTPP with an H-Daria rotor and a flat thermal electric heater:
a – general view; б – measuring circuit
Ветер в лабораторной установке моделировался потоком воздуха от осевого промышленного вентилятора 1, а солнечный водонагреватель для подогрева воздуха в нижней части вихревой трубы имитировался с помощью плоского цилиндрического теплоэлектронагревателя (ТЭН). Установка состоит из параболоидного конфузора 8 диаметром 280 мм, короткого конического диффузора 7 и цилиндрической вихревой трубы 6 диаметром 350 мм и высотой 500 мм с квадратным окном 320 × 320 мм для завихрителя воздушного потока 4. В цилиндрической части вихревой трубы располагается оригинальный ротор Н-Дарье 3 диаметром 320 мм, высотой 300 мм с закрылками с треугольными зубцами. Под вихревой трубой располагается плоский ТЭН 9, в качестве которого используется электроплитка с нагревательным элементом в форме диска диаметром 190 мм. На этой установке были исследованы вихревые потоки, возникающие над плоским ТЭН 9 и поднимающиеся через параболоиный конфузор 8 и конический диффузор 7 в вихревую трубу 6, и в ней взаимодействуют с ротором Н-Дарье 3.
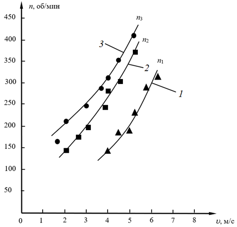
В настоящей работе представлены лишь некоторые новые результаты, полученные в 2024 г., по определению основных энергетических параметров. Были проведены эксперименты по измерению частоты вращения ротора Н-Дарье n с помощью лазерного тахометра Victor DM 6234 P 2 с абсолютной погрешностью 1 об/мин, дающего гораздо более точные результаты по сравнению с ранее использовавшимися механическими тахометрами. Напряжение электротока, подаваемого в ТЭН 9, измерялось с помощью вольтметра 10 и лабораторного автотрансформатора (ЛАТ) 11. Температура воздуха в вихревой трубе t измерялась с помощью цифровых термометров 12. Средняя скорость воздушного потока v = vL в каждом из сечений на расстоянии L от вентилятора определялась на основе осреднения скоростей потока в девяти точках с помощью цифрового анемометра 5 с погрешностью не более 0,1 м/с. Для сопоставления полученных результатов с ранее полученными при исследовании ротора Н-Дарье [18] был построены графики (рис. 5) зависимости частоты вращения ротора Н-Дарье n1, n2 и n3 от скорости горизонтального воздушного потока (кривая 1), от скорости воздушного потока в вихревой трубе (кривая 2) и от скорости воздушного потока в вихревой трубе с подогревом (кривая 3).

Рис. 5. Графики зависимости скорости вращения ротора Н-Дарье:
1 – n1 от скорости горизонтального воздушного потока; 2 – n2 от скорости воздушного потока в вихревой трубе;
3 – n3 от скорости воздушного потока с подогревом
Fig. 5. Graphs of the rotation speed of the H-Daria rotor:
1 – n1 on the speed of the horizontal air flow; 2 – n2 on the air flow speed in the vortex tube;
3 – n3 from the air flow speed with heating
При проведении экспериментов гипотетически предполагалось, что фактическая измеренная средняя скорость горизонтального воздушного потока на входе в завихрители была практически равна окружной скорости в вихревой трубе. Однако эта гипотеза требует проверки путем непосредственного измерения скорости практически кругового течения в вихревой трубе. Как видно из рис. 5, все три графики частот вращения n1, n2 и n3 с помощью лазерного тахометра Victor DM 6234 P имеют единообразный вид параболических зависимостей в отличие от ранее полученных в 2023 г. линейных зависимостей в вихревой трубе и в вихревой трубе с подогревом.
Из рис. 5 также видно, что при повышении скорости воздушного потока от 4,1 до 6,3 м/c частота вращения модернизированного ротора Н-Дарье с оптимальным углом установки лопастей и закрылками с треугольными зубьями при ортогональном ветровом потоке увеличилась с 130 до 310 об/мин, т. е. в 2,4 раза. При повышении окружной скорости воздушного потока в вихревой трубе, практически равной скорости воздушного потока снаружи вихревой трубы, в диапазоне скоростей от 2,0 до 5,2 м/c частота вращения ротора Н-Дарье увеличилась с 140 до 370 об/мин, а при тех же условиях с дополнительным подогревом потока снизу частота вращения ротора Н-Дарье увеличилась с 220 до 420 об/мин. Вращение ротора Н-Дарье начиналось лишь при скорости 4,1 м/c, а в круговом потоке в вихревой трубе – с 2,0 м/c, а при подогреве – с 1,5 м/c. В диапазоне скорости воздушного потока от 4,1 до 5,2 м/c частота вращения ротора Н-Дарье в вихревой трубе будет в 1,61–1,71 раза, в среднем в 1,66 раза больше, а частота вращения ротора Н-Дарье в вихревой трубе с подогревом в 1,91–2,46 раза, в среднем в 2,14 раза больше, чем для ротора Н-Дарье в горизонтальном воздушном потоке. Можно сделать вывод, что наиболее эффективно использование ротора Н-Дарье в вихревой трубе при малых скоростях. Это объясняется тем, что в вихревой трубе возникает вихревой, почти круговой, поток воздуха, в котором все лопасти ротора Н-Дарье все время находятся в воздушном набегающем потоке. Поэтому для раскрутки ротора Н-Дарье не требуется ротор Савониуса, как это было использовано в КРДС при горизонтальном воздушном потоке [15].
Анализ эффективности экспериментальных ВВТЭУ
Рассмотрим энергетическую эффективность лабораторных экспериментальных ВВТЭУ. Зависимость мощности ротора Н-Дарье от скорости воздушного потока показана на рис. 6.

Рис. 6. Зависимость мощности ротора Н-Дарье от скорости воздушного потока:
1 – в свободном потоке; 2 – в вихревой трубе; 3 – в вихревой трубе с подогревом
Fig. 6. Dependence of H-Darier rotor power on air flow speed:
1 – in free flow; 2 – in a vortex tube; 3 – in a heated vortex tube
Графики зависимости мощности ротора Н-Дарье в свободном потоке 1, вихревой трубе 2 и вихревой трубе с подогревом 3 имеют параболический характер. Анализ полученных значений показывает, что мощности ротора Н-Дарье в вихревой трубе и в вихревой трубе с подогревом будут соответственно в среднем 3,76 и 4,97 раза больше мощностей ротора Н-Дарье в свободном воздушном потоке за счет больших частот вращения ротора. Такой мультипликативный эффект можно объяснить особенностями аэродинамики и энергетики роторов Н-Дарье, помещенных в круговой поток в вихревой трубе. Наблюдается постоянное пребывание крыловидных лопастей роторов Н-Дарье в почти вращающихся потоках, в отличие от периодического пересекающего ротора Н-Дарье свободного горизонтального прямолинейного потока, как это было показано в работе Д. Н. Горелова [13]. Нагретый ТЭНом воздух, поступающий снизу в вихревую трубу, приносит дополнительный импульс за счет дополнительной массы воздуха, а также за счет прямого превращения тепловой энергии в механическую, как было показано Н. К. Надировым, В. М. Низовкиным в работе [14]. В конечном итоге это приводит к существенному росту скорости вихревого потока и соответственно его мощности, что наблюдается в природных торнадо и вихревых установках других авторов [12, 14, 19].
Таким образом, мощности ротора Н-Дарье в вихревой трубе и в вихревой трубе с подогревом будут соответственно в 3,76 и 4,97 раза больше мощностей ротора Н-Дарье в свободном воздушном потоке за счет больших частот вращения ротора. Это объясняется особенностями аэродинамики и энергетики роторов Н-Дарье, помещенных в круговой поток, возникающий в вихревой трубе с постоянным пребыванием в нем крыловидных лопастей роторов Н-Дарье.
Выполним оценку основных параметров предлагаемой ВВСЭУ в соответствии с методикой, приведенной в работе [14]. Определим подводимую мощность энергии атмосферы N, как сумму ветровой NВ и тепловой (главным образом за счет солнечной энергии) мощности NТ. Далее определим полезную мощность торнадо, кВт:
NПТ = ηкN, (1)
где ηк – КПД выхода кинетической энергии, можно принять ηк = 0,714.
С учетом КПД ветродвигателя и электрогенератора электрическая мощность ВВСЭУ, кВт, составит:
NЭТ = NПТ ηВД ηЭ, (2)
где ηВД – КПД ветродвигателя, принимаем для аксиального пропеллерного ветродвигателя ηАПВ = = 0,45 [14], для ротора Н-Дарье ηРД = 0,72 [15]; ηЭ – КПД электрогенератора, принимается ηЭ = 0,95.
Оценка мощности ВВСЭУ по формуле (2) с аксиальным пропеллерным ветродвигателем NАПВ и ротором Н-Дарье NРД в зависимости от его основных геометрических размеров (диаметра D и высоты H) вихревой трубы приведена в таблице.
Оценка мощности ВВСЭУ с аксиальным пропеллерным ветродвигателем и ротором Н-Дарье
в зависимости от диаметра D ротора и высоты H вихревой трубы, кВт
Evaluation of the VWSPP power with an axial propeller wind turbine and an H-Darye rotor
depending on the diameter D of the rotor and the height H of the vortex tube, kW
|
Параметры |
Значения |
|||
|
D × H, м × м |
1,0 × 7,5 |
1,5 × 15 |
3,0 × 20 |
5,0 × 33 |
|
NАПВ |
6,08 |
18,24 |
48,81 |
133,8 |
|
NРД |
9,72 |
29,18 |
78,10 |
214,08 |
Согласно таблице, с увеличением диаметра вихревой трубы DВТ от 1,0 до 5,0 м, т. е. в 5 раз, мощность установки с пропеллерным ветродвигателем увеличивается с 6,08 до 133,8 кВт, для установки с ротором Н-Дарье – с 9,72 до 214,08 кВт, т. е. в 22 раза. Расчетное значение полезной мощности установки Торнадо при диаметре вихревой трубы 1,0 м NАПВ = 6,08 кВт практически совпадает с полученным в работе [14] экспериментальным значением 6,0 кВт.
Предлагаемые ВВСЭУ могут быть использованы для энергоснабжения нефтегазопромысловых объектов, как на суше, так и на море, в т. ч. на нефтедобывающих платформах. Полученные результаты будут использоваться в дальнейших исследованиях по детальному изучению КПД ВВСЭУ с модернизированным ротором Н-Дарье с большими габаритными размерами в натурных условиях. После оптимизации ряда конструктивных и технологических параметров они могут быть применены при проектировании, сооружении и эксплуатации этих энергоустановок.
Для нефтегазопромысловых объектов в южных регионах, располагающих значительным потенциалом ветровой и солнечной энергии, могут кроме ВВСЭУ использоваться и СЭС на основе ФЭП.
В качестве примера на рис. 7 приведена энерготехнологическая схема применения модернизированной ВВСЭУ для добычи нефти.

Рис. 7. Энерготехнологическая схема применения модернизированной ВВСЭУ для добычи нефти:
ВП – вихревой поток; СЭ – солнечная энергия; ВЭ – ветровая энергия; ПВ – поток воздуха;
ЭЭ – электроэнергия; ДГ – дымовые газы; ОГ – очищенный газ;
ПГ – попутный газ; ПС – пластовая смесь; Н – нефть
Fig. 7. Energy and technological scheme for using the modernized VWSPP for oil production:
ВП – vortex flow; СЭ – solar energy; ВЭ – wind energy; ПВ – air flow; ЭЭ – electricity energy;
ДГ – flue gases; ОГ – purified gas; ПГ – associated gas; ПС – reservoir mixture; Н – oil
Согласно рис. 7, наряду с модернизированной ВВСЭУ (позиции 1–12) с ротором Н-Дарье 2 для энергоснабжения привода насосов для скважин 20 через коммутирующее устройство 14, через блок электропитания и управления 21 на скважинные насосы поступает электроэнергия ЭЭ. Выработка электроэнергии осуществляется также СЭС 13 на основе ФЭП, а также дизель-электрогенератор (ДЭГ) 15. Для отделения попутного газа ПГ от нефти Н используется нефтегазосепаратор 19, для очистки попутного газа ПГ фильтр 18, а для компремирования очищенного газа ОГ компрессор 17. Для снижения колебаний давления очищенного газа перед поступлением его в ДГА 15 применяется ресивер 16.
При недостаточном уровне получаемой от модернизированной ВВСЭУ и СЭС электроэнергии запускается газовый ДЭГ. Предварительные оценки показывают, что ВВСЭУ позволяет выработать до 30 % необходимой электроэнергии для добычи нефти из группы скважин, СЭС – до 20 %, а оставшиеся 50 % вырабатывает газовый ДЭГ. Таким образом, за счет использования модернизированной ВВСЭУ и СЭС затраты традиционных энергоисточников на добычу нефти можно сократить в 2 раза. Максимальные значения коэффициента мощности (энергетического КПД) усовершенствованного ротора Н-Дарье достигает 0,72, что практически в 1,6–2,1 раза выше, чем у серийно выпускаемых ВЭУ, имеющих коэффициент мощности не более 0,35–0,45. Мощность ВВСЭУ за счет применения усовершенствованного ротора Н-Дарье и за счет вихревого эффекта при диаметре ротора 5,0 м может достигать 214 кВт, т. е. на порядок выше, чем на уже применяемых на промысловых объектах серийно выпускаемых АВЭУ и ОВЭУ. Предлагаемые модернизированные ВВСЭУ совместно с другими энергоустановками могут использоваться не только в инфраструктуре нефтегазопромысловых объектов, но и для добычи нефти на суше и на море. В дальнейшем они могут обеспечить работу интеллектуальных скважин, а в перспективе и полностью автономное энергоснабжение интеллектуальных месторождений.
Заключение
1. Предложены усовершенствованные ВВСЭУ на основе модернизированных КРДС с лопастями, имеющими зубчатые закрылки, ЦВТ, СВУ и ФЭП. В ЦВТ располагаются ротор Н-Дарье для привода электрогенератора, завихритель потока воздуха и окна для ветрового потока. Под ЦВТ располагается конфузор с отверстиями для поступления воздуха, под которым имеется тепловой аккумулятор с ТАМФП. Для подогрева и плавления ТАМФП используется СВУ.
2. Для исследования параметров ВВСЭУ была разработана лабораторная ВВТЭУ. В этой установке ветер имитировался потоком воздуха от вентилятора, а СВУ для подогрева воздуха в нижней части вихревой трубы имитировался плоским ТЭН. В диапазоне скорости воздушного потока от 4,1 до 5,2 м/c частота вращения ротора Н-Дарье в вихревой трубе будет в среднем в 1,66 раза больше, а частота вращения ротора Н-Дарье в вихревой трубе с подогревом в среднем в 2,14 раза больше, чем для ротора Н-Дарье в горизонтальном воздушном потоке.
3. За счет больших частот вращения ротора
Н-Дарье в вихревой трубе с подогревом мощность будет в среднем в 4,97 раза больше мощности ротора Н-Дарье в свободном воздушном потоке. Это объясняется особенностями аэродинамики и энергетики роторов Н-Дарье, помещенных в практически круговой поток в вихревой трубе. Это приводит к существенному росту скорости вихревого потока и соответственно его мощности, что наблюдается в природных торнадо и вихревых установках других авторов. С увеличением диаметра вихревой трубы от 1,0 до 5,0 м мощность ВВСЭУ увеличивается с 9,72 до 214,08 кВт, т. е. в 22 раза.
4. Рассмотрена энерготехнологическая схема применения ВВСЭУ для добычи нефти. При недостаточном уровне получаемой от ВВСЭУ и СЭС электроэнергии запускается ДЭГ, работающий на очищенном попутном газе. ВВСЭУ позволяет выработать до 30 % необходимой электроэнергии для добычи нефти из группы скважин, СЭС – до 20 %, а оставшиеся 50 % вырабатывает ДЭГ. За счет использования ВВСЭУ и СЭС затраты традиционных энергоресурсов на добычу нефти можно сократить в 2 раза. Мощность ВВСЭУ за счет вихревого эффекта и применения усовершенствованного ротора Н-Дарье и при диаметре ротора 5 м может достигать 214 кВт, т. е. на порядок выше, чем у применяемых ВЭУ различных типов.
1. Babicheva L. K., Neprinceva E. V., Shubin S. A. Riski razvitija VIJe v neftegazovoj otrasli v uslovijah COVID-19 [Risks of renewable energy development in the oil and gas industry in the context of COVID-19]. Strategicheskie reshenija i risk-menedzhment, 2020, T. 11, no. 4, pp. 412-419. DOI:https://doi.org/10.17747/2618-947X-2020-4-412-419.
2. Fomin R. Ju., Mingaleeva R. D., Bessel' V. V. Pov-yshenie jeffektivnosti jenergosnabzhenija neftegazovyh ob#ektov za schjot ispol'zovanija vozobnovljaemyh isto-chnikov jenergii [Improving the efficiency of energy supply to oil and gas facilities through the use of renewable energy sources]. Santehnika, otoplenie, kondicionirovanie, 2023, no. 10, pp. 76-79. Available at: https://www.c-o-k.ru/articles/povyshenie-effektivnosti-energosnabzheniya-neftegazovyh-obektov-za-schet-ispolzovaniya-vie (accessed: 24.04.2024).
3. Urusov T., Cheban A. Primenenie VIJe na morskih neftedobyvajushhih platformah [The use of VWP on off-shore oil production platforms]. Zdanija vysokih tehnologij, 2019, no. 2, pp. 46-53. Available at: http://zvt.abok.ru/articles/610/Primenenie_VIE_na_morskih_neftedobivayuchshih_platformah (accessed: 24.04.2024).
4. Shishkin N. D., Baltan'jazov I. V., Gerlov V. N. Ispol'zovanie vozobnovljaemyh istochnikov jenergii dlja jenergosnabzhenija neftedobyvajushhih morskih platform [The use of renewable energy sources for the energy supply of oil-producing offshore platforms]. Vestnik Astrakhanskogo gosudarstvennogo tekhnicheskogo universiteta. Seriia: Morskaia tekhnika i tekhnologiia, 2009, no. 2, pp. 193-197.
5. «Rosneft'» rasshirjaet geografiju ispol'zovanija vozobnovljaemyh istochnikov jenergii [Rosneft expands the geography of the use of renewable energy sources]. Available at: https://nangs.org/news/renewables/rosnefty-rasshiryaetge-grafiyu-ispolyzovaniya-vozobnovlyaemyh-istochnikov-energii (accessed: 24.04.2024).
6. «Gazprom neft'» zapustila pervuju vetro-solnechnuju jelektrostanciju na poluostrove Jamal [Gazprom Neft has launched the first wind and solar power plant on the Yamal Peninsula]. Available at: https://tass.ru/ekonomika/4322527 (accessed: 24.04.2024).
7. Turovin O. A., Ognev E. N., Kochnev A. E. Primen-imost' vetro-solnechnoj jenergetiki v kachestve al'ternativnogo istochnika jelektrosnabzhenija neftjanyh ob'ektov kompanii [The applicability of wind and solar energy as an alternative source of electricity supply to the company's oil facilities]. PRONEFT''. Professional'no o nefti, 2017, no. 2 (4), pp. 69-74.
8. Golubev S. V. Vozobnovljaemye istochniki jenergii v jenergetike gazovoj otrasli. Perspektivy i aspekty primenenija VIJe na ob'ektah PAO «Gazprom» [Renewable energy sources in the energy sector of the gas industry. Prospects and aspects of the use of renewable energy at the facilities of PJSC]. Gazovaja promyshlennost', 2016, no. 12 (746), pp. 72-76.
9. Golubev S. V. Primenenie jenergoustanovok i jener-gokompleksov na baze vozobnovljaemyh i al'ternativnyh istochnikov jenergii dlja ob#ektov gazovogo kompleksa [The use of power plants and energy complexes based on renewable and alternative energy sources for gas facilities]. Gazovaja promyshlennost', 2017, no. 5, pp. 2-6.
10. Avtonomnye blochno-komplektnye jenergeticheskie ustanovki [Autonomous block-complete power plants]. Available at: https://nipom.ru/blog/news/massmedia/avtonomnye-blochno-komplektnye-energeticheskie-ustanovki-bkeu-vsm (accessed: 25.09.2023).
11. Shishkin N. D., Marysheva M. A. Ortogonal'nye vetrojenergoustanovki dlja neftegazopromyslovyh ob'ektov na sushe i na more [Orthogonal wind turbines for oil and gas field facilities on land and at sea]. Neftegazovye tehnologii i jekologicheskaja bezopasnost'. 2023, no. 4, pp. 45-53. Available at: https://doi.org/10.24143/1812-9498-2023-4-45-53.
12. Serebrjakov R. A., Kalinichenko A. B. Vihrevaja vetrojenergetika [Vortex wind energy]. Available at: http://www.sovstroymat.ru/2001_11_14.php (accessed: 29.04.2021).
13. Gorelov D. N. Ajerodinamika vetrokoles s vertikal'noj os'ju vrashhenija [Aerodynamics of wind wheels with a vertical axis of rotation]. Omsk, Poligraf. centr KAN, 2012. 66 p.
14. Nadirov N. K., Nizovkin V. M. Koncentracija solnechno-vetrovoj jenergii atmosfery i sozdanie jel-ektrostancii tipa «Tornado» [Concentration of solar and wind energy of the atmosphere and creation of a Tornado-type power plant]. Neft' i gaz, 2015, no 1 (85), pp. 107-119.
15. Shishkin N. D., Ilyin R. A. The energy efficiency research of combined H-Darier-Savonius rotors for autonomous power supply of objects on land and at sea. Journal of Physics: Conference Series, 2020. Available at: https://www.elibrary.ru/item.asp?id=45122488&pff=1 (accessed: 12.11.2020).
16. Shishkin N. D., Pahalev A. D. Razrabotka konstrukcii kombinirovannoj solnechno-vetrovoj ustanovki [Design development of a combined solar-wind installation]. Integracija nauki, obshhestva, proizvodstva i promyshlennosti: sbornik statej po itogam Mezhdunarodnoj nauchno-prakticheskoj konferencii. Sterlitamak, AMI Publ., 2021. Pp. 174-180.
17. Shishkin N. D., Il'in R. A. Vihrevye vertikal'no-osevye vetrovye jenergeticheskie ustanovki dlja avtonom-nogo jenergosnabzhenija [Vortex vertical-axial wind power plants for autonomous power supply]. Jenergobezopasnost' i jenergosberezhenie, 2022, no. 1, pp. 32-37.
18. Shishkin N. D., Ilyin R. A. The design, estimation of the parameters of the vertical-axial wind-mill electric generating unit for the self-generated power supply of the objects. Journal of Physics: Conference Series, 2018, vol. 1111, p. 012055.
19. Birjuk V. V., Gorjainov S. B., Uglanov D. A. Vihrevaja jenergetika [Vortex energy]. Sovremennaja nauka: issledovanija, idei, rezul'taty, tehnologii, 2011, no. 2 (7), pp. 220-225.



