The article highlights the peculiarities of teaching physics to the students of Astrakhan Technical University during a special course “Operation of marine electrical equipment and means of automatics” within the framework of technical creativity workshop “Applied physics” organized under the Department of Physics. The given special course can promote realization of a variative part of the direction, according to the curriculum. The content of the special course meets didactic principles: integration, continuity and succession of training, fundamentality and professional orientation of interdisciplinary links. It was theoretically proved that such content is most fully satisfied by the special course on physics “Bases of electromagnetism and electromagnetic compatibility elements” based on integration of physical theories with technical ones in the frame of the elective disciplines “Bases of electromagnetic compatibility” which helps to form professional orientation of knowledge and abilities on physics. There is examined a theoretical component of the special course and particular tasks and solutions are given: practical problem connected with professional activity of the future specialist; the research problem, allowing to predict the expected result and to learn how to conduct the research work; the creative problem satisfying the conditions of industrial teaching. Diagrams of a DC electric circuit, a graph of dynamic loops of remagnetization of a coil, illustrations of the block “Properties of gases”, the laboratory complex “Electricity and Magnetism”, a block of generators, a diagram and model of the Brovin Kacher device, as well as its components are given as part of the exemplary tasks for students. The experience of non-contact energy transfer is illustrated. Conclusions are drawn about the practical significance of the special course in the framework of the work of the workshop of technical creativity at the Department of Physics of Astrakhan State Technical University.
professional orientation, variative part, elective disciplines, special course in physics, workshop of technical creativity
Введение
Высшее образование в России нацелено на подготовку высококвалифицированных специалистов, способных к саморазвитию и усвоению новых технологии. Сегодня перед обществом наиболее остро стоит вопрос: как улучшить качество вузовского образования, как наладить тесную связь между вузом и производством? Физика – это мощный фундамент практически всех дисциплин технического цикла, поэтому выпускникам инженерных направлений необходимы знания основ физики и умения применять их в дальнейшей профессиональной деятельности, чтобы стать грамотными специалистами. Необходима связь физики с другими дисциплинами [1, 2]. Как реализовать межпредметные связи дисциплины «Физика» (дисциплина образовательной части) с дисциплинами по выбору, являющимися компонентами вариативной части курса? В рамках данного направления такие дисциплины (модули) по выбору, как «Судовые электрические сети и светотехника», «Электро-безопасность высоковольтных судовых автоматизированных электроэнергетических систем», «Основы электромагнитной совместимости», по тематике обучения находятся в тесной связи с дисциплиной «Физика». Поэтому на базе материала физики можно разработать спецкурсы, которые будут способствовать повышению физико-технической подготовки студентов и умению реализовывать свои знания в виде собственных проектов, связанных с их будущей профессией.
Анализируя учебный план, рабочую программу по дисциплине «Физика», квалификационные характеристики и стандарты для данной инженерной специальности, мы пришли к выводу:
– на контактную работу со студентами приходится 50 % от всего объема часов, выделенных на обучение физики по всему курсу, и это число неуклонно сокращается;
– падает уровень умений применять знания по физике к решению профессиональных задач, т. к. на контрольные работы часы не выделяются, практически утрачивается контроль за качеством знаний студентов.
Актуальность исследования
Анализируя особенности преподавания физики в технических вузах, в частности в ФГБОУ ВО «Астраханский государственный технический университет» (АГТУ), мы пришли к выводу, что подготовка студентов по дисциплине в рамках вариативного компонента учебного плана с использованием спецкурсов по физике по данному направлению, отражающих связь физических и технических теорий, не рассматривалась, хотя и упоминалась в некоторых статьях [3, 4]. Актуальность нашего исследования связана с проблемой поиска методики обучения студентов направления подготовки «Эксплуатация судового электрооборудования и средств автоматики» по физике в рамках вариативного компонента.
Одним из решений данной проблемы может быть организация спецкурсов, которые стоят на «стыке» дисциплины «Физика» и дисциплин по выбору и могут успешно реализовывать их межпредметные связи. Курсы должны соответствовать профилю специальности студентов; отражать содержание основного материала дисциплины «Физика»; ставить и решать актуальные научно-технические вопросы в рамках вариативного компонента. Однако необходимо выделить время на данные спецкурсы.
Проблему времени мы предлагаем решить за счет числа часов, отводимых на самостоятельную работу студентов по дисциплине. Спецкурсы могут функционировать в рамках работы мастерской технического творчества «Прикладная физика», организованной при кафедре «Физика».
Цель спецкурсов – научить обучающихся применять фундаментальные законы и явления физики при решении профессиональных задач с использованием современных тенденций развития физики и техники; сформировать у студентов определенные умения и навыки, владея которыми они смогут решать задачи исследовательского и творческого характера, а также задачи прикладного характера, требующие серьезных расчетов. Важно ставить перед студентами такие задачи, чтобы они развивали познавательные, творческие способности личности и отвечали нуждам общества на данном этапе развития. Каждое направление подготовки и каждая инженерная специальность имеют свои перспективные направления развития, свои методы и технологии реализации поставленных задач, решают свои конкретные профессиональные компетенции, что необходимо учитывать при «наполняемости» спецкурса. Иными словами, содержание спецкурсов по физике должно способствовать реализации принципа профессиональной направленности и отражать межпредметные связи модулей обучения.
Существует два варианта разработки содержания спецкурсов: первый предполагает, что основными являются физические понятия, явления, законы, а профессионально направленный материал – второстепенным; второй вариант, наоборот, на первый план выдвигает задачи профессионального характера, а физические основы призваны их решать.
Так как физика является базовой фундаментальной дисциплиной естественно-научного цикла, а не спецдисциплиной, мы полагаем, что первый способ наиболее точно отражает цель и содержание спецкурса. Спецкурс, названный нами «Основы электромагнетизма с элементами электромагнитной совместимости», ориентирован на дисциплину по выбору «Основы электромагнитной совместимости», лучше реализуется по первому варианту, т. е. инвариантный компонент – основные явления и законы разделов физики «Электромагнетизм» и «Электроэнергетическая система» и др. Варьируемый – электрическое оборудование, защита от электромагнитного поля и от электростатического разряда, качество электрической энергии и электромагнитная обстановка на судах и т. д. Выбор первого варианта объясняется также тем, что работа судовых электроэнергетических систем основана на понятиях таких разделов физики, как «Электростатика. Постоянный и переменный электрический ток», «Магнитостатика», которые студенты получают на первом и втором курсах. Поэтому знание теоретического компонента разделов, умения решать задачи по этим разделам в дальнейшем позволят выполнять профессиональные задачи и исследовательскую работу.
Спецкурс «Основы электромагнетизма с элементами электромагнитной совместимости» наиболее полно отражает цель нашего исследования – обучение физики в рамках вариативного компонента, поскольку:
– теоретическая составляющая спецкурса отражает знания студентов, полученные ими при изучении дисциплины «Физика» на «традиционных» занятиях с учетом развития науки и техники в целом;
– содержание спецкурса позволит получить новые интегрированные знания с профессиональным содержанием, т. к. мы предлагаем в содержание спецкурса включать не только физические основы электромагнетизма, проявляющиеся в технических устройствах и объектах, но и профессионально направленные знания (например, анализ и расчет линейных цепей постоянного и переменного тока, трехфазные цепи и их мощности, анализ и расчет магнитных цепей и т. д.);
– выполнение заданий исследовательского характера в рамках предлагаемого спецкурса позволяет самостоятельно овладевать новыми знаниями и умениями конструировать и моделировать объекты профессиональной деятельности на основе фундаментальных физических теорий.
В качестве формы организации мы предлагаем выбрать занятия самостоятельной работы под руководством преподавателя на экспериментальной основе в рамках работы мастерской технического творчества «Прикладная физика». Методы и формы организации учебного процесса реализуются через дидактические средства формирования познавательной и профессиональной деятельности. Эффективным средством обучения студентов технических вузов на спецкурсах по физике могут выступать задания [5–7], разработанные нами в ходе проведения исследования и предложенные для использования в учебном процессе технических вузов.
В статье приведены примеры и решения нескольких заданий: практической задачи, направленной на анализ и получение конкретного результата при расчете токов проводимости в электрической цепи и КПД цепи различными способами, используя программу Mathcad; задачи, связанной с экспериментальным исследованием нелинейной цепи переменного тока, которая позволяет научиться навыкам проведения исследовательской работы; разработка лабораторных работ, позволяющих расширить знакомство с принципом действия приборов современных физических комплексов, представленных на кафедре «Физика»; творческих задач, удовлетворяющих условиям производственного обучения. Все эти задания так или иначе связаны с будущей профессиональной деятельностью специалистов данного направления подготовки.
Пример № 1. Задания для самостоятельной работы (практическая задача).
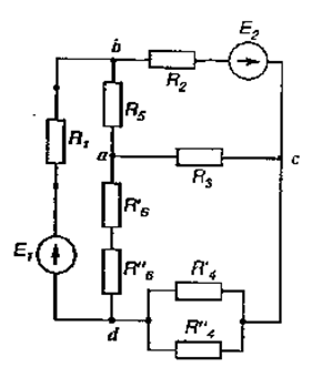
Рассчитать, используя законы Кирхгофа для цепей постоянного тока, метод контурных токов и узловых потенциалов, токи проводимости в электрической цепи, схема которой приведена на рисунке. R1 = 65 Ом, R2 = 20 Ом, R3 = 30 Ом, R`4 = 60 Ом, R``4 = 120 Ом, R5 = 55 Ом, R`6 = 12,5 Ом, R``6 = 10 Ом, E1 = 7,3 В, E2 = 12,5 В (рис. 1). Рассчитать КПД электрической цепи.
Рис. 1. Схема электрической цепи постоянного тока
Fig. 1. Scheme of the DC electrical circuit
Решение.
1. Расчет собственных токов с использованием законов Кирхгофа для цепи постоянного тока.
Воспроизводится схема электрической цепи с эквивалентными сопротивлениями R4; R6 и выполняются расчеты сопротивлений R`4 – R``4; R`6 – R``6 (рис. 2) с заданными собственными токами I1 – I2 и с направлениями обхода контуров электрической цепи.
Рис. 2. Схема электрической цепи с эквивалентными сопротивлениями R4; R6 с обозначениями контуров и заземленным потенциалом с
Fig. 2. Scheme of an electrical circuit with equivalent resistances R4; R6 with circuit designations and earthed potential c
Согласно первому закону Кирхгофа (без учета первого закона в узле d) и второму закону Кирхгофа составляются уравнения контуров с использованием данных задачи:
Для нахождения собственных токов составляются матрица сопротивлений (A) и матрица перевода (E):
Расчеты собственных токов электрической цепи выполняются посредством программы Mathcad: I1 = 0,161 A, I2 = 0,236 A, I3 = –0,121 A, I4 = 0,116 A, I5 = 0,076 A, I6 = –0,045A.
2. Решение методом контурных токов.
Составляется система уравнений согласно второму закону Кирхгофа для цепи постоянного тока, где сумма произведения одного контурного тока на сумму собственных сопротивлений и произведений контурных токов на общие сопротивления (находящиеся на ветви электрической цепи, принадлежащей двум разным контурам) будет равна алгебраической сумме ЭДС, принадлежащих данному контуру:
Контур 1: II (R2 + R3 + R5) – III R3 – IIIIR5 = E2.
Контур 2: –IIR3 + III (R3 + R4 + R6) – IIIIR6 = 0.
Контур 3: –IIR5 – IIIR6 + IIII (R1 + R5 + R6) = E1.
Соответственно составляются матрицы согласно трафаретной схеме:
Расчеты контурных токов и собственных токов электрической цепи выполняются также с использованием программы Mathcad: I1 = 0,161 A, I2 = 0,236 A, I3 = –0,121 A, I4 = 0,116 A, I5 = 0,076 A, I6 = –0,045A.
3. Решение методом узловых потенциалов.
Выбирается заземленный узел (в таком узле узловой ток Jii принимается как нулевой), в рамках задачи заземленным узлом считается узел с. Составляется трафаретная схема:
Согласно приведенной трафаретной схеме решается система уравнений методом Крамера с присвоением соответствующих потенциалов φ. Действительные токи находятся с помощью закона Ома: I1 = 0,161 A, I2 = 0,236 A, I3 = –0,121 A, I4 = 0,116 A, I5 = 0,076 A, I6 = –0,045A.
4. Проверка по балансу мощностей.
Баланс мощностей:
– мощность потребителей:
– мощность источников: P = E1I1 + E2I2 = 4,207 Вт.
Расчет по формуле:
Пример № 2. Задания для самостоятельной работы после выполнения лабораторной работы «Экспериментальное исследование нелинейной цепи переменного тока».
Задание № 1. Объяснить причину изменения формы выходного напряжения ограничителя уровня напряжения.
Задание № 2. Каково практическое применение феррорезонансных явлений?
Задание № 3. Используя рис. 3, построить кривые мгновенных значений тока в катушке i(wt), когда максимальная индукция B = 0,6 Tл и B = 1,6 Tл для случаев, соответствующих напряжениям 20 и 53 В. Недостающие данные в задаче предложите самостоятельно.
Рис. 3. Динамические петли перемагничивания Bt (Ht) катушки
Fig. 3. Dynamic loops of magnetization reversal Bt (Ht) coils
Пример № 3. Задания для самостоятельной работы. Разработать лабораторные работы по разделу «Молекулярная физика и термодинамика». Одна из них – «Теплопроводность воздуха при постоянном давлении».
Цель: определение коэффициента теплопроводности воздуха при постоянном давлении.
Оборудование: лабораторный комплекс ЛКТ-2, блок «Свойства газов», соединительные провода, разъем – заглушка, датчик температуры с разъемом типа «тюльпан», встроенный в комплекс мультиметра.
Студентом разработана краткая теория метода определения теплопроводности воздуха при постоянном давлении и методика эксперимента. Опыты проводились на лабораторном комплексе ЛКТ-2 (рис. 4).
Рис. 4. Блок «Свойства газов»
Fig. 4. Block “Properties of gases”
Ход работы:
1. Устанавливается блок «Свойства газов» в рабочей зоне каркаса (рис. 4), к нему подключается модуль 06 (гнезда «ПИТ») к источнику питания (гнезда «U1» и «ОБЩ» на передней панели ИСТ-4К); датчик температуры корпуса модуля к входу ИСТ-4К крепится кабелем с разъемом типа «тюльпан» к панели блока «Теплопроводность газов» к разъемам «ДАТ»; гнезда «Uн» на панели блока «Теплопроводность газов» подключаются к гнездам мультиметра «Мульт».
2. Включается комплекс ЛКТ-2 в сеть и производятся замеры напряжений и силы тока.
3. По формуле
определяется сопротивление нити в приборе, где сопротивление эталонного резистора R0 = 10,0 Ом.
4. Теплопроводность воздуха k определяется по установившейся разности температуры Т нити и температуры Тк корпуса модуля:
; диаметр нити d = 0,10 мм, эффективный диаметр канала D = 12 мм, длина нити L = 240 мм.
5. К лабораторной работе разработаны контрольные вопросы.
Пример № 4. Задания для самостоятельной работы. Разработать лабораторные работы по разделу «Электричество и постоянный ток». Одна из них – «Определение емкости неизвестного конденсатора».
Цель: научиться использовать в работе приборы комплекса «Электричество. Магнетизм», определение емкости неизвестного конденсатора.
Оборудование: лабораторный комплекс «Электричество. Магнетизм» (генератор напряжений, мультиметры, миниблоки «Интегратор тока», «Ключ», «Конденсатор» эталонной емкости, «Конденсатор» неизвестной емкости).
Студентом разработана краткая теория понятий емкости конденсаторов разного типа, их соединений и методика эксперимента по определению емкости неизвестного конденсатора. Опыты проводились на лабораторном комплексе «Электричество и магнетизм (ЭиМ-К)» (рис. 5).

Рис. 5. Лабораторный комплекс «Электричество и магнетизм (ЭиМ-К)»
Fig. 5. Laboratory complex “Electricity and Magnetism”
В работе использовался измерительный блок комплекса, предназначенный для измерения и передачи значений измеряемых токов и напряжений по USB (подключен к компьютеру) под управлением программы «Приборы ЭиМ», отдельные мультиметры включены в электрическую цепь в соответствующем режиме.
Ход работы:
1. Собирается электрическая цепь согласно схеме (рис. 6), конденсаторы Cэ и Сх подключаются параллельно при заданной эталонной емкости Cэ.
2. Включение блока мультиметров производится кнопкой «Сеть» питания блока генераторов напряжения при нажатии кнопки «Исходная установка». Конденсаторы сначала заряжаются, затем разряжаются через интегратор (рис. 7). Показания мультиметра 8 снимаются непосредственно после разряда конденсатора.
3. Подбирается напряжение зарядки конденсатора по мультиметру 9 (Uпарал), при котором напряжение разрядки конденсатора по показаниям мультиметра 8 (
) составили 8–10 В.
4. Отдельно проводятся измерения величины разрядки
(только эталонный конденсатор);
(только конденсатор неизвестной емкости);
(последовательное подключение конденсаторов);
– напряжение разрядки на мультиметре 8, В.
5. Далее проводится обработка результатов измерений по формулам: постоянная
; емкость неизвестного конденсатора
; емкость параллельного соединения конденсаторов
; емкость последовательного соединения
.
6. К лабораторной работе разработаны контрольные вопросы.
Пример № 5. Задание творческого характера.
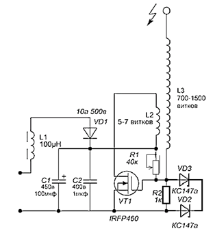
Перед студентом была поставлена задача: разобраться в принципе работы прибора – Качера Бровина, построить собственную модель прибора с помощью качер-технологии. Задача исследования: используя прибор, решить проблему выхода из строя электрических цепей вследствие их механического повреждения или выхода из строя составных частей. В ходе решения данной проблемы студентом была создана собственная модель прибора. Для изготовления прибора потребовались следующие радиодетали: дроссель, конденсатор неполярный (1 000 v 3 000 μF), два резистора (2,2 кОм и 150 Ом), транзистор NPN – чем мощнее, тем лучше (подойдет обычный блок питания ПК). Прибор «собираем» согласно схеме (рис. 8).

Рис. 6. Схема электрической цепи
Fig. 6. Electrical circuit diagram

Рис. 7. Блок генераторов
Fig. 7. Generator block
Рис. 8. Схема прибора Качера Бровина
Fig. 8. Scheme of the Brovin Kacher device
Согласно схеме была собрана реальная действующая модель прибора (рис. 9). Для изготовления вторичной обмотки прибора понадобилась ПВХ труба диаметром 45 мм и медная проволока диаметром 0,2 мм и длиной 30 см, которая аккуратно (виток к витку) наматывается на трубу и покрывается двумя слоями лака. Для изготовления первичной обмотки использовалась медная проволока диаметром до 1 см, которую надо наматывать вокруг вторичной обмотки (3–6 витков) и растянуть, чтобы они не соприкасались во избежание пробоев между ними.
а б
Рис. 9. Модель прибора Качера Бровина (а) и его составляющие детали (б)
Fig. 9. Model of the Brovin Kacher device (a) and its components (б)
Опыт № 1. Демонстрация возможности применения разработки советского радиоинженера В. Бровина в качестве альтернативы последовательным вариантам подключения в различных схемах с сохранением всех показателей и производительности потребителей (рис. 10).
Опыт № 2. Демонстрация бесконтактной передачи электрической энергии на большие расстояния, т. е. устранение проблемы выхода из строя составных частей (лампочек) в цепи при наличии прибора (рис. 10).
а б
Рис. 10. Опыт бесконтактной передачи энергии: а – в установке не горят 2 лампочки;
б – устранение проблемы выхода из строя лампочек в цепи при работе прибора
Fig. 10. Experience in contactless power transmission: а - 2 light bulbs are not lit in the installation;
б - elimination of the problem of failure of light bulbs in the circuit during operation of the device
Результаты работы были представлены на 72-й Международной студенческой научно-технической конференции в виде доклада «Качер Бровина, его новые возможности и практическое применение», занявшего призовое место. Поставлены задачи по проекту «Разработка устройства электропередачи без использования проводов» в рамках договора по программе «УМНИК»: 1) создать лабораторный комплекс по электропередаче без проводов; 2) провести ряд практических опытов по электропередаче без использования проводов; 3) разработать и запатентовать принципиально новое устройство электропередачи без проводов; 4) проанализировать результаты экспериментально-аналитических исследований; 5) на основе проведенных опытов и расчетов сделать вывод о коммерческой выгоде массовой реализации проекта.
Пример № 6. Задание творческого характера.
Перед студентом была поставлена задача: продумать конструкцию и собрать установку, с помощью которой можно было бы изучить зависимость колебаний тонких пластин от заданной частоты вибрации. Экспериментальная установка, изготовленная студентом, состоит из короба, в котором находится динамик; диффузора для передачи колебаний от динамика к пластине; на диффузоре динамика жестко закреплен стержень с пластиной из тонкого материала, покрытой мелкодисперсным материалом (рис. 11).
Рис. 11. Внешний вид экспериментальной установки
Fig. 11. Appearance of the experimental setup
Принцип работы установки: сигнал со смартфона проходит через усилитель низкой частоты и подается на динамик; колебания динамика через стержень передаются на центр пластины и заставляют ее колебаться; управление частотой колебаний динамика производится с помощью программы «Генератор частоты».
Опыт № 1. На динамик подается сигнал, частота которого изменяется до возникновения стоячей резонансной волны. В нашем случае рисунки проявляются на частотах с программы смартфона: ν1 = 52 Гц; ν2 = 126 Гц; ν3 = 210 Гц (рис. 12).
а б в
Рис. 12. Резонансная стоячая волна: а – ν1 = 52 Гц; б – ν2 = 126 Гц; в – ν3 = 210 Гц
Fig. 12. Resonant standing wave: a – ν1 = 52 Hz; б – ν2 = 126 Hz; в – ν3 = 210 Hz
Опыт № 2. Если на край пластины воздействовать механически, то наблюдается интересное явление перехода фигур из одной формы в другую при непрерывном изменении частоты колебаний от 52 до 210 Гц.
Опыт № 3. Эксперименты подтвердили наличие положительных и отрицательных зон колебаний мелкодисперсного материала, в которых частицы могут двигаться в разных направлениях, оставаясь около узлов колебаний неподвижными (рис. 13).
Рис. 13. Отклонение колебаний пластины по оси ОY
Fig. 13. Deviation of vibrations of the plate along the axis OY
В ходе работы была поставлена перспективная задача количественного описания частоты колебаний квадратной пластины от ее смежных сторон длиной lx и lу согласно формуле
где f – частота колебаний пластины; v – скорость распространения волны по пластине; m и n – номера гармоник на смежных сторонах пластины, lx = lу (пластина квадратная). Ранее данная задача решалась для прямоугольных пластин [8].
Результаты работы были представлены на 73-й Международной студенческой научно-технической конференции ФГБОУ ВО «Астраханский государственный технический университет» в виде доклада «Экспериментальная работа «Пластина Хладни», занявшего призовое место.
Заключение
Теоретические исследования подтвердили, что система физических знаний представляет собой фундамент, на котором строится дальнейшая профессиональная подготовка обучаемых. При решении профессионально ориентированных заданий происходит интеграция знаний, умений, навыков, развивается научно-исследовательская, познавательная и творческая деятельность обучающихся, формируются профессиональные компетенции. Опыт решения такого рода заданий предполагает интеграцию физики и дисциплин по выбору, помогая студентам при выборе темы и разработке докладов и курсовых проектов.
Работа спецкурса в рамках деятельности мастерской технического творчества «Прикладная физика», организованной при кафедре «Физика», открывает большие возможности развития творческих и интеллектуальных способностей студентов, помогая им в решении профессиональных задач.
1. Bykova V. P. Mezhpredmetnye sviazi kursa fiziki i distsiplin professional'nogo tsikla dlia profilia «Korablestroenie» [Interdisciplinary connections of course of physics and disciplines of professional cycle for profile “Shipbuilding”]. Vestnik Astrakhanskogo gosudarstvennogo tekhnicheskogo universiteta. Seriia: Morskaia tekhnika i tekhnologiia, 2012, no. 2, pp. 109-115.
2. Rodioshkina Iu. G. Osobennosti metodiki prepodavaniia spetskursov po fizike dlia studentov inzhenernykh spetsial'nostei [Features of methodology of teaching special courses in physics for students of engineering specialties]. Vestnik Nizhegorodskogo universiteta imeni N. I. Lobachevskogo, 2009, no. 3, pp. 37-42.
3. Maslennikova L. V., Rodioshkina Iu. G. Variativnyi komponent kursa fiziki v tekhnicheskom vuze (na primere spetskursov po fizike): uchebnoe posobie [Variable component of course in physics in technical university (case of special courses in physics): textbook]. Saransk, Izd-vo Mordovskogo universiteta, 2009. 124 p.
4. Rodioshkina Iu. G. Spetskursy po fizike kak sredstvo sovershenstvovaniia uchebnogo protsessa v tekhnicheskom vuze [Special courses in physics as means of improving educational process in technical university]. Iaroslavskii pedagogicheskii vestnik. Seriia: Gumanitarnye nauki, 2010, no. 1, pp. 121-126.
5. Vagin G. Ia., Loskutov A. B., Sevost'ianov A. A. Elektromagnitnaia sovmestimost' v elektroenergetike [Electromagnetic compatibility in electric power industry]. Moscow, Akademiia Publ., 2011. 223 p.
6. Denisov S. V., Teodorovich N. N. Perspektivnye metodiki prepodavaniia elektrotekhnicheskikh distsiplin. Innovatsionnye tekhnologii v sovremennom obrazovanii [Perspective methods of teaching electrical disciplines. Innovative technologies in modern education]. Sbornik trudov po materialam III Mezhdunarodnoi nauchno-prakticheskoi internet-konferentsii (Korolev, 18 dekabria 2015 g.). Moscow, Nauchnyi konsul'tant Publ., 2016. Pp. 173-177.
7. Borodianko V. N. Elektricheskie tsepi i osnovy elektroniki: metodicheskie ukazaniia k provedeniiu laboratornykh rabot na stende E4 [Electrical circuits and fundamentals of electronics: guidelines for laboratory work at stand E4]. Cheliabinsk, Uchtekh-Profi Publ., 2016. 97 p.
8. Mleshko V. V., Papkov S. O. Izgibnye kolebaniia uprugikh priamougol'nykh plastin so svobodnymi kraiami: ot Khladni (1809) i Rittsa (1909) do nashikh dnei [Bending vibrations of elastic rectangular plates with free edges: from Chladni (1809) and Ritz (1909) to present day]. Akusticheskii vestnik, 2009, vol. 12, no. 4, pp. 34-51.



