Russian Federation
Russian Federation
Russian Federation
Russian Federation
Calculation and subsequent analysis of reliability indicators is a mandatory stage of development and commissioning of technical devices. There has been carried out an assessment of reliability in relation to diesel generator sets operating in the mode of adjustable rotational speed at shared loads, which ensures their high energy efficiency. Unconditional compliance with the requirements for the quality of the generated energy (amplitude and frequency of the voltage in the ship's network) is realized in these generating devices by means of semiconductor converter technology. It is obvious that the increased technical complexity of variable-speed generator sets, which can be attributed to the class of machine-valve generator complexes, is associated with a certain decrease in their reliability indicators. There are presented structural schemes and indicated the composition of power equipment and controls for machine-valve generator complexes based on asynchronous generators with a short-circuited and phase rotor. The method of calculating the reliability indicators of these asynchronous diesel generator complexes is considered. The results of calculating the failure rate and operating time for failure are given, taking into account the load diagram of the power plant and the tachogram of the drive internal combustion engine, which corresponds to operation at energy-efficient rotational speeds at optimal (close to nominal) specific fuel consumption. The results of a comparative analysis of the operating time for failure allow us to determine the most reliable version of asynchronous generator electrical installation in operation.
reliability indicators, asynchronous diesel generator power plant of variable speed, semiconductor converter, load diagram and tachogram, coefficient of change in failure rate
Введение
Оценка показателей надежности является обязательным этапом проектирования генераторных электростанций переменной частоты вращения. Расчет и дальнейший сравнительный анализ показателей надежности вариантов силовой топологии данных электростанций позволит технически грамотно осуществить выбор конкретной силовой структуры электростанции с учетом ее объектно-ориентированного применения. Исследование и разработка дизель-генераторных электростанций переменной частоты вращения (ДГПЧВ) является относительно новым направлением в малой энергетике. Анализ показателей надежности проведен только для синхронных дизель-генераторных электростанций данного типа [1]. Вместе с тем в последнее время проявляется повышенный интерес к генераторным комплексам, в которых в качестве электрического генератора используется асинхронная машина, обладающая несомненными и известными преимуществами перед синхронной [2]. Применение асинхронных машин в составе ДГПЧВ стало возможным благодаря современным достижениям в области преобразовательной техники [3]. Поэтому анализ надежности асинхронных ДГПЧВ (АДГПЧВ), несомненно, актуален. Отметим, что требования к разработке и эксплуатации генераторных установок переменной частоты вращения отражены в последней редакции «Правил классификации и постройки морских судов» Российского морского регистра судоходства (часть IX «Электрическое оборудование», раздел № 24 «Специальные требования к вентильным генераторным агрегатам», Санкт-Петербург, 2023 г.).
В соответствии с требованиями «Правил классификации и постройки морских судов» (часть XI, пункт 1.4.2.9) данные о надежности электрооборудования могут быть предоставлены в Российский морской регистр судоходства для рассмотрения и экспертной оценки.
Для оценки надежности АДГПЧВ были учтены положения следующей нормативной базы технических документов, содержащих требования к тем или иным элементам дизель-генераторных установок: ГОСТ 33115-2014 «Установки электрогенераторные с дизельными и газовыми двигателями внутреннего сгорания. Общие технические условия» (пункт 6.5); ГОСТ Р 53176-2008 «Установки электрогенераторные с бензиновыми, дизельными и газовыми двигателями внутреннего сгорания. Показатели надежности. Требования и методы испытаний».
Расчет надежности вариантов асинхронных дизель-генераторных электростанций
Учитывая вышесказанное, рассмотрим методику расчета и результаты оценки показателей надежности вариантов ДГПЧВ на базе асинхронных машин.
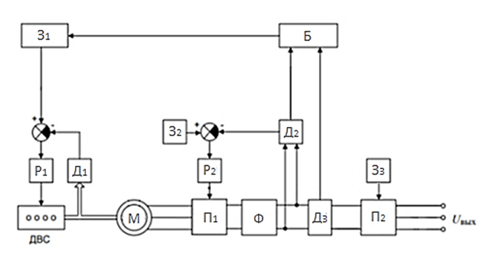
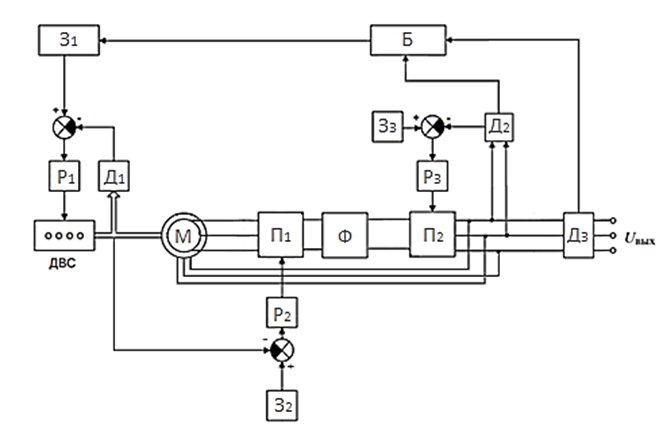
На рис. 1, 2 представлены соответственно структурные схемы АДГПЧВ на базе асинхронного короткозамкнутого (АГКЗ) и асинхронного генератора с фазным ротором (АГФР). Рассматриваемые генераторные комплексы относятся к машинно-вентильным электротехническим комплексам. Принцип работы предложенных авторами структур АДГПЧВ был рассмотрен ранее в работах [2, 3].
На рис. 1 приняты следующие обозначения: ДВС – двигатель внутреннего сгорания; М – асинхронный генератор с короткозамкнутым ротором; П1, П2 – соответственно статорный и сетевой блоки полупроводникового преобразователя; Р1, Р2 – соответственно регуляторы частоты вращения и напряжения; Ф – фильтр (конденсаторная батарея); Д1, Д2, Д3 – соответственно датчики частоты вращения, напряжения и тока; З1, З2, З3 – соответственно задатчики энергоэффективной частоты вращения, напряжения и частоты в судовой сети; Б – блок определения мощности.

Рис. 1. Структурная схема АДГПЧВ на базе асинхронного генератора с короткозамкнутым ротором
Fig. 1. Structural scheme of a АVSDGS based on an asynchronous generator with a short-circuited rotor
На рис. 2 приняты следующие обозначения: ДВС – двигатель внутреннего сгорания; М – асинхронный генератор с фазным ротором; П1, П2 – соответственно роторный и сетевой блоки полупроводникового преобразователя; Р1, Р2, Р3 – соответственно регуляторы частоты вращения, частоты роторного и напряжения сетевого блоков полупроводникового преобразователя; Ф – фильтр (конденсаторная батарея); Д1, Д2, Д3 – соответственно датчики частоты вращения, напряжения и тока; З1, З2, З3 – соответственно задатчики энергоэффективной частоты вращения, частоты роторного блока и напряжения сетевого блока полупроводникового преобразователя; Б – блок определения мощности.
Рис. 2. Структурная схема АДГПЧВ на базе асинхронного генератора с фазным ротором
(генераторная установка на основе машины двойного питания)
Fig. 2. Structural scheme of a АVSDGS based on an asynchronous generator with a phase rotor
(generator unit based on a double-feed machine)
В качестве сравнительной оценки показателей надежности генераторных электростанций выбираем их среднюю наработку на отказ Т – значение времени, обратное величине интенсивности отказов λ. Интенсивность отказов, в свою очередь, определяется по выражению
λ = αλ0,
где λ0 – номинальная интенсивность отказов, определяемая по [4–6]; α – коэффициент изменения интенсивности отказов, связанный с условиями эксплуатации технического устройства (АДГПЧВ) и определяемый по моделям прогнозирования [4–6].
Очевидно, что оптимизация расхода топлива генераторными электростанциями за счет принудительного перевода их работы на переменную частоту вращения в режимах долевой (ниже номинальной) нагрузки в судовой сети сопряжена с усложнением состава как силового оборудования, так и системы регулирования. Следует ожидать снижения показателей надежности у АДГПЧВ относительно показателей надежности электростанции классического типа (ДГУ). При этом электростанция классического типа характеризуется неизменной частотой вращения во всем диапазоне нагрузок в судовой сети, а следовательно, повышенным удельным эффективным расходом топлива.
Перейдем к оценке (определению) интенсивности отказов оборудования АДГПЧВ, структурные схемы которых представлены на рис. 1, 2.
Двигатель внутреннего сгорания
Мощность на валу ДВС и расход углеводородного топлива являются основными характеристиками (параметрами), определяющими его работу. На указанные параметры ДВС влияет функционирование систем: подачи топлива и воздуха, других систем.
Причина неисправностей, как правило, связана с износом изделий, изменением механических свойств деталей и накоплением усталостных повреждений в компонентах ДВС. Поскольку скорость изнашивания деталей ДВС связана с интенсивностью трения их поверхностей, следует ожидать увеличение срока службы ДВС при работе на энергоэффективных частотах вращения, значения которых меньше номинального.
Расчет надежности ДВС в составе АДГПЧВ в режимах долевой нагрузки и работе ДВС на энергоэффективных частотах вращения в соответствии с его многопараметровой характеристикой [7] производится с учетом коэффициента изменения интенсивности отказов αD [1]. Значения αD соответствуют различной нагрузке Kн и частоте вращения вала ДВС (рис. 3).
Электрический генератор
Электрические машины принадлежат к числу наименее надежных силовых агрегатов дизель-генераторной электростанции, что обусловлено как сложностью конструкции, так и тяжелыми режимами их работы. К основным видам возможных неисправностей во время эксплуатации электрических машин относятся износ щеточно-коллектор-ного узла (синхронные и асинхронные машины с фазными роторами), обойм подшипников, межвитковые короткие замыкания и т. д. [4, 5, 8].
Рис. 3. Коэффициент изменения интенсивности отказов ДВС αD в зависимости от нагрузки и частоты вращения
Fig. 3. Coefficient of changing failure rate in the internal combustion engine αD depending on the load and speed
of rotation
С помощью коэффициента изменения интенсивности отказов αG [8, 9] рассчитывается уровень влияния подключаемой нагрузки на безотказность и надежность работы генератора. Значение αG соответствует различным коэффициентам нагрузки Kн и частоты вращения ω* (рис. 4).
Рис. 4. Коэффициент изменения интенсивности отказов асинхронного генератора αG в зависимости от нагрузки
и частоты вращения
Fig. 4. Coefficient of changing failure rate of the asynchronous generator αG depending on the load and speed
of rotation
Конденсаторная батарея
К основным видам отказов конденсаторных батарей можно отнести пробои диэлектрика, обрыв выводов, а также неизбежное уменьшение емкости с течением времени. Факторы, влияющие на долгосрочную работу конденсаторных батарей: электрическая нагрузка, температура и влажность окружающей среды. Коэффициент электрической нагрузки конденсатора равен отношению рабочего напряжения к допустимому на его обкладках:
Kн = Up / Uдоп.
На рис. 5 представлены зависимости коэффициента изменения интенсивности отказов конденсаторной батареи αС [6].
Рис. 5. Коэффициент изменения интенсивности отказов конденсаторной батареи αС в зависимости от нагрузки
и температуры окружающей среды t
Fig. 5. Coefficient of changing failure rate of the capacitor bank αС depending on the load and ambient temperature t
Полупроводниковые преобразователи. Силовые полупроводниковые элементы
Пробой p-n перехода, возникающий вследствие воздействия повышенного напряжения, является основной причиной выхода из строя полупроводниковых элементов установки.
Величина электрической нагрузки транзистора определяется через коэффициент его нагрузки:
Kн = Рp / Рдоп,
где Рp, Рдоп – рабочая и допустимая величина, рассеиваемая на p-n переходе мощности, соответственно.
На рис. 6 представлены зависимости коэффициента изменения интенсивности отказов транзисторов от электрической нагрузки и температуры окружающей среды [6].
Рис. 6. Коэффициент изменения интенсивности отказов транзисторов αVT в зависимости от нагрузки
и температуры нагрева t
Fig. 6. Coefficient of changing failure rate of the transistors αVT depending on the load and the heating temperature t
Оценка показателей надежности вариантов АДГПЧВ (см. рис. 1, 2) проведена при следующих условиях: температура окружающей среды и температура нагрева полупроводниковых элементов преобразовательных устройств составляет 20 и 60 °С соответственно.
Отметим, что вид нагрузочной диаграммы, который зависит от конкретного режима работы («ходовой», «маневровый», «стояночный» и др.), является определяющим для расчета и оценки показателей надежности судовой электростанции. В статье при расчете показателей надежности в качестве нагрузочной выбрана диаграмма электростанции, представленная на рис. 7. На том же рисунке изображена тахограмма ДВС в составе АДГПЧВ, соответствующая работе на энергоэффективных частотах вращения при долевой нагрузке на электростанцию [10–12]. Тахограмма получена исходя из многопараметровой характеристики ДВС [7, 13, 14]. Частота вращения ДВС в составе классической ДГУ при данной нагрузочной диаграмме неизменна во всем диапазоне нагрузок.
Рис. 7. Нагрузочная диаграмма и тахограммы ДВС
Fig. 7. Load diagram and tachograms of internal combustion engines
Результаты расчета показателей надежности вариантов электростанции приведены в табл. 1–3. Интенсивности отказов преобразовательного (силового) оборудования и элементов системы автоматического регулирования (регуляторов, датчиков и задатчиков параметров режима работы АДГПЧВ) определены суммированием интенсивностей отказов указанных элементов в соответствии со структурными схемами электростанций (см. рис. 1, 2), зависимостями коэффициентов изменения интенсивности отказов (см. рис. 3–6)
и нагрузочной диаграммой (см. рис. 7) согласно выражению
Таблица 1
Table 1
Интенсивности отказов оборудования АДГПЧВ на базе АГКЗ
Failure rates of the AVSDGS equipment based on the asynchronous squirrel-cage generator
|
Оборудование электростанции |
λ0 · 10–6, ч–1 |
α |
λ · 10–6, ч–1 |
|
ДВС |
60,00 |
0,32 |
19,2 |
|
АГКЗ |
30,00 |
0,38 |
11,4 |
|
Полупроводниковый преобразователь (П1, П2) |
20,00 |
1,00 |
20,00 |
|
Фильтр |
5,00 |
0,30 |
1,50 |
|
Регуляторы (Р1, Р2) |
6,00 |
1,00 |
6,00 |
|
Датчики (Д1, Д2, Д3) |
7,00 |
1,00 |
7,00 |
|
Задатчики (З1, З2, З3) |
9,00 |
1,00 |
9,00 |
|
Блок вычисления мощности |
3,00 |
1,00 |
3,00 |
|
АДГПЧВ |
λΣ = 76,1 · 10–6 ч–1 |
||
Таблица 2
Table 2
Интенсивности отказов оборудования АДГПЧВ на базе АГФР
Failure rate of the AVSDGS equipment based on an asynchronous generator with a phase rotor
|
Оборудование электростанции |
λ0 · 10–6, ч–1 |
α |
λ · 10–6, ч–1 |
|
ДВС |
60,00 |
0,32 |
19,2 |
|
АГФР |
35,00 |
0,38 |
13,3 |
|
Полупроводниковый преобразователь (П1, П2) |
20,00 |
1,00 |
20,00 |
|
Фильтр |
5,00 |
0,30 |
1,50 |
|
Регуляторы (Р1, Р2, Р3) |
9,00 |
1,00 |
9,00 |
|
Датчики (Д1, Д2, Д3) |
6,00 |
1,00 |
6,00 |
|
Задатчики (З1, З2, З3) |
9,00 |
1,00 |
9,00 |
|
Блок вычисления мощности |
3,00 |
1,00 |
3,00 |
|
АДГПЧВ |
λΣ = 81 · 10–6 ч–1 |
||
Таблица 3
Table 3
Средняя наработка на отказ вариантов АДГПЧВ
Mean time between failures of AVSDGS variants
|
Тип электростанции |
Средняя наработка на отказ Т, ч |
|
АДГПЧВ на базе АГКЗ |
13 140 |
|
АДГПЧВ на базе АГФР |
12 345 |
В табл. 3 приведены результаты расчета средней наработки на отказ вариантов АДГПЧВ. Согласно приведенным данным среди вариантов АДГПЧВ наибольшей средней наработкой на отказ обладает электростанция на основе АГКЗ. Отметим, что указанные варианты обладают также лучшими надежностными показателями по сравнению с альтернативными синхронными ДГПЧВ, время наработки на отказ у которых по результатам исследования составляет 11 765 ч [1]. При этом АДГПЧВ на базе активных выпрямителей являются бестрансформаторными генераторными комплексами, что значительно снижает их массогабаритные показатели по сравнению с синхронными аналогами [15].
Заключение
В результате проведенного расчета показателей надежности (времени наработки на отказ) АДГПЧВ можно сделать вывод о перспективности разработки и внедрения в энергетические судовые системы асинхронных генераторных комплексов. Оценка надежности вариантов АДГПЧВ с учетом их других эксплуатационных показателей (удельный расход топлива, стоимость генерируемой электроэнергии, масса, габариты) является обоснованием объектно-ориентированного применения генераторных комплексов переменной частоты вращения в малой, в том числе и в судовой, электроэнергетике.
1. Dar'enkov A. B. Povyshenie effektivnosti avtonomnykh generatornykh ustanovok na osnove DVS peremennoi chastoty vrashcheniia: avtoref. dis. … d-ra tekhn. nauk [Improving efficiency of autonomous generator sets based on variable speed internal combustion engines. Diss. Abstr. … Dr. Tech. Sci.]. Nizhnii Novgorod, 2020. 40 p.
2. Khvatov O. S. Elektrotekhnicheskie generatornye kompleksy peremennoi chastoty vrashcheniia na osnove mashiny dvoinogo pitaniia: monografiia [Electrotechnical generator complexes of variable speed based on dual power machine: monograph]. Nizhnii Novgorod, Izd-vo VGUVT, 2015. 276 p.
3. Khvatov O. S., Tarpanov I. A., Kuznetsov P. V. Sudovaia elektroenergeticheskaia sistema s obratimoi valogeneratornoi ustanovkoi po skheme mashiny dvoinogo pitaniia i dizel'-generatorom peremennoi chastoty vrashcheniia [Ship electric power system with reversible shaft-generator installation according to scheme of dual-feed machine and variable speed diesel generator]. Vestnik Astrakhanskogo gosudarstvennogo tekhnicheskogo universiteta. Seriia: Morskaia tekhnika i tekhnologiia, 2021, no. 3, pp. 93-100.
4. Kuznetsov N. L. Nadezhnost' elektricheskikh mashin: uchebnoe posobie [Reliability of electrical machines: textbook]. Moscow, Izdatel'skii dom MEI, 2006. 432 p.
5. Kuznetsov N. L. Sbornik zadach po nadezhnosti elektricheskikh mashin: uchebnoe posobie [Collection of tasks on reliability of electrical machines: textbook]. Moscow, Izdatel'skii dom MEI, 2008. 408 p.
6. Baikov A. I., Bychkov E. V. Nadezhnost' elektromekhanicheskikh sistem: uchebnoe posobie [Reliability of electromechanical systems: textbook]. Nizhnii Novgorod, Izd-vo NGTU imeni R. E. Alekseeva, 2010. 168 p.
7. Khvatov O. S., Dar'enkov A. B., Samoiavchev I. S., Poliakov I. S. Avtonomnye generatornye ustanovki na osnove dvigatelei vnutrennego sgoraniia peremennoi chastoty vrashcheniia: monografiia [Autonomous generators based on internal combustion engines of variable speed: monograph]. Nizhnii Novgorod, Izd-vo NGTU imeni R. E. Alekseeva, 2016. 172 p.
8. Ermolin N. P., Zherikhin N. P. Nadezhnost' elektricheskikh mashin [Reliability of electrical machines]. Leningrad, Energiia Publ., 1976. 248 p.
9. Gol'dberg O. D. Kachestvo i nadezhnost' asinkhronnykh dvigatelei [Quality and reliability of asynchronous motors]. Moscow, Energiia Publ., 1968. 176 p.
10. Khvatov O. S., Dar'enkov A. B. Edinaia elektrostantsiia transportnogo ob"ekta s elektrodvizheniem na baze dizel'-generatornoi ustanovki peremennoi chastoty vrashcheniia [Unified power plant of transport facility with electric propulsion based on variable speed diesel generator]. Elektrotekhnika, 2016, no. 3, pp. 35-40.
11. Khvatov O. S., Kobiakov D. S., Tarpanov I. A. Dizel'-generatornaia elektrostantsiia s ventil'nym generatorom po skheme mashiny dvoinogo pitaniia [Diesel-generator power plant with valve generator according to scheme of dual-feed machine]. Vestnik Astrakhanskogo gosudarstvennogo tekhnicheskogo universiteta. Seriia: Morskaia tekhnika i tekhnologiia, 2020, no. 3, pp. 82-90.
12. Khvatov O. S., Kobiakov D. S. Povyshenie effektivnosti dizel'-generatornoi elektrostantsii [Improving efficiency of diesel generator power plant]. Elektrotekhnika, 2020, no. 12, pp. 25-31.
13. Obukhov S. G. Povyshenie effektivnosti kombinirovannykh avtonomnykh sistem elektrosnabzheniia s vozobnovliaemymi istochnikami energii: dis. … d-ra tekhn. nauk [Improving efficiency of combined autonomous power supply systems with renewable energy sources: Diss. … Dr. Tech. Sci.]. Tomsk, 2013. 392 p.
14. Orlov A. V., Putianinskii V. A., Sapozhnikov V. V. Perspektivny sozdaniia dizel'-elektricheskikh ustanovok s peremennoi chastotoi vrashcheniia [Prospects for building diesel-electric plants with variable speed]. Sudostroenie, 1976, no. 10, pp. 28-29.
15. Dar'enkov A. B., Poliakov I. S., Guzev S. A. Tekhniko-ekonomicheskii analiz apparatnoi realizatsii dizel'-generatornoi sistemy peremennoi chastoty vrashcheniia. Aktual'nye problemy elektroenergetiki [Technical and economic analysis of hardware implementation of variable speed diesel generator system. Actual problems of electric power industry]. Sbornik statei Vserossiiskoi nauchno-tekhnicheskoi konferentsii (Nizhnii Novgorod, 18 dekabria 2015 g.). Nizhnii Novgorod, Izd-vo NGTU imeni R. E. Alekseeva, 2015. 172 p.



