Russian Federation
Russian Federation
Oil is the most valuable hydrocarbon resource, but every year the labor intensity and economic expenses for oil production increase. This is related to the fact that most oil fields are classified as hard-to-recover reserves, that is why oil companies turn to studying and implementing the methods increasing oil production. To increase well productivity, there are often used mechanical, chemical, thermal and physical methods, as well as a combination of the above methods. Choosing a method firstly depends on the geological conditions of the deposit and the physicochemical properties of the extracted fluid. But application of the methods of increased oil production does not always lead to a significant increase of the well flow rate. One of the promising, but insufficiently studied methods of increasing oil production is the microbiological impact on the oil formation. The method is based on the ability of bacteria to destroy the reservoir rock, increase porosity and cavernosity, create more channels and increase the filtration area in productive horizons. There is given analysis of the influence of silicate bacteria on the core from the Filanovsky oilfield. This bacterial strain has been chosen because the field rock is to a great extent composed of silicate and aluminosilicate minerals. A significant factor is that silicate bacteria are aerobian, i. e. they do not need free oxygen to maintain vital activity; as a result, they are rather viable in poor conditions. A flow chart is given and the conditions necessary for the introduction of microbiological flooding technology are indicated. There are presented the results of the experiment on using the method of microbiological flooding at the Filanovsky oilfield, changes in the structure of core particles have been revealed indicating active interaction of bacteria with oil.
oil, microbiological flooding, silicate bacteria, enhanced oil recovery, formation water, nutrient medium, core sample
Введение
Эффективное освоение шельфовых месторождений Северного Каспия – одна из приоритетных стратегических задач компании «ЛУКОЙЛ». Месторождение им. В. Филановского, открытое в 2005 г., – одно из крупнейших месторождений Каспийского моря. Перспективы добычи нефти на данных месторождениях связаны с залежами аптского яруса и неокомского надъяруса. Отложения аптского яруса представлены достаточно однородной по составу алевритисто-глинистой толщей, которая трансгрессивно залегает на подстилающих отложениях неокомского надъяруса. По литологическим особенностям отложения апта можно условно разделить на три примерно равные части. Нижняя и верхняя толщи характеризуются значительным присутствием глин, что серьезно ухудшает фильтрационно-емкостные свойства на месторождении [1].
Основной проблемой разработки месторождений с низкопроницаемыми коллекторами является сложность фильтрации, обусловленная малым поровым пространством или наличием малопроницаемого цемента породы, глинизацией. Чаще всего повышения проницаемости пласта достигают за счет химических и/или физических методов увеличения нефтеотдачи, которые дают результаты только в околоскважинном пространстве. На рис. 1 представлен график зависимости увеличения дебита скважин после проведенного многостадийного гидроразрыва пласта (МГРП) на месторождении им. В. Филановского.

Рис. 1. Зависимость увеличения дебита скважин от проведенного многостадийного
гидроразрыва пласта на месторождении им. В. Филановского
Fig. 1. Dependence of the increasing well production rate on the conducted multi-stage
hydraulic fracturing at the Filanovsky oilfield
По графику видно, что прирост дебита скважин после проведения многостадийного гидроразрыва пласта имеет непродолжительный эффект.
Микробиологический метод увеличения нефтеотдачи
В качестве альтернативного метода увеличения нефтеотдачи возможно использование силикатных бактерий. Бактерии принимают активное участие в геохимическом круговороте, что позволяет применять их для изменения фильтрационно-емкостных свойств породы. Во всех случаях при сравнении с абиогенным процессом отмечается высокая интенсивность биогенного выщелачивания силикатов и даже весьма трудно разлагаемого кварца. Ни один из компонентов силикатов и алюмосиликатов практически не усваивается силикатными бактериями, а развитие живых гетеротрофных клеток на силикатном субстрате происходит как на органической основе. При бактериальном разрушении алюмосиликатов появляются совместно скоагулированные гидрогели кремния и алюминия. При бактериальном выщелачивании альбитизированного микроклина поверхности после химического и биогенного опытов отчетливо различаются. В первом случае наблюдается почти исходная поверхность образца. После деятельности бактерий вся поверхность пластинки покрыта ажурным агрегатом, состоящим из шаров, качественное исследование которых выявило в их составе кремний, алюминий, калий, натрий и кальций, т. е. все элементы полевых шпатов [2].
О роли микроорганизмов в разрушении минералов класса силикатов получен обширный экспериментальный материал, но отсутствует его практическое применение на шельфовых месторождениях. Анализ результатов проведенных ранее исследований позволил предположить, что при разработке месторождений фильтрация жидкости по пласту, обработанному бактериями, приведет к возможному вымыванию из него перешедших в измененное состояние некоторых элементов глины и, как следствие, увеличению его фильтрационно-емкостных свойств [3–6].
По результатам сопоставления критериев месторождения им. В. Филановского и условий, пригодных для жизнедеятельности силикатных бактерий, можно сделать предварительный вывод о возможности применения микробиологического заводнения в качестве метода увеличения нефтеотдачи на данном месторождении (табл. 1).
Таблица 1
Table 1
Необходимые условия для внедрения
технологии микробиологического заводнения
Necessary conditions for implementing
the technology of microbiological flooding
|
Допустимый интервал |
|
|
Тип коллектора |
Терригенные отложения, песчаники, глины |
|
Мощность нефтенасыщенного горизонта, м |
Не менее 1 |
|
Пористость, % |
12–25 |
|
Проницаемость, мкм2 |
Не менее 0,001 |
|
Пластовое давление, МПа |
До 40 |
|
Температура пласта, °С |
20–80 |
|
Общая минерализация пластовых вод, г/дм3 |
До 300 |
Технология микробиологического заводнения заключается в закачке биомассы микроорганизмов в нагнетательные скважины. Метод предусматривает чередование введения водобактериальной смеси и раствора питательных веществ. Обработку скважин следует проводить многократно. Периодичность устанавливается по результатам исследований скважин.
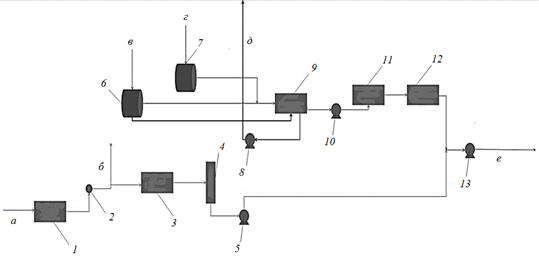
Аптскую залежь месторождения им. В. Филановского планируется эксплуатировать с поддержанием пластового давления (ППД) путем заводнения. Внедрение системы ППД предусматривается с первого года эксплуатации месторождения. Планируется ввод 12 водонагнетательных скважин. В качестве источников водоснабжения системы ППД необходимо использовать подготовленную на центральной технологической платформе (ЦТП) пластовую воду (рис. 2).

Рис. 2. Технологическая схема подготовки воды для закачки в пласт:
а – морская вода от системы водозабора; б – на блок обессоливания;
в – с первой ступени сепарации; г – со второй ступени сепарации; д – на блок сепарации;
е – в трубопровод на ледостойкую стационарную платформу для закачки в пласт;
1 – блок фильтров грубой очистки; 2 – блок центральных охладителей;
3 – блок фильтров тонкой очистки; 4 – деаэратор; 5, 10 – блоки бустерных насосов;
6 – блок гидроциклонов 1,6 МПа; 7 – блок гидроциклонов 0,6 МПа; 8 – насос уловленной нефти;
9 – блок дегазаторов; 11 – блок фильтров пластовой воды; 12 – емкость для приготовления суспензии;
13 – блок насосов закачки воды в пласт
Fig. 2. Flowchart of preparing water for injection into the reservoir: a – seawater from the water intake system;
б – to the desalination unit; в – from the first stage of separation; г – from the second stage of separation;
д – to the separation unit; е – to the pipeline to the ice-resistant stationary platform for injection into the reservoir;
1 – a block of coarse filters; 2 – block of central coolers;
3 – block of fine filters; 4 – deaerator; 5, 10 – blocks of booster pumps;
6 – block of hydrocyclones 1.6 MPa; 7 – block of hydrocyclones 0.6 MPa; 8 – captured oil pump;
9 – block of degassers; 11 – block of produced water filters; 12 – tank for suspension;
13 – block of pumps for pumping water into the reservoir
Качество закачиваемой воды должно соответствовать следующим требованиям:
– содержание твердых взвешенных веществ – до 50 мг/л;
– содержание нефтепродуктов – до 50 мг/л;
– размеры частиц механических примесей и эмульгированной нефти в объеме до 90 % должны быть не крупнее 5 мкм;
– содержание растворенного кислорода в воде – до 0,50 мг/л.
Сооружения водоподготовки пластовой воды и насосная станция располагаются на ЦТП. Хранение биоматериала и подготовка суспензии для закачки в пласт предполагается на ледостойкой стационарной платформе № 1.
Подготовка пластовой воды осуществляется на установке подготовки пластовой воды. Установка принимает пластовую воду от двух технологических линий 1-й и 2-й ступеней сепарации. Неочищенная пластовая вода от сепараторов 1-й ступени сепарации под давлением 1,6 МПа и от сепараторов 2-й ступени сепарации под давлением 0,6 МПа подается на большой и малый гидроциклоны-нефтеотделители. В них удаляется основная часть нефти. Нефть и пластовая вода на выходе из гидроциклонов поступают в резервуар-дегазатор. Дегазация пластовой воды и ее дальнейшая очистка от нефти производится в 2-х резервуарах-дегазаторах. Каждый аппарат дегазации рассчитан на 100 % потоки нефти и газа, поступающие из блоков гидроциклона пластовой воды. Пластовая вода на выходе из дегазатора содержит не более 50 мг/л нефти. Отделенная от воды нефть постоянно отбирается из нефтяной секции дегазатора при контролируемом уровне с помощью насосов уловленной нефти и подается на 2-ю ступень сепарации нефти.
После дегазаторов вода поступает на прием бустерных насосов. Приемный трубопровод каждого бустерного насоса оборудован фильтром. Контроль перепада давления на фильтре предусматривается специальными приборами. При достижении максимального перепада давления срабатывает предупредительная сигнализация. Запуск бустерных насосов осуществляется автоматически при уровне жидкости в дегазаторах выше минимального значения, при открытом кране на линии рециркуляции от насосов в дегазаторы. Сначала запускается один насос, а затем с задержкой 10 с может быть запущен другой, третий насос будет использоваться в качестве резервного. При отказе одного из 2-х насосов автоматически запускается резервный. Местное и дистанционное управление работой насосов производится при поступлении сигналов аварийных уровней и давлений на центральный пост управления.
Согласно коллекторским свойствам пласта пластовая вода, закачиваемая в пласт, не должна содержать частицы размером более 5 мкм. Для достижения указанного размера частиц пластовая вода проходит доочистку на напорных фильтрах (5 рабочих, 1 резервный). Для обеспечения работы фильтров предусматривается контроль загрязнения фильтров специальными приборами, при достижении максимального перепада давления срабатывает предупредительная сигнализация. Концентрация нефтепродуктов и взвешенных частиц на выходе из фильтров составит не более 5 мг/л [7].
После фильтров часть подготовленной пластовой воды отводится к специальной емкости для приготовления суспензии для закачки в пласт. Рабочий раствор биореагента смешивается с подготовленной пластовой водой, и далее готовая суспензия поступает на прием насосов для закачки пластовой воды. Закачка жидкости в пласт предусматривается в составе 4-х насосов. Запуск насосов закачки осуществляется автоматически, дистанционно и вручную.
После окончания закачки замеряются приемистость нагнетательной скважины и давление. Оперативный контроль влияния биохимических процессов на разработку осуществляется путем регистрации изменений профиля приемистости нагнетательной скважины и проведения наблюдений за общей численностью микроорганизмов в пластовой жидкости окружающих добывающих скважин.
Материал, методы и результаты исследования
На основании сопоставления необходимых и реальных условий для применения микробиологического метода увеличения нефтеотдачи было принято решение о проведении собственного эксперимента. В ходе исследования использовались керн аптской залежи, нефть и пластовая вода месторождения им. В. Филановского, а также штамм силикатных бактерий и питательная среда. На рис. 3 представлены исходный образец керна (а) и штамм силикатных бактерий спустя 15 мин после помещения их в нормальные условия (б).

Рис. 3. Образцы исходного материала:
а – образец керна месторождения им. В. Филановского; б – штамм силикатных бактерий
Fig. 3. Samples of source material:
a – core sample from the Filanovsky oilfield; б – strain of silicate bacteria
Было составлено 5 образцов, включающих различные комбинации используемых материалов. Образцы выдерживались в нормальных условиях 24 ч. По истечении времени проба каждого образца была исследована под микроскопом (рис. 4).

Рис. 4. Пробы образцов после 24 ч воздействия силикатных бактерий:
а – образец № 1 (керн + бактерии + питательная среда); б – образец № 2 (керн + бактерии + нефть);
в – образец № 3 (керн + бактерии + нефть + питательная среда);
г – образец № 4 (керн + бактерии + пластовая вода)
Fig. 4. Sample testing after 24 hours of exposure to silicate bacteria:
a – sample No. 1 (core + bacteria + nutrient medium); б – sample No. 2 (core + bacteria + oil);
в – sample No. 3 (core + bacteria + oil + nutrient medium);
г – sample No. 4 (core + bacteria + formation water)
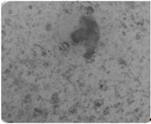
Наиболее важной является проба пятого образца (рис. 5), включающая в себя все использованные материалы.

Рис. 5. Образец № 5 (керн + бактерии + нефть + питательная среда + пластовая вода)
Fig. 5. Sample No. 5 (core + bacteria + oil + nutrient medium + formation water)
В ходе исследования данной пробы были выявлены изменения в структуре частиц керна, а также, предположительно, результат взаимодействия бактерий с нефтью (табл. 2.).
Таблица 2
Table 2
Изменение уровня pH в исследуемых образцах
Changing pH level in the studied samples
|
Образец |
Исходное значение pH |
Значение pH спустя 24 ч |
|
8 |
12 |
|
|
2 (керн + бактерии + нефть) |
2 |
12 |
|
3 (керн + бактерии + нефть + питательная среда) |
1,5 |
12 |
|
4 (керн + бактерии + пластовая вода) |
4 |
12 |
|
5 (керн + бактерии + нефть + пластовая вода + |
10 |
12 |
По результатам проведенного эксперимента были сделаны следующие выводы:
– штамм силикатных бактерий взаимодействует с образцом породы, о чем можно судить по визуальным изменениям структуры керна;
– бактерии остались жизнеспособными при замещении питательной среды нефтью и пластовой водой, что говорит о возможности применения микробиологического метода увеличения нефтеотдачи в данной среде;
– водородный показатель во всех образцах увеличился до максимального значения, что свидетельствует об активном взаимодействии бактерий с породой в предлагаемых условиях.
Заключение
В качестве метода увеличения нефтеотдачи предложено использование силикатных бактерий (метод микробиологического заводнения). Метод предусматривает чередование введения водобактериальной смеси и раствора питательных веществ. Обработку скважин следует проводить многократно. Периодичность устанавливается по результатам исследований скважин.
Предварительно можно сделать вывод о возможности применения микробиологического заводнения с использованием силикатных бактерий в качестве метода увеличения нефтеотдачи на месторождениях им. В. Филановского. Выявлены изменения в структуре частиц керна, а также, предположительно, результат взаимодействия бактерий с нефтью.
Следующим этапом исследования будет выявление жизнеспособности данного штамма бактерий при создании условий, максимально приближенных к пластовым (температурный диапазон от 68 до 75 °С, давление от 13 до 18 МПа).
1. Bochkarev A. V., Kalinina E. A., Bochkarev V. A. Razlomno-blokovoe stroenie mestorozhdeniy rakushechno-shirotnoy zony podnyatiy po dannym seysmicheskih i promyslovo-geofizicheskih issledovaniy // Geologiya, geofizika i razrabotka neftyanyh i gazovyh mestorozhdeniy. 2013. № 4. S. 4-15.
2. Antoshkina A. I. Bakterial'noe porodoobrazovanie - real'nost' sovremennyh metodov issledovaniy // Uch. zap. Kazan. un-ta. Ser.: Estestvennye nauki. 2011. T. 153. № 4. S. 114-126.
3. Bezverhaya E. V., Trofimov I. A., Karepov V. A. Perspektivy ispol'zovaniya mikrobiologicheskogo metoda uvelicheniya nefteotdachi // Ros. neftegaz. tehnich. konf. SPE (Moskva, 15-17 oktyabrya, 2018 g.). URL: http://elib.sfu-kras.ru/bitstream/handle/2311/128886/statya_spe.pdf?sequence=1 (data obrascheniya: 11.11.2022).
4. Doniyarov N. A., Asrorov A. A., Murodov I. N., Hurramov N. I., Ahtamova M. Z., Kurbonova Sh. R. Analiz vozmozhnyh mehanizmov vzaimodeystviya mikroorganizmov s mineralami gornyh porod // Journal of Advances in Engineering Technology. 2020. N. 2. P. 59-66.
5. Baranov D. V., Petrova A. N., Ibragimov R. K., Ibragimova D. A., Valiullin A. E., Zinnurova O. V., Molodcov S. D. Mikrobiologicheskie metody uvelicheniya dobychi nefti: obzor // Vestn. Kazan. tehnolog. un-ta. 2016. № 24. S. 35-39.
6. Soprunova O. B., Nguen Viet Tien. Perspektivy ispol'zovaniya slizeobrazuyuschih bakteriy v neftyanoy otrasli // Yug Rossii: ekologiya, razvitie. 2010. № 4. S. 91-93.
7. Tehnologicheskiy reglament CTP mestorozhdeniya im. V. Filanovskogo (pervaya stadiya osvoeniya) ot 30.06.2020. M., 2020. 700 s.



