Russian Federation
Russian Federation
Russian Federation
The article considers the effect of ultraviolet (UV) radiation and ultrasound (US) on the qualitative and quantitative indicators of the filtration elements periphyton in a recirculation aquaculture system (RAS) under different treatment regimens. It is assumed that the combined effect of UV and US will improve the efficiency of water purification in the RAS and also contribute to the elimination of pathogenic microorganisms. It was shown that the maximum diversity of periphyton organisms was observed in the absence of UV and US action. A total of 26 taxonomic units were found, with some of them categorized as unclassified (Unclassified_Rotifer; Unclassified_Nematode). High relative frequency of occurrence was noted for the species Arcella vulgaris (16.86%), Centropyxis aculeata (21.03%), and Arcella sp. (16.86%) of the testate amoebae class in the control group. Ciliates were also represented by a large number of species. Of 10 infusoria 6 belonged to free-living forms and 4 to sessile forms. Vorticella convallaria (16.21%), Stylonychia pustulata (13.98%), Zoothamnium sp. (13.98%) had the highest relative occurrence in the control. Ultraviolet radiation led to changes in the abundance of certain groups of hydrobionts, in particular, representatives of ciliates and oligochaetes. Using a UV source reduced the relative frequency of Arcella sp. and Centropyxis sp. to 3.33 and 6.66% correspondingly, relative to the control. The combined impact of US and UV caused a significant decrease in the relative frequency of Ciliate and Oligoheata, but had little effect on testate amoebae and rotifers. According to the results obtained, it can be supposed that the presence of an additional source of US radiation contributes to the reduction of the number of free-living forms of parasitic infusoria and can prevent the development of microbial and parasitic diseases. Thus, additional studying the biofilter microbial community under the influence of UV and US radiation is required.
periphyton, biofilter, recirculation aquaculture system, ultraviolet, ultrasound, purification, relative frequency of occurrence
Введение
Современные требования поддержания высокого качества воды в установках замкнутого водоснабжения (УЗВ) при высоких плотностях посадки объектов выращивания в настоящее время можно удовлетворить только при использовании комплексного подхода к организации водоподготовки и водообмена [1]. Для очистки воды в УЗВ традиционно используются ультрафиолетовые (УФ) установки и озонирование [2], что позволяет уменьшить показатель бактериальной обсемененности и снизить вероятность развития бактериальных патологий. При этом в водной среде присутствует определенный уровень микробиологического загрязнения как результат эффективной работы биофильтра, поглощающего азотистые соединения. Основным ограничением данных способов очистки является присутствие в воде большого количества взвешенных частиц, к которым прикрепляются бактерии [3].
В биофильтре, помимо бактериального сообщества, обязательно присутствуют различные виды актиномицетов, грибы, инфузории, коловратки
и другие представители беспозвоночных [4]. Частота их встречаемости может коррелировать с биоценозом биофильтра, играющим ключевую роль в адсорбции и трансформации органических веществ [5], а также взвесями, присутствующими в водной среде.
Несмотря на доказанную эффективность УФ-установок, часть условно-патогенных организмов (в том числе их покоящиеся стадии) устойчивы
к кратковременному воздействию ультрафиолета. Так, эпизоотии ихтиофтириуса (Ichthyophthirius multifiliis) и некоторые виды бактериальных инвазий в УЗВ происходят несмотря на наличие эффективно работающих УФ-излучателей [6, 7]. Для решения этой проблемы ряд производителей фильтрующих систем предлагает совместить действие УФ-ламп и источников ультразвука (УЗ, акустическое излучение), что должно повысить качество очистки воды от микробного и органического загрязнения. Совмещение УЗ с другими современными методами является перспективным подходом при дезинфекции промешенных стоков [8] и воды в аквакультуре [2, 9, 10].
Перифитон, развивающийся в биофильтре, а также на внутренних элементах фильтра, обязательно имеет планктонные стадии или способность к передвижению и формируется на основе микробиологического сообщества, являющегося питательным субстратом и местом обитания организмов [11, 12]. Сообщество перифитона систем очистки является весьма чувствительным к изменению гидрохимических условий и параметрам содержания объектов выращивания. Таким образом, организмы перифитона могут выступать индикаторами состояния биологической очистки систем УЗВ.
Цель настоящего исследования – оценка степени развития организмов перифитона элементов фильтрации при совместном воздействии УФ и УЗ (УФУЗ). В работе проведено сравнение указанных режимов очистки с контрольным режимом работы без свето-акустического поля.
Методы и результаты исследования
Характеристики экспериментальной установки. Исследование перифитона проводилось в установках замкнутого водоснабжения объемом 2 000 л, снабженных устройствами механической и биологической фильтрации.
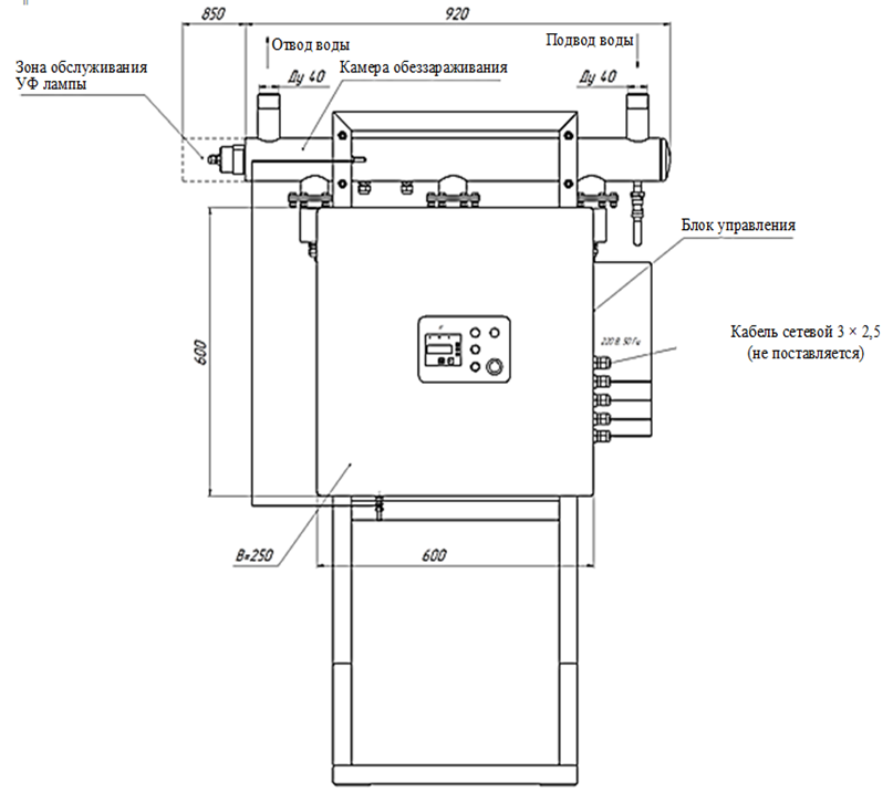
Устройство УФУЗ напорного типа выполнено предприятием-изготовителем ООО «Александра
Плюс» (г. Вологда, РФ), с возможностью крепления на независимой стойке с блоком управления (рис. 1).

Рис. 1. Общий вид установки обеззараживания воды УФУЗ, модель УОВ-ПВ-5, устанавливаемая в систему УЗВ
Fig. 1. General appearance of the UVUZ water disinfection unit, model UOV-PV-5
Для исследования была выбрана модель УОВ-ПВ-5, которая предназначена для эксплуатации при температуре окружающего воздуха от
+4 до +40 °С и относительной влажности воздуха не более 85 %. Комплектность использовавшейся в эксперименте УФУЗ: универсальная монтажная стойка, камера обеззараживания (фотохимический реактор), УЗ-излучатель (кавитатор), патрубок с краном для слива воды, защитный кожух с окном для контроля свечения лампы, сменная УФ-лампа, кварцевый чехол, блок управления. Основные рабочие параметры установки УФУЗ: эффективная доза – 25 мДж/см2; производительность – 5 л/ч; мощность ультразвукового кавитатора УЗ – 0,12 кВт; частота УЗ колебаний – 25 кГц; УФ-лампа амальгамная, безозонового исполнения, 30 Вт.
Объем пропускаемой воды, на период эксперимента, составлял 4 тыс. л/ч. В экспериментальной установке содержались особи радужной форели (Oncorhynchus mykiss) общей биомассой 41,5 кг, средняя масса рыб составляла 276,6 ± 14,1 г. Во время эксперимента кормление рыбы осуществлялось продукционным гранулированным кормом Coppens 6 мм, в соответствии с рыбоводными нормативами (норма кормления 2,33 % от биомассы рыбы, суточная норма 950 г). Для отбора проб перифитона на вытоке установки УФУЗ параллельно водному потоку размещались три пластиковые пластины размером 30 × 70 мм [13]. Группы эксперимента: без воздействия УЗ и УФ (контроль); группа с использованием источника УФ-излучения; группа, включающая совместное воздействие УЗ + УФ. Экспозиция пластины при каждом режиме работы установки составляла 72 ч, что является достаточным для образования бактериальной пленки и развития других организмов перифитона. Во время экспозиции во всех вариантах опыта проводился ежедневный контроль гидрохимических параметров (табл.).
Гидрохимические параметры воды в экспериментальном бассейне за время эксперимента
Hydrochemical parameters of water in the model tank during the experiment
|
Группа Параметры |
Контроль |
УФ |
УФ + УЗ |
|
Температура, °C |
16,3 ± 0,2 |
16,1 ± 0,3 |
16,2 ± 0,4 |
|
O2, мг/л |
9,1 ± 0,7 |
9,8 ± 0,1 |
9,3 ± 0,2 |
|
рН |
7,7 ± 0,3 |
7,7 ± 0,2 |
7,9 ± 0,2 |
|
NO3–, мг/л |
9,1 ± 1,4 |
9,2 ± 0,7 |
9,3 ± 0,9 |
|
NO2–, мг/л |
0,1 ± 0,07 |
0,11 ± 0,01 |
0,14 ± 0,02 |
|
NH4+, мг/л |
0,2 ± 0,03 |
0,1 ± 0,01 |
0,1 ± 0,01 |
|
PO4, мг/л |
0,06 ± 0,01 |
0,05 ± 0,02 |
0,06 ± 0,02 |
Идентификация организмов. По окончании экспозиции пластины извлекались из реакционной камеры и пробы стерильным шпателем переносились на предметное стекло. Далее полученные пробы просматривали под световым микроскопом (Olympus BX53) с окулярной приставкой (ToupCam 16,0 MP). При микроскопировании каждой пробы просматривали до 50 полей зрения. Определение систематической принадлежности микроорганизмов проводились согласно определителям Eisler [14], Кутикова [13] и Старобогатова [11].
Полуколичественная оценка встречаемости организмов. Относительная встречаемость отдельных групп определенных организмов перифитона проводилась полуколичественно, по следующей схеме (количество организмов – балл): 0 – отсутствие; 1–2 – 1 балл; 3–5 – 2 балла; 5–10 – 3 балла; 10–26 – 4 балла; >25 – 5 баллов.
Статистическая обработка. Данные по сравнению относительной численности организмов представлены как среднее ± SD; статистическая значимость определялась с помощью теста Манна – Уитни (значение p < 0,05 принималось как статистически значимое). Статистические данные обрабатывались с помощью программы GraphPad Prism версии 8,0 (GraphPad. San Diego. CA. USA).
В результате проведенных исследований было выявлено, что несмотря на изолированность биофильтра системы УЗВ видовое разнообразие перифитона представлено большим числом видов различных таксонов (рис. 2).
Всего было обнаружено 26 таксономических единиц, при этом некоторые из них были причислены к группе неклассифицированных (Unclassified_Rotifer; Unclassified_Nematode). Разнообразие микробиома элементов фильтрации в данной работе не рассматривалось, хотя он, несомненно, играет важную роль в биофильтрации.
Максимальное видовое разнообразие было отмечено в контрольной группе, когда элементы УФ и УЗ были отключены. Из отряда раковинных амеб относительно высокая частота встречаемости была отмечена для следующих видов: Arcella vulgaris (16,86 %), (21,03 %), Arcella sp. (16,86 %). Другие виды были менее представлены во всех повторностях (см. рис. 2, a).

Рис. 2. Относительная встречаемость видов перифитона элементов систем фильтрации опытных установок УЗВ:
а, в – относительная встречаемость Testacida и Сiliate по видам относительно установленной таксономической
группы; б, г – относительная встречаемость Testacida и Сiliate относительно всех определенных организмов:
* – достоверное различие p < 0,05
Fig. 2. Relative occurrence of periphyton species of elements of filtration systems of experimental RAS:
a, б – relative occurrence of Testacida and Сiliate by species relative to the defined taxonomic groups;
в, г – relative occurrence of Testacida and Ciliate relative to all defined organisms: * – significant difference p < 0.05
Цилиаты также были представлены большим количеством видов. Из 10 представителей инфузорий 6 относились к свободноживущим формам, а 4 к сидячим. Наибольшей относительной встречаемостью в контроле обладали Vorticella convallaria (16,21 %), Stylonychia pustulata (13,98 %), Zoothamnium sp. (13,98 %) (см. рис. 2, б). Из многоклеточных животных наиболее представленной группой были коловратки. Всего было определено 6 таксономических единиц, включая группу неклассифицированных Unclassified_Rotifer (рис. 3, a).

Рис. 3. Относительная встречаемость видов перифитона элементов систем фильтрации опытных установок УЗВ:
организмы, которые не удалось классифицировать до рода, обозначаются как относительная встречаемость
многоклеточных оргазмов по видам относительно установленных таксономических групп (а, в); относительная встречаемость Rotifer и Oligoheata относительно всех определенных организмов (б, г); * – достоверное различие p < 0,05
Fig. 3. Relative occurrence of periphyton species of elements of filtration systems of experimental ultrasound installations:
organisms that could not be classified to a genus are designated as relative occurrence of multicellular orgasms
by species relative to established taxonomic groups (a, в); relative occurrence
of Rotifer and Oligoheata relative to all certain organisms (б, г); * – significant difference p < 0.05
Классификация неопределенных организмов была невозможна ввиду морфологических особенностей, отличающих их от типичных форм. Чаще всего встречались представители рода Philodina (33,61 % от общего числа коловраток) и Rotaria (20,73 %).
Другие многоклеточные животные, представленные единичными особями отдельных видов, относились к Nematode, Oligochaeta, Gastrotricha. Представленность данных групп существенно варьировала, т. к. они обладают более высокой подвижностью. В контроле их встречаемость относительно всех определенных организмов не превышала 11,82 % (Chaetogaster sp.).
При работе источника УФ-излучения (группа УФ) в составе перифитона отмечались сдвиги относительной встречаемости отдельных организмов относительно контроля. Раковинные амебы при сохранении относительной встречаемости сократили число присутствующих в пробах видов. Так, частота представленности Arcella sp. и Centropyxis sp. снизилась до 3,33 и 6,66 % соответственно. Излучение УФ также привело к исчезновению некоторых видов Ciliate. Значительно снизилась представленность Litonotus sp., Vaginicola sp. и Vorticella sp.
(не выше 3 % от общего числа инфузорий). В свою очередь, такие виды, как Stylonychia pustulata и Colpidium sp., отмечались чаще в 2,34 и 1,39 раза соответственно. Многоклеточные формы перифитона, представленные Rotifer, Gastrotricha, Oligochaeta и Nematode, практически не изменили свою численность под действием УФ-излучения, однако было отмечено снижение относительной встречаемости малощетинковых червей видов Aelosoma hemprichi и Chaetogaster sp. (рис. 4, м).

Рис. 4. Микрофотографии части организмов перифитона, обнаруженных в ходе исследования: а – Rotaria sp.;
б – Rotaria rotatoria; в – Zoothamnium sp.; г – Chaetonotus sp.; д – Oxytricha sp.; е – Vorticella campanula;
ж – Vorticella campanula; з – Zoothamnium sp.; и – Centropyxis aculeata; к – Arcella vulgaris; л – Centropyxis sp.;
м – Chaetogaster sp. Масштаб 25 мкм (а–л) и 100 мкм (м)
Fig. 4. Micrographs of part of periphyton organisms found during the study: a – Rotaria sp.;
б – Rotaria rotatoria; в – Zoothamnium sp.; г – Chaetonotus sp.; д – Oxytricha sp.; е – Vorticella campanula;
ж – Vorticella campanula; з – Zoothamnium sp.; и – Centropyxis aculeata; к – Arcella vulgaris; л – Centropyxis sp.;
м – Chaetogaster sp. Scale 25 µm (a–л) and 100 µm (м)
Дополнение УФ-излучения источником УЗ значительно изменило состав перифитона: изменение коснулись практически всех форм рассматриваемых в данном исследовании живых организмов.
Наиболее стабильным видовым составом отличались раковинные амебы, относительная численность которых изменялась незначительно относительно как контроля, так и группы УФ. В группе УФ + УЗ было зафиксировано достоверное сокращение представителей Ciliate (p < 0,05; см. рис. 2, г) на 8,84 %. Также в данной группе полностью исчезли виды Oxytricha sp. и Vorticella sp. Значительное снижение относительной частоты встречаемости было зафиксировано у видов Aspidisca aculeata и Vorticella campanula. На рис. 2, в можно видеть, что уменьшение относительной численности указанных видов привело к замещению их другими представителями цилиат (Stylonychia pustulata, Vorticella convallaria, Zoothamnium sp.).
В группе УФ + УЗ не наблюдалось представителей Rotaria rotatoria, а относительная частота встречаемости Philodina roseola уменьшилась до 7,03 %. Другие обнаруженные виды типа Rotifer незначительно увеличивали свою представленность относительна контроля. Количество представителей Gastrotricha и Oligochaeta падает до минимальных значений (2 особи Chaetogaster sp. в одной повторности; p < 0,05; см. рис. 2, в).
Обсуждение
Быстрое формирование пленки перифитонных организмов на экспериментальных пластинах являлось результатом высокого содержания растворенного органического вещества в воде циркуляционной системы при высокой плотности посадки рыбы, характерной для УЗВ. Развитие обрастателей происходит неравномерно, обычно их максимальное разнообразие отмечается на участках системы с хорошим реофильным режимом и высоким содержанием кислорода [12].
Очевидно, что условия содержания радужной форели, а именно температурный режим и содержание кислорода (табл. 1), способствуют максимальному видовому разнообразию перифитона [15]. Температура культивации также оказывает значительное влияние на развитие микрофлоры воды УЗВ и биофильтра, что является важным фактором при развитии перифитона [16]. При содержании тепловодных видов (Cyprinus carpio, Oreochromis niloticus)
с большой плотностью посадки следует ожидать большой биомассы перифитона, но меньшего видового разнообразия. Несмотря на широкое применение УФ для обеззараживания воды его эффективность зависит от количества УФ радиации, времени экспозиции, температуры и pH водной среды [17]. Таким образом, качественный и количественный состав организмов перифитона элементов фильтрации УЗВ может значительно варьировать в зависимости от объекта выращивания.
Перифитон УЗВ отличается определенной обедненностью видового состава, т. к. формируется за счет попадания организмов вместе с объектами культивирования либо покоящихся стадий из окружающей среды [13]. Так формируется биоценоз большинства представителей Rotifer и Ciliate, при этом развитие других форм организмов исключается. Биоценоз аэротенков и биофильтров не является постоянным и зависит от биологической нагрузки, гидрохимических параметров водной среды, а также от состава элементов фильтрации систем УЗВ.
В проведенном исследовании обнаруженные виды раковинных амеб, инфузорий, коловраток и других многоклеточных организмов являются типичными представителями биоценоза систем биологической очистки, их наличие указывает на эффективную работу биофильтра установки. Во всех исследуемых группах не было обнаружено патогенных цилиат, которые являются причиной массовых инвазий и эпизоотий рыб (Ichthyophthirius multifiliis, Chilodonella sp., Trichodina sp.).
Цилиаты играют важную роль в биофильтре, потребляя бактерии и способствуя деградации органических веществ. Различная экологическая специализация инфузорий позволяет использовать их в качестве индикатора качества водной среды и эффективности биофильтрации [18]. Зафиксированное в опыт-
ных группах изменение относительной встречаемости отдельных групп организмов перифитона может свидетельствовать о том, что совместное применение УФ и УЗ является эффективным барьером, предотвращающим миграцию организмов биофильтра в бассейны выращивания. Следует, однако, отметить, что между УФ и УЗ не наблюдается прямого синергического эффекта [19]. Увеличение эффективности очистки при подобном совместном воздействии, вероятно, связано с разрушением ультразвуком крупных взвешенных частиц, что улучшает эффективность обеззараживания УФ [20]. С этим также может быть связана меньшая представленность прикрепленных форм инфузорий в опытных группах. Можно предположить, что при увеличении срока экспозиции (более 3 суток) будет наблюдаться другое распределение сообщества перифитона. Излучение УФ воздействует на водные организмы при непосредственном контакте, поэтому его влияние более выражено на свободноживущих стадиях, которые или погибают, или теряют способность к закреплению на субстрате. В наших исследованиях данное предположение нашло достоверное подтверждение при учете относительной встречаемости Ciliate.
В результате нашего исследования не было зафиксировано достоверного уменьшения относительной встречаемости раковинных амеб и коловраток. Вероятно, УФ-излучение не влияет на их жизнеспособность, а флуктуации их относительной встречаемости зависят от развития других групп организмов перифитона. Предыдущие исследования продемонстрировали, что УФ и УЗ оказывают различное влияние на простейших [2], а также многоклеточные организмы [21, 22].
Меньшая встречаемость олигохет и гастротрихий при воздействии в группе УФ и УФ + УЗ, вероятно, вызвана ухудшением кормовой базы данных организмов за счет меньшего развития бактерий и актиномицетов, являющихся чувствительными к воздействию УФ-излучения.
Акустические колебания УЗ диапазона обладают иным механизмом действия в отличие от УФ-излучения. Так, в непосредственной близости от излучателя возможно разрушение целостности мембран одноклеточных организмов и инактивация ферментов [23]. Ингибирующее воздействие УЗ в водной среде распространяется на большую площадь даже при снижении его интенсивности и может сохранять ингибирующее воздействие, в частности: (i) препятствуя закреплению свободноживущих форм организмов; (ii) уничтожая бактериальные клетки и ухудшая кормовую базу хищных форм организмов; (iii) нарушая жизнеспособность некоторых форм перифитона (водоросли, цилиаты) [24].
В проведенном исследовании наблюдалось достоверное уменьшение относительной встречаемости представителей Oligochaeta, Gastrotricha и Ciliate, что позволяет предположить, что УФ с добавлением источника УЗ колебаний приводят к максимальному изменению состава перифитона.
Следует отметить, что УФ + УЗ оказывают различное воздействие на относительную частоту встречаемости разных групп организмов перифитона. Рядом авторов высказывается предположение о наличии у УЗ видо-зависимого воздействия, обусловленного конкретными морфологическими и физиологическими особенностями организма [2].
Дополнительное включение в систему очистки источника УЗ, целесообразное по результатам данной работы, может способствовать исключению из перифитона подвижных форм одноклеточных организмов, а также ряда многоклеточных гидробионтов, обладающих способностью покинуть поле акустического воздействия. Однако следует понимать, что даже дополнительное использование УЗ не гарантирует гибели покоящихся стадий патогенных организмов и болезнетворных бактерий. В случае появления в системе патогенных форм организмов необходимо своевременное выполнение лечебно-профилактических мероприятий.
Выводы
1. Максимальное видовое разнообразие перифитона наблюдалось в группе, где отсутствовала ультрафиолетовая и ультразвуковая очистка. Наибольшая относительная встречаемость в контроле отмечалась для Ciliate и Testacida (35,71 и 21,34 % соответственно).
2. Группа, где использовался источник УФ-излучения, отличалась от контрольной значительным снижением свободноживущих инфузорий, при этом остальные группы были представлены в том же объеме. Так, частота представленности Arcella sp. и Centropyxis sp. снижалась до 3,33 и 6,66 % относительно контроля.
3. Совместное использование источников УФ и УЗ привело к достоверному снижению относительной встречаемости Ciliate и Oligoheаta, что дает возможность предположить, что данный способ очистки позволит практически полностью предотвратить возникновение инвазий, вызываемых простейшими, а также бактериальной природы.
1. Zhigin A. V. Nekotorye itogi i tendencii primeneniya zamknutyh sistem v akvakul'ture // Noveyshie geneticheskie tehnologii dlya akvakul'tury: materialy Vseros. nauch.-prakt. konf. s mezhdunar. uchastiem (Moskva, 29-31 yanvarya 2020 g.). M.: Pero, 2020. S. 172-184.
2. Nam-Koong H. et al. Preliminary test of ultrasonically disinfection efficacy towards selected aquaculture pathogens // Aquaculture. 2020. V. 515. P. 734592.
3. Hess-Erga O. K., Attramadal K. J. K., Vadstein O. Biotic and abiotic particles protect marine heterotrophic bacteria during UV and ozone disinfection // Aquatic Biology. 2008. V. 4. N. 2. P. 147-154.
4. Devinny J. S., Deshusses M. A., Webster T. S. Biofiltration for air pollution control. CRC press, 2017. 318 p.
5. Liao X. et al. Operational performance, biomass and microbial community structure: impacts of backwashing on drinking water biofilter // Environmental Science and Pollution Research. 2015. V. 22. N. 1. P. 546-554.
6. Pedersen L. F. et al. Peracetic acid degradation and effects on nitrification in recirculating aquaculture systems // Aquaculture. 2009. V. 296. N. 3-4. P. 246-254.
7. Yuhimenko L. N., Bychkova L. I., Druzhinina A. A. Vozbuditeli bakterial'noy gemorragicheskoy septicemii (BGS) ryb, mikroflora vody i kombikormov, imeyuschaya epidemiologicheskoe znachenie // Dal'nevostoch. zhurn. infekc. patologii. 2015. № 26. S. 43-46.
8. Annisha O. D. R. et al. Efficacy of integrated ultraviolet ultrasonic technologies in the removal of erythromycin-and quinolone-resistant Escherichia coli from domestic wastewater through a laboratory-based experiment // Journal of Water, Sanitation and Hygiene for Development. 2019. V. 9. N. 3. P. 571-580.
9. Mason T. J., Joyce E. Sonication used as a biocide. A review: Ultrasound a greener alternative to chemical biocides? // Chemistry Today. 2008. V. 26. N. 6. P. 12-15.
10. Phull S. S. et al. The development and evaluation of ultrasound in the biocidal treatment of water // Ultrasonics sonochemistry. 1997. V. 4. N. 2. P. 157-164.
11. Kutikova L. A., Starobogatov Ya. I. Opredelitel' presnovodnyh bespozvonochnyh Evropeyskoy chasti SSSR. L.: Gidrometeoizdat, 1977. 512 s.
12. Sidorova L. P., Snigireva A. N. Ochistka stoch-nyh i promyshlennyh vod. Ch. II: Biohimicheskaya ochistka. Aktivnyy il. Oborudovanie. Ekaterinburg, 2017. URL: https://study.urfu.ru/Aid/Publication/13594/1/Sidorova_Snigireva_.pdf (data obrascheniya: 25.08.2022).
13. Kutikova L. A. Fauna aerotenkov (atlas). L.: Nauka, 1984. 264 s.
14. Eisler K. Collection, Isolation, Cultivation and Identification of Freshwater Protozoa. Culture Collection of Algae and Protozoa // European Journal of Protistology. 1989. V. 24. Iss. 2. P. 200.
15. Nikiforov-Nikishin A. L., Nikiforov-Nikishin D. L., Kochetkov N. I., Tatarenko P. Yu. Biocenosis of cold-water and warm-water biofilter in recirculating aquaculture system // IOP Conference Series: Earth and Environmental Science. 2020. V. 548. N. 8. P. 082097.
16. Nikiforov-Nikishin D. L. Nikiforov-Nikishin A. L., Bugaev O. G., Kochetkov N. I. et al. Temperature differentiation of aquatic microflora of a closed water supply system by the example of incubation of microbiological crops at 21 and 37 °C // IOP Conference Series: Earth and Environmental Science. 2021. V. 723. N. 4. P. 042049.
17. De Oliveira E. F., Tosati J. V., Tikekar R., Monteiro A. R. Antimicrobial activity of curcumin in combination with light against Escherichia coli O157: H7 and Listeria innocua: Applications for fresh produce sanitation // Postharvest Biology and Technology. 2018. V. 137. P. 86-94.
18. Lugo A. et al. Protozoan indicator communities in waste stabilization pond systems // Proceedings of the International Symposium of Biological approach to sewage treatment process: current status and perspectives. Perugia, Italia, 1991. P. 115-118.
19. Vasilyak L. M. Primenenie ul'trazvuka v sistemah dlya obezzarazhivaniya vody // Elektronnaya obrabotka materialov. 2010. № 5 (265). S. 106-111.
20. Blume T., Martinez I., Neis U. Wastewater disinfection using ultrasound and UV light // TU Hamburg-Harburg reports on sanitary engineering. 2002. V. 35. P. 117-128.
21. Kasai H., Yoshimizu M., Ezura Y. Disinfection of water for aquaculture // Fisheries science. 2002. V. 68. N. 1. P. 821-824.
22. Zhang G., Zhang P., Bo Wang B., Hong Liu H. Ul-trasonic frequency effects on the removal of Microcystis aeruginosa // Ultrasonics sonochemistry. 2006. V. 13. N. 5. P. 446-450.
23. Li J., Ahn J., Liu D., Chen Sh., Ye X., Tian Ding T. Evaluation of ultrasound-induced damage to Escherichia coli and Staphylococcus aureus by flow cytometry and transmission electron microscopy // Applied and environmental microbiology. 2016. V. 82. N. 6. P. 1828-1837.
24. Doosti M. R., Kargar R., Sayadi M. H. Water treat-ment using ultrasonic assistance: A review // Proceedings of the International Academy of ecology and environmental sciences. 2012. V. 2. N. 2. P. 96.



