Russian Federation
Russian Federation
The article focuses on operation of the ship shaft generator on the joint buses of the main switchboard through a frequency converter that consists of an uncontrolled rectifier and a self-excited inverter with pulse width modulation. The most common schemes of using shaft generators on ships are given, their advantages and disad-vantages are analyzed. There has been illustrated a flowchart and given a detailed description of the operation of a ship electric power plant with power take-off from the main engine. A control system regulating the constant flow interlinkage in the “frequency converter - shaft generator” complex, which ensures stable output voltage, has been developed. It has been stated that a random change in the rotational speed or in a torque fluctuation of the shaft generator rotor have little impact on the quality of generated electricity. Simulation modeling of the complex is given in the MATLAB/Simulink software package. The developed controller of a self-excited inverter supports continuous flow interlinkage by vector control. There has been demonstrated the composition and operation principle of the control system of output voltage of a shaft generator by using vector regulation method. Modeling has proved the availability of the self-excited inverter control system. The oscillograms of modeling the input and output current and voltage values have been obtained. The modeling results justified that changing the input voltage and frequency of the generator provided the high quality output voltage indicators. Harmonic distortion coefficients and static deviations have been analyzed. The expediency of using combined filters of higher harmonics to eliminate interharmonics and higher harmonics in the ship network has been proved. Practical recommendations are given to improve the quality of operation of the ship electrical complex with a shaft generator.
shaft generator, inverter, frequency converter, regulator, main switchboard, pulse-width modulation
Введение
Энерговооруженность судна возрастает с увеличением количества электрооборудования и уровня автоматизации, что позволяет сократить экипаж
и, соответственно, повысить рентабельность морских перевозок. Одновременно с этим цены на топливо обладают высокой волатильностью в связи
с нестабильной политической ситуацией в мире
и экономическими кризисами. Вышеперечисленное вынуждает искать пути увеличения эффективности работы судовой электростанции [1].
Одним из путей повышения эффективности работы судового электроэнергетического комплекса является применение валогенераторов. Валогенератор (ВГ) – это электрическая машина, приводимая во вращение от гребного вала и служащая для питания электроэнергией судовых потребителей. Главный двигатель, который приводит во вращение движитель, работает с существенным запасом мощности, часть которой можно отбирать в установившемся ходовом режиме. Эффективность работы главного двигателя довольно высокая, а топливо, которое он потребляет, относительно дешевое [2]. Указанные факторы делают применение ВГ экономичным. По этой причине все больше ВГ применяются на крупных судах, совершающих длинные трансконтинентальные переходы, для оптимизации расхода топлива и снижения затрат на производство электроэнергии [3].
Несмотря на выгоду применения ВГ, у него имеются два существенных недостатка. Первый недостаток – это усложнение пропульсивной установки судна, в результате чего уменьшается ее надежность и сокращается полезная площадь использованного машинного отделения [4]. Второй недостаток связан с нестабильными показателями качества получаемой электроэнергии от ВГ [5]. Если исключить применение ВГ постоянного тока и ВГ, автономно работающих на мощный приемник, то можно выделить три основных типов использования ВГ:
- PTO/GCR (power take-off / gear constant ratio – отбор мощности через передачу с постоянным передаточным отношением) состоит из упругой (эластичной) муфты, мультипликатора и генератора переменного тока.
- PTO/RCF (power take-off / RENK constant frequency – отбор мощности с гидромеханическим редуктором постоянной частоты вращения) состоит из упругой (эластичной) муфты, мультипликатора, торсионной жесткой зубчатой муфты, привода постоянной частоты вращения и генератора
переменного тока. - PTO/CFE (power take-off / constant frequency electrical – отбор мощности с электрической системой поддержания постоянной частоты тока) состоит из низкооборотного генератора переменного тока
с электрическими контрольно-измерительными приборами.
Материалы и результаты исследования
Несмотря на использование редукторов и регуляторов для поддержания постоянной скорости вращения ротора ВГ, для обеспечения надлежащих показателей качества электроэнергии используют частотный преобразователь. На рис. 1 приведена структурная схема судовой энергетической установки с применением ВГ. Главный двигатель через редуктор приводит в движение винт регулируемого шага (ВРШ). Управление углом атаки лопастей осуществляется с помощью механизма изменения шага (МИШ). Применение винта регулируемого шага оправдано тем фактом, что частота главного двигателя должна находиться в заданных пределах, что позволит работать ВГ с относительно постоянной частотой и минимальными отклонениями по напряжению [6]. Через редуктор ВГ подключается
к валопроводу и отбирает часть мощности от главного двигателя. Для того чтобы синхронизировать ВГ и судовую электростанцию, применяется преобразователь частоты, через который электроэнергия
с заданным значением напряжения и частоты подается на главный распределительный щит (ГРЩ). Также через утилизационный котел тепло от сгоревшего топлива идет на нужды судна.

Рис. 1. Судовая энергетическая установка с валогенератором
Fig. 1. Ship power plant with a shaft generator
На рис. 2 приведена функциональная схема работы ВГ на общую нагрузку через ГРЩ. Поскольку ВГ приводится в действие главным двигателем, то ВГ реагирует на любые изменения частоты вращения дизеля. Это происходит из-за влияния течения, ширины канала, глубины, осадки судна, волнения или ветра, что приводит к изменению напряжения и частоты ВГ. Генераторы G1–G3 работают на ГРЩ через автоматические выключатели QF1–QF3. Потребители также подключены
к ГРЩ и получают по фидерам электропитание,
ВГ вращается главным двигателем через редуктор. Электроэнергия от ВГ через автоматический выключатель QF4 предается на частотный преобразователь, который состоит из трех частей – выпрямителя, фильтра постоянного тока и инвертора на основе IGBT-транзисторов. Трансформатор тока ТА снимает напряжение на каждой фазе ГРЩ
и передает сигнал на систему управления. Система управления обрабатывает полученную информацию и генерирует импульсы на IGBT-транзисторы, создавая с использованием широтно-импульсной модуляции (ШИМ) напряжение требуемой амплитуды и частоты. Через автоматический выключатель QF5 напряжение с выхода частотного преобразователя идет на ГРЩ, откуда через фидеры распределяется на различные потребители. Для защиты ВГ от высоких частот со стороны преобразователя частоты стоит пассивный фильтр. Для защиты ГРЩ от высоких частот рекомендуется применять комбинированный фильтр, который показывает хорошие результаты устранения интергармонических и высших гармоник в сети ограниченной мощности [7, 8]. В случае если частота вращения главного двигателя стабильна и напряжение на зажимах ВГ соответствует напряжению на шинах ГРЩ, QF4 и QF5 отключаются, включается QF6.

Рис. 2. Функциональная схема работы валогенератора на общую нагрузку через главный распределительный щит
Fig. 2. Flowchart of the shaft generator operation on joint load through the main switchboard
Имитационное моделирование
Рассмотрим работу ВГ на стационарную нагрузку.
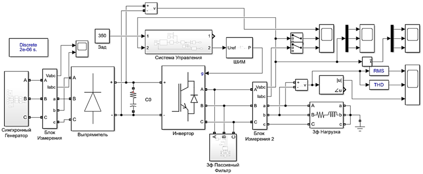
На рис. 3 представлена имитационная модель работы ВГ на стационарную нагрузку, выполненная в математическом пакете MATLAB/Simulink. Трехфазное напряжение подается от синхронного генератора на выпрямитель через блок измерения. Выпрямленное напряжение сглаживается конденсатором С0. Переменное трехфазное напряжение производится с помощью автономного инвертора
и подается на статическую нагрузку (3ф-нагрузка). Система управления выдает эталонные напряжения на выходе регулятора, которые преобразуются в импульсы управления для инвертора с помощью ШИМ. Для сглаживания напряжения используется 3ф-пассивный фильтр, состоящий из RС-треугольника. Для контроля выходных параметров применяется блок измерения (блок измерения 2).

Рис. 3. Simulink-модель работы валогенератора на стационарную нагрузку
Fig. 3. Simulink model of shaft generator operation on stationary load
Наличие автономного инвертора позволяет осуществлять управление за счет применения принципов векторного регулирования. Основные уравнения ВГ при работе с постоянным потоком записываются для вращающейся системы координат d – q, ориентированной по потоку ротора, поток статора при этом задается равным нулю [9].
Поскольку принципы векторного регулирования позволяют реализовать свободную ориентацию вектора тока статора во вращающейся системе координат d – q, значение электромагнитного момента ВГ, создающего сопротивление вращению, можно записать как
![]()
где id, iq – проекции тока статора на оси d и q;
ψd, ψq – проекции потокосцепления на оси d и q соответственно.
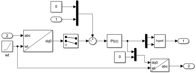
На рис. 4 приведена система управления напряжением инвертора, реализованная в MATLAB/
Simulink. Регулятор поддерживает постоянное потокосцепление с помощью векторного управления. Задачей регулятора напряжения является сравнение выходного напряжения с опорным напряжением и формирование модулирующего сигнала для ШИМ-генератора. Если происходит какое-либо изменение выходного или опорного сигнала,
в соответствии с ним изменяется значение модулирующего сигнала с помощью дискретного
ПИ-регулятора.

Рис. 4. Система управления напряжением инвертора
Fig. 4. Inverter voltage control system
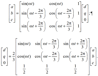
Переход от координат abc к координатам d – q и обратно осуществляется по следующим формулам:

Коэффициенты ПИ-регулятора подбирались экспериментально на основании экспертного опыта. Регулятор имеет следующую передаточную функцию:
![]()
Параметры схемы при моделировании:
– напряжение питания со стороны ВГ:
UЛ = 400 В; f = 60 Гц;
– емкость конденсаторов пассивного фильтра: С = 100 мкФ;
– емкость конденсатора на вставке постоянного тока: С0 = 100 мкФ;
– прямое падение напряжения на диодах
и IGBT-транзисторах: UПр = 0,7 В;
– нагрузка: L = 0,1 мГн; R = 3 Ом.
Для того чтобы оценить работу при резкоизменяющемся напряжении, в момент времени t = 0,5 с напряжение принимает вид: UЛ = 325 В; f = 50 Гц.
Результаты моделирования представлены на рис. 5; входные токи и напряжения при работе преобразователя частоты приведены на рис. 6.

Рис. 5. Результаты моделирования: а – напряжение на вставке постоянного тока на входе инвертора;
б – напряжение на выходе инвертора; в – ток на выходе инвертора
Fig. 5. Simulation results: a – voltage at a DC link on the inverter input;
б – inverter output voltage; в – inverter output current
При изменении входного напряжения коэффициент гармонического искажения снижается
с 0,75 до 0,37, что обусловлено уменьшением уровня напряжения и увеличением скважности ШИМ. Увеличения коэффициента синусоидальности можно добиться путем установки более мощного трехфазного пассивного фильтра, который включал бы в себя и магнитосвязанные дроссели. Также происходит снижение пульсаций действующего значения напряжения и пульсаций коэффициента гармонического искажения из-за совпадения частот на входе и на выходе. Таким образом, можно сделать вывод, что уменьшение колебаний действующего значения напряжения можно обеспечить с помощью дополнительного сглаживания
в цепи постоянного тока, т. е. использовать конденсатор большей емкости, а также последовательно добавить дроссель. Также вставка постоянного тока может запитывать потребители постоянного тока через изолированный преобразователь постоянного тока [10].

Рис. 6. Входные значения напряжения (а) и тока (б) преобразователя частоты
Fig. 6. Input values of voltage (a) and current (б) of the frequency converter
Наличие интегральной части в регуляторе обеспечивает устранение ошибки в установившемся режиме. Повышение загрузки главного двигателя
с помощью ВГ позволит увеличить его коэффициент загрузки, что с выведением из работы одного дизель-генератора сможет обеспечить более рациональное использование топлива при сохранении заданного уровня напряжения и частоты судовой сети за счет применения преобразователя частоты.
Заключение
Имитационное моделирование работы системы управления комплексом «валогенератор – преобразователь частоты» доказало перспективность использования данной системы для обеспечения необходимого качества электроэнергии. Созданная модель способствует изучению работы валогенераторной установки при различных условиях, что позволит в реальных условиях обеспечить более экономичную эксплуатацию главного двигателя.
1. Avdeev B. A. Intellektual'nye energoeffektivnye sistemy morskih sudov // Vestn. Kerchen. gos. mor. tehnolog. un-ta, 2021. № 4. S. 99-113.
2. Medvedev V. V., Zhukov V. A., Turkin I. I., Go-lubev R. O. Analiz celesoobraznosti primeneniya valogeneratorov v sostave SEU SPG-tankerov s glavnymi dvuhtoplivnymi MOD posredstvom sistem glubokoy utilizacii teploty // Mor. intellektual. tehnologii. 2019. № 1-1 (43). S. 96-102.
3. Zaykov D. D., Martynov P. A. Osobennosti valogeneratornyh ustanovok i trebovaniya, pred'yavlyaemye k dannym sistemam // Nauch.-tehn. ved. Sevmashvtuza. 2020. № 2. S. 12-15.
4. Rak A. N., Chernikov V. G., Kapanadze G. A. Ras-shirenie funkcional'nyh vozmozhnostey i povyshenie effektivnosti kombinirovannyh sudovyh propul'sivnyh ustanovok // Tehnicheskaya ekspluataciya vodnogo transporta: problemy i puti razvitiya: sb. tr. II Mezhdunar. nauch.-tehn. konf. (Petropavlovsk-Kamchatskiy, 23-25 oktyabrya 2019 g.). Petropavlovsk-Kamchatskiy: Izd-vo KamchatGTU, 2020. S. 99-105.
5. Vyngra A. V. Povyshenie effektivnosti raboty valogeneratornoy ustanovki otbora moschnosti // Sostoyanie i perspektivy razvitiya sovremennoy nauki po napravleniyu «Tehnologii energoobespecheniya. Apparaty i mashiny zhizneobespecheniya»: materialy Vseros. nauch.-tehn. konf. (Anapa, 25-26 noyabrya 2019 g.). Anapa: Voennyy innovacionnyy tehnopolis «ERA», 2019. S. 68-73.
6. Zheleznyak A. A. Modernizaciya sistemy upravleniya elektroenergeticheskoy ustanovki promyslovogo sudna s vintom reguliruemogo shaga // Vestn. gos. un-ta mor. i rech. flota im. adm. S. O. Makarova. 2017. T. 9. № 2. S. 414-421.
7. Avdeev B. A., Vyngra A. V., Chernyi S. G., Zhilenkov A. A., Sokolov S. S. Evaluation and Procedure for Estimation of Interharmonics on the Example of Non-sinusoidal Current of an Induction Motor with Variable Periodic Load // IEEE Access. 2021. V. 9. P. 158412-158419.
8. Vyngra A. V. Razrabotka algoritmov i pro-grammnogo obespecheniya dlya silovyh aktivnyh fil'trov sudovyh elektroenergeticheskih sistem // Vestn. Astrahan. gos. tehn. un-ta. Ser.: Morskaya tehnika i tehnologiya. 2022. № 2. S. 73-79.
9. Burmakin O. A., Gulyaev V. V., Malyshev Yu. S., Popov S. V. Modelirovanie sudovoy elektrostancii so vstroennoy set'yu postoyannogo toka v srede MATLAB // Intellektual. elektrotehnika. 2021. № 3 (15). S. 75-84.
10. Careva P. E., Avdeev B. A., Markovkina N. N., Epifancev I. R., Zhilenkov A. A. Modelirovanie raboty trehfaznogo tverdotel'nogo transformatora pri izmenenii nagruzki // Elektrotehnika. 2022. № 6. S. 61-64.



